P-117-001e - 第111页
MODEL TCM-3000Z 981 1-001 5- 2 Key No. PART No. PART NAME Q'ty REMARKS 1 -1 630 059 3280 BASE 1 628C--03B-001 1 -2 630 059 3297 BASE 1 628C--03B-002 2 630 048 4335 PLATE 4 628C--03B-003 3 411 141 4008 W ASHER V 4X9X…

MODEL TCM-3000Z
9811-001
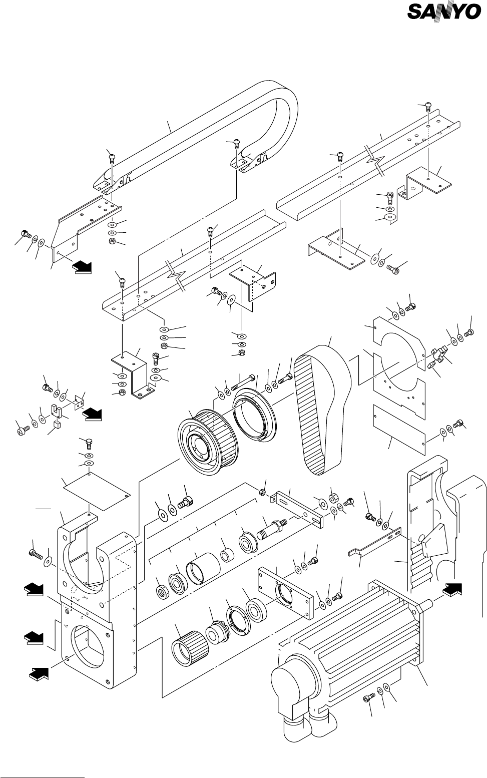
部品供給部 FEEDER CARRIAGE SECTION
Fig. 5-2 リールユニット Feeder Carriage
39
40
41
1-1
2
5
4
3
6
7
8
9
10
11
14
13
12
15
16
17
18
19
21
22
23
36
37
38
32
33
34
35
39
40
41
90
51
52
53
1-2
31-1
31-2
.
.
1-2
24
25
26
27
20-1
20-2
.
90
90
4796
-002

MODEL TCM-3000Z
9811-001
5- 2
Key No. PART No. PART NAME Q'ty REMARKS
1 -1 630 059 3280 BASE 1 628C--03B-001
1 -2 630 059 3297 BASE 1 628C--03B-002
2 630 048 4335 PLATE 4 628C--03B-003
3 411 141 4008 WASHER V 4X9X0.8 36 FW4
4 411 141 2905 WASHER SPR 4 36 SW4
5 630 000 7633 BOLT,HEX-SCT 36 M4X12
6 630 048 4175 PLATE 2 628C--03B-005
7 630 048 4182 PLATE 2 628C--03B-006
8 411 141 4107 WASHER V 5X10X1 46 FW5
9 411 141 6705 WASHER SPR 5 46 SW5
10 630 000 7763 BOLT,HEX-SCT 46 M5X16
11 630 048 4342 PLATE 4 628C--03B-007
12 411 141 4008 WASHER V 4X9X0.8 36 FW4
13 411 141 2905 WASHER SPR 4 36 SW4
14 630 000 7633 BOLT,HEX-SCT 36 M4X12
15 630 048 4359 SUPPORT 2 628C--03B-009
16 630 048 4366 SUPPORT 2 628C--03B-010
17 411 141 4107 WASHER V 5X10X1 16 FW5
18 411 141 6705 WASHER SPR 5 16 SW5
19 630 000 7756 BOLT,HEX-SCT 16 M5X12
20 -1 630 047 6798 BRACKET 1 628C--03B-032
20 -2 630 047 6804 BRACKET 1 628C--03B-033
21 411 141 4008 WASHER V 4X9X0.8 4 FW4
22 411 141 2905 WASHER SPR 4 4 SW4
23 630 000 7619 BOLT,HEX-SCT 4 M4X8
24 411 141 4107 WASHER V 5X10X1 48 FW5
25 411 141 6705 WASHER SPR 5 48 SW5
26 630 000 7763 BOLT,HEX-SCT 48 M5X16
27 630 005 4057 ACCESSORY,SW 4 628C--03H-022
31 -1 630 071 0465 SUPPORT 1 628C--03B-011
31 -2 630 071 0472 SUPPORT 1 628C--03B-012
32 630 055 1792 SUPPORT 16 628C--03B-013
33 411 141 4305 WASHER V 6X12.5X1.6 32 FW6
34 411 141 3001 WASHER SPR 6 32 SW6
35 630 000 7886 BOLT,HEX-SCT 32 M6X16
36 411 141 4305 WASHER V 6X12.5X1.6 12 FW6
37 411 141 3001 WASHER SPR 6 12 SW6
38 630 000 7879 BOLT,HEX-SCT 12 M6X12
39 411 088 1702 WASHER V 5X10X1 16 FW5 F
40 411 008 2109 WASHER SPR 5 16 SW5 F
41 411 140 4900 BOLT HEX 5X12 16 M5X12 HEX
51 630 056 1050 PLATE 1 628C--03B-014
52 411 141 4008 WASHER V 4X9X0.8 2 FW4
53 630 000 7626 BOLT,HEX-SCT 2 M4X10
90 630 047 6378 NAME PLATE,INDEX 6 628C--03H-024
NOTE

MODEL TCM-3000Z
9811-001
部品供給部 FEEDER CARRIAGE SECTION
Fig. 5-3 リールユニット駆動部 Feeder Carriage Driver
1-1
22
33
44
55
66
77
88
99
1010
1111
1212
1414
1515
1616
1717
18
19
2020
23
22
21
24
25
26
30
31-4
32
33
31-131-1
31-331-3
31-531-5
37
38
39
40
41
42
4444
4343
4545
4646
4747
4848
4949
5050
5151
5252
6060
5959
5858
5757
90-190-1
9292
9393
9494
9999
100100
61
62
63
64
A
C C
B
BB
1-2
.
1-2
31-331-3
5454
5555
5656
5353
9494
9393
9292
9494
9494
9393
9393
9292
9292
100100
102102
101101
103103
90-290-2
91-291-2
2727
2828
2929
91-191-1
9696
9797
9898
9797
9696
9898
31-231-2
3131
CC
66-166-1
6666
6767
6868
6969
7272
7171
7070
6565
8989
TCM-3000E-
002
84
101
102
103
81
82
83
A
8989
9595
9595
9595
9595