P-117-001e - 第155页
MODEL TCM-3000Z 981 1-001 7- 4 Key No. PART No. PART NAME Q'ty REMARKS 1 630 056 1500 PLATE 4 628G--03B-033 1 -1 630 059 2405 BRACKET(PHOTO L) 2 628G--03B-016 1 -2 630 059 2412 BRACKET(PHOTO R) 1 628G--03B-039 1 -3 …

MODEL TCM-3000Z
9811-001
Lコンベア部 L CONVEYOR SECTION
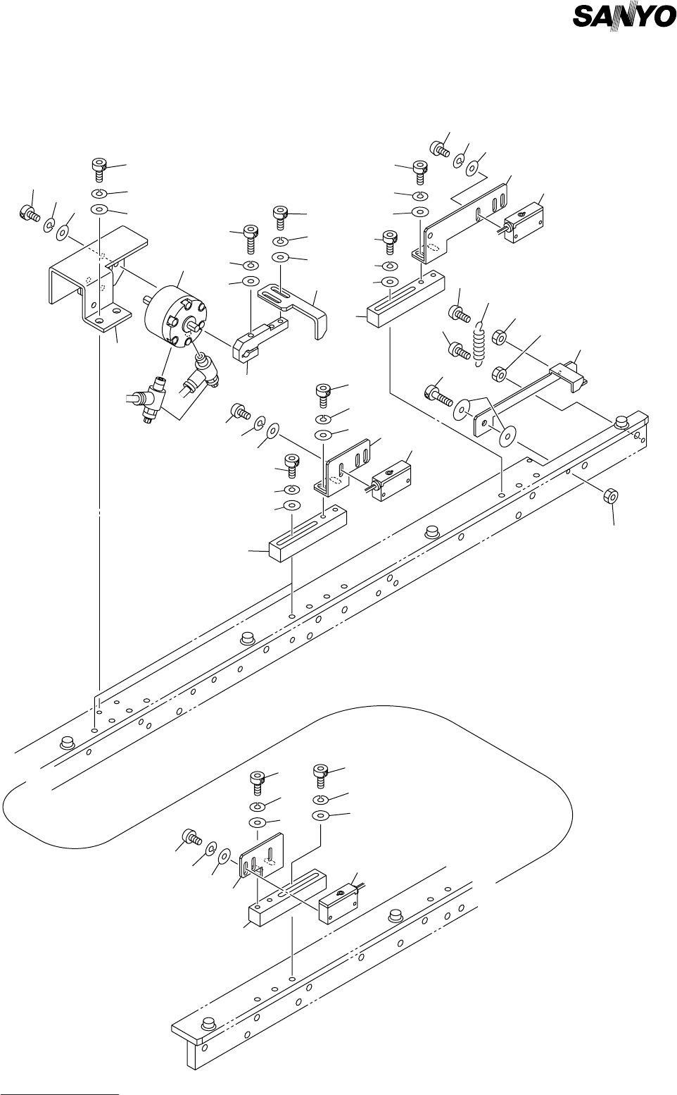
Fig. 7-4 基板検出部、基板ストッパ P.C.B. Detector, P.C.B. Stopper
TCM-3000E
11
12
13
14
15
16
17
18
19
21
22-1
22
23
27
26
25
24
30
29
28
31
32
33
34
35
36
9-1
9-2
9-3
9-1
9-2
9-3
9-1
9-2
9-3
2
2
2
6
7
1-1
1-3
1-2
8
6
7
8
6
7
8
3
4
5
3
4
5
3
1
4
5
TCM-3000E
1
1

MODEL TCM-3000Z
9811-001
7- 4
Key No. PART No. PART NAME Q'ty REMARKS
1 630 056 1500 PLATE 4 628G--03B-033
1 -1 630 059 2405 BRACKET(PHOTO L) 2 628G--03B-016
1 -2 630 059 2412 BRACKET(PHOTO R) 1 628G--03B-039
1 -3 630 058 8804 BRACKET(PHOTO L) 1 628G--03B-040
2 630 045 6608 SENSOR,PELEC 4 628G--03H-026
3 411 119 1909 WASHER V 3X7X0.5 8 FW3 F
4 411 086 4408 WASHER SPR 3 8 SW3 F
5 411 040 7803 SCR PAN 3X12 8 M3X12 PAN
6 411 141 4008 WASHER V 4X9X0.8 8 FW4
7 411 141 2905 WASHER SPR 4 8 SW4
8 630 000 7619 BOLT,HEX-SCT 8 M4X8
9 -1 411 141 4008 WASHER V 4X9X0.8 8 FW4
9 -2 411 141 2905 WASHER SPR 4 8 SW4
9 -3 630 000 7664 BOLT,HEX-SCT 8 M4X20
11 630 047 6088 LEVER 1 628G--03B-015
12 630 001 0220 WASHER 2 628G--03H-027
13 630 000 7787 BOLT,HEX-SCT 1 M5X25
14 411 141 0604 NUT HEX 5 1 M5-3
15 411 054 6809 NUT HEX 3 1 M3 F
16 411 040 6202 SCR PAN 3X10 1 M3X10 PAN
17 411 054 8506 NUT HEX 4 1 M4 F
18 411 162 1505 SCR PAN 4X20 1 M4X20 PAN
19 630 001 8103 SPRING,TENSION 1 628G--03H-028
21 630 058 8811 BRACKET(CYL) 1 628G--03B-026
22 630 060 6980 ROTARY ACTUATOR 1 628G--03H-034
23 630 058 8712 LEVER 1 628G--03B-027
24 630 048 5448 LEVER 1 628G--03B-028
25 411 141 4008 WASHER V 4X9X0.8 2 FW4
26 411 141 2905 WASHER SPR 4 2 SW4
27 630 000 7626 BOLT,HEX-SCT 2 M4X10
28 411 141 4008 WASHER V 4X9X0.8 1 FW4
29 411 141 2905 WASHER SPR 4 1 SW4
30 630 000 7664 BOLT,HEX-SCT 1 M4X20
31 411 141 4008 WASHER V 4X9X0.8 2 FW4
32 411 141 2905 WASHER SPR 4 2 SW4
33 630 000 7626 BOLT,HEX-SCT 2 M4X10
34 411 141 4107 WASHER V 5X10X1 2 FW5
35 411 141 6705 WASHER SPR 5 2 SW5
36 630 000 7749 BOLT,HEX-SCT 2 M5X10
NOTE

MODEL TCM-3000Z
9811-001
R コンベア部 R CONVEYOR SECTION
Fig. 8-1 コンベア Conveyor
A
B
TCM-3000Z
1
2
1
3
4
5
6
10
53
18
16
15
14
22
23
24
25
26
26-1
27
30
29
28
27-1
30
29
28
31
32
31
32
33
34
35
36
37
38
38
39
40
41
42
43
44
45
46
47
48
43
44
42
46
47
48
56
60
59
58
8
93
92
91
53
76
75
74
72
78
79
77
71
73
54
53
A
B
C
D
7
17
18
20
45
57
8-1
9
11
12
13
14
15
16
53
53
33
34
35
36
37
39
40
41
53
60
69
68
67
66
59
58
54
55
C
D
19
21
21
53
55
75
76
74
72
71
79
78
77
73