P-117-001e - 第177页
MODEL TCM-3000Z 981 1-001 9- 4 Key No. PART No. PART NAME Q'ty REMARKS 1 630 048 8920 STAY 2 628F--03B-023 2 630 057 7082 PLATE(FEED) 1 628F--03B-022 3 411 141 4107 W ASHER V 5X10X 1 8 FW 5 4 411 141 6705 W ASHER SP…

MODEL TCM-3000Z
9811-001
トランスファ部 TRANSFER SECTION
Fig. 9-4 送り竿 Transfar Rod
1
2
3
4
5
66
7
8
9
10
11
12
13
14
15
1
33
33
3
44
44
4
5
66
7
8
9
10
11
12
13
14
15
TCM-3000E
See Fig.9-1
Key No.6
See Fig.9-1
Key No.6-1
1616
1616
1616

MODEL TCM-3000Z
9811-001
9- 4
Key No. PART No. PART NAME Q'ty REMARKS
1 630 048 8920 STAY 2 628F--03B-023
2 630 057 7082 PLATE(FEED) 1 628F--03B-022
3 411 141 4107 WASHER V 5X10X1 8 FW5
4 411 141 6705 WASHER SPR 5 8 SW5
5 630 000 7787 BOLT,HEX-SCT 4 M5X25
6 630 000 7787 BOLT,HEX-SCT 4 M5X25
7 411 140 8007 SCR TRS 5X6 2 M5X6 TRS
8 630 005 6525 BLOCK 2 628F--03B-024
9 630 048 8869 PLATE(PUSH) 2 628F--03B-025
10 411 141 4008 WASHER V 4X9X0.8 4 FW4
11 411 141 2905 WASHER SPR 4 4 SW4
12 630 000 7633 BOLT,HEX-SCT 4 M4X12
13 411 141 4305 WASHER V 6X12.5X1.6 2 FW6
14 411 141 3001 WASHER SPR 6 2 SW6
15 411 140 6003 BOLT WING 6X20 2 628F--03H-026
16 630 000 7503 BOLT,HEX-SCT 2 M3X6
NOTE

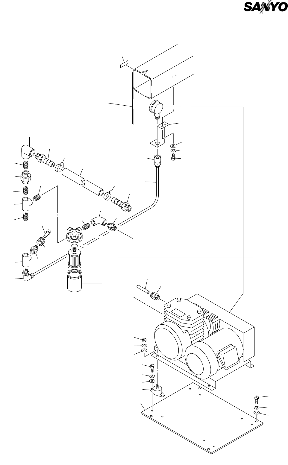
MODEL TCM-3000Z
9811-001
空圧制御部 PNEUMATIC SECTION
Fig.10-1 真空ポンプ Vacuum Pump
1
2
5
4
3
25
24
23
6
7
8
12
14
21
22
31
32
33
34
35
36
37
41
42
43
44
45
46
47
50
4796
13
47
45
33
33
33
33
34
13-1
15
18
19
20
14-1
See Fig.12-2
Key No.27