P-117-001e - 第55页
MODEL TCM-3000Z 981 1-001 3-12 Key No. PART No. PART NAME Q'ty REMARKS 1 630 060 4924 ASSY,CAM(CUT TER) 1 1 -1 630 052 6011 SHAFT 1 628K--03B-039 1 -2 630 049 0992 KEY 1 628K--03B-081 1 -3 630 058 3519 CAM (06) 1 62…

MODEL TCM-3000Z
9811-001
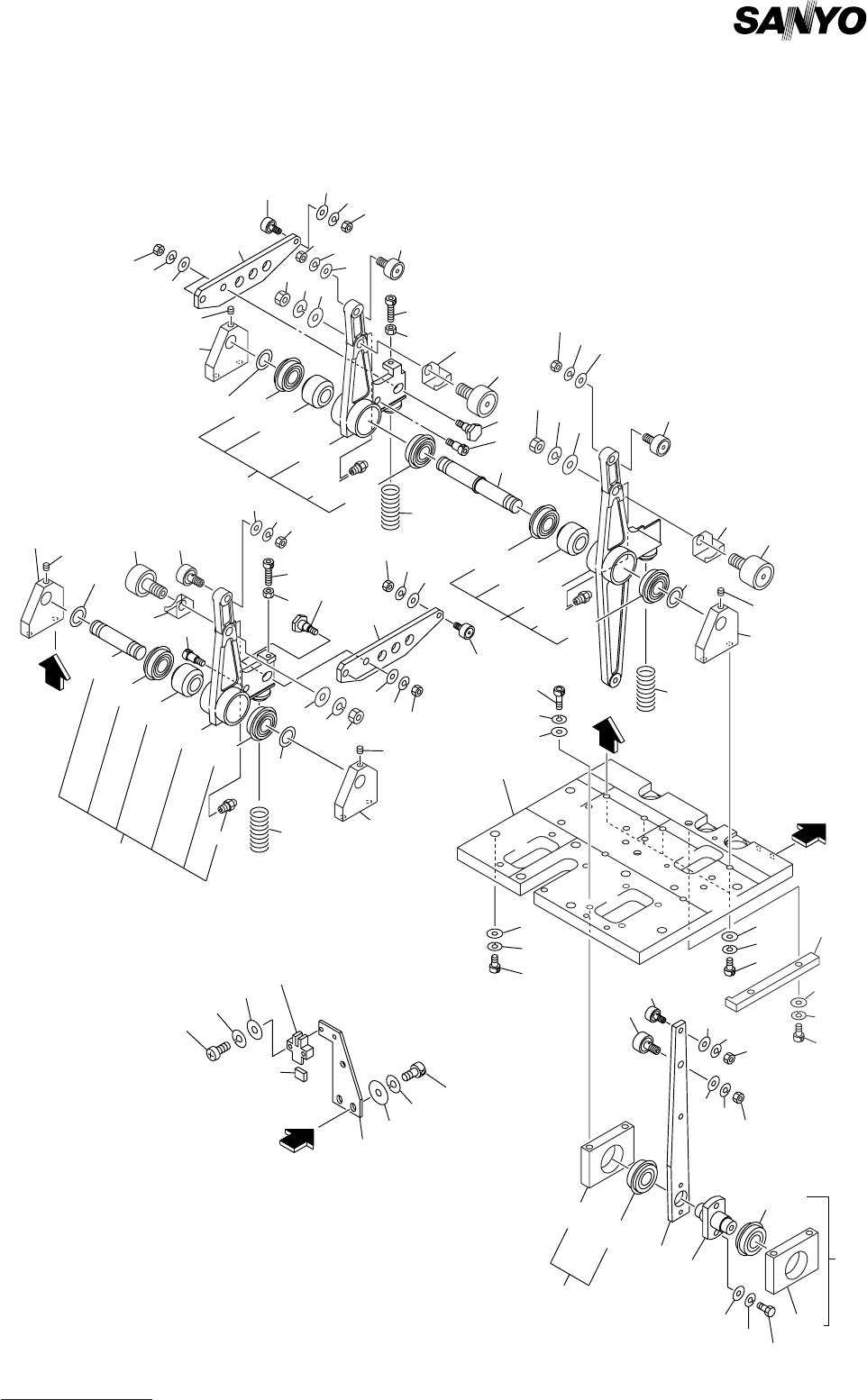
ヘッド駆動部 HEAD DRIVING SECTION
Fig. 3-12 カム軸−3 Cam Shaft-3
1-1
1-2
5
14
19
15
16
17
18
9
13
10
11
12
6
9
13
7
10
11
12
9
13
8
10
11
12
25
23
24
33
34
35
36
37
38
39
40
20
32
31
30
21
26
27
28
29
41
42
43
44
45
46
47
48
49
5
22
27
28
29
Fig.3-12
1-4
1-3
1

MODEL TCM-3000Z
9811-001
3-12
Key No. PART No. PART NAME Q'ty REMARKS
1 630 060 4924 ASSY,CAM(CUTTER) 1
1 -1 630 052 6011 SHAFT 1 628K--03B-039
1 -2 630 049 0992 KEY 1 628K--03B-081
1 -3 630 058 3519 CAM (06) 1 628K--03B-076
1 -4 630 000 8982 SET SCREW 2 M6X8 SET
5 630 049 0244 KEY 4 628K--03H-045
6 630 058 3533 CAM (08) 1 628K--03B-078
7 630 058 3540 CAM (09) 1 628K--03B-079
8 630 061 3506 CAM (02) 1 628K--03B-072
9 630 048 9149 DISK 3 628K--03B-041
10 630 029 1391 WASHER 9 628K--03H-048
11 411 008 2109 WASHER SPR 5 9 SW5 F
12 630 000 8647 BOLT,HEX 9 M5X25 HEX
13 630 000 8982 SET SCREW 6 M6X8 SET
14 630 048 9132 DISK 1 628K--03B-040
15 630 058 6251 CAM (10) 1 628K--03B-080
16 630 029 1391 WASHER 3 628K--03H-048
17 411 008 2109 WASHER SPR 5 3 SW5 F
18 630 000 8630 BOLT,HEX 3 M5X20 HEX
19 630 000 8982 SET SCREW 2 M6X8 SET
20 630 056 1814 BASE 1 628K--03B-035
21 630 055 1976 HOLDER 1 628K--03B-036
22 630 049 0121 BEARING,RADIAL 1 628K--03H-008
23 630 049 0213 MECH PARTS(BEARING COVERS 1 628K--03H-044
24 630 000 7879 BOLT,HEX-SCT 4 M6X12
25 630 049 0077 BEARING,RADIAL 1 628K--03H-009
26 630 055 1983 HOLDER 1 628K--03B-037
27 411 141 4701 WASHER V 10X21X2 4 FW10
28 411 141 3209 WASHER SPR 10 4 SW10
29 630 000 8159 BOLT,HEX-SCT 4 M10X40
30 630 001 0251 WASHER 4 628K--03H-049
31 411 141 3209 WASHER SPR 10 4 SW10
32 630 000 8159 BOLT,HEX-SCT 4 M10X40
33 630 048 7312 PULLEY,TIMING 1 628K--03H-004
34 630 049 0060 MECH PARTS(MECHA LOCK) 1 628K--03H-007
35 630 048 7213 RING 1 628K--03B-029
36 630 000 8944 SET SCREW 2 M5X6 SET
37 630 048 7206 DISK 1 628K--03B-028
38 411 141 4008 WASHER V 4X9X0.8 1 FW4
39 411 141 2905 WASHER SPR 4 1 SW4
40 630 000 7626 BOLT,HEX-SCT 1 M4X10
41 630 052 1542 BRACKET 1 628K--03B-060
42 630 000 0245 SENSOR,PHOTO 1 628K--03H-040
43 630 000 0269 SENSOR,PHOTO(CONNECTOR) 1 628K--03H-043
44 411 119 1909 WASHER V 3X7X0.5 2 FW3 F
45 411 086 4408 WASHER SPR 3 2 SW3 F
46 411 040 7803 SCR PAN 3X12 2 M3X12 PAN
47 411 141 4107 WASHER V 5X10X1 2 FW5
48 411 141 6705 WASHER SPR 5 2 SW5
49 630 000 7763 BOLT,HEX-SCT 2 M5X16
NOTE

MODEL TCM-3000Z
9811-001
ヘッド駆動部 HEAD DRIVING SECTION
Fig. 3-13 カム軸−3 レバー Cam Shaft-3 Lever
2-5
3
4-3
2-3
14
16
15
17
18
19
22
27
33
23
24
25
21
20
2-4
6-2
13
12
11
6
9
8
7
28
30
31
32
85
90-2
90-1
71
86
87
88
76
77
29-1
29-2
29-3
29-4
78
79
72
73
74
75
A
A
2-2
27-1
33
27
33
14
16
15
19
18
17
22
25
24
23
2-3
21
20
6-4
10
11
12
13
6
7
8
9
7
8
9
11
12
13
10
6-1
90-2
90-1
6-5
10
59
58
57
51
53
52
54
55
56
26
28
5-3
5-4
B
B
5-3
5-2
5-1
5
26
4
4-2
4-1
4-3
4-4
26
28
2-1
2
26
29
34
35
36
93
92
91
90
90
27
33
4796A