P-117-001e - 第83页
MODEL TCM-3000Z 981 1-001 4- 3 Key No. PART No. PART NAME Q'ty REMARKS 1 630 002 3169 SPRING,COM P 1 628EB-03H-039 2 630 033 6450 PIN,GUIDE 1 628EB-03H-038 3 630 002 2315 SPRING,COM P 2 628EB-03H-010 4 630 051 8528 …

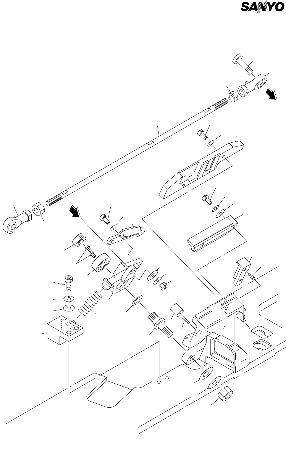
MODEL TCM-3000Z
9811-001
中間ベース部 MIDDLE BASE SECTION
Fig. 4-3 カッター Cutter
4
3
2
1
11
6
12
13
14
10
10-1
.
16
17
18
30
26
27
28
29
33
36
35
32
A
A
34
9
8
7
37
38
39
See Fig.3-14
Key No.23
23
24
25
19
20
21
22

MODEL TCM-3000Z
9811-001
4- 3
Key No. PART No. PART NAME Q'ty REMARKS
1 630 002 3169 SPRING,COMP 1 628EB-03H-039
2 630 033 6450 PIN,GUIDE 1 628EB-03H-038
3 630 002 2315 SPRING,COMP 2 628EB-03H-010
4 630 051 8528 PLATE 1 628EB-03H-001
6 630 048 4946 PIN,HINGE 1 628EB-03B-006
7 411 141 4701 WASHER V 10X21X2 1 FW10
8 411 141 3209 WASHER SPR 10 1 SW10
9 411 141 1106 NUT HEX 10 1 M10
10 630 037 2526 BEARING,PARTS 1 628EB-03H-004
10 630 037 2533 BEARING,PARTS 1 628EB-03H-005
10 630 037 2540 BEARING,PARTS 1 628EB-03H-006
10 -1 630 076 0484 RING 5 628EB-03H-042
11 630 048 4922 LEVER 1 628EB-03B-004
12 630 001 1289 BEARING,RADIAL 1 628EB-03H-003
13 411 051 1708 SCR TRS 4X6 2 M4X6 TRS
14 630 005 0875 BEARING,PARTS 1 628EB-03H-007
16 630 073 8841 PLATE 1 628EB-03B-005
17 411 141 6705 WASHER SPR 5 2 SW5
18 630 000 7732 BOLT,HEX-SCT 2 M5X8
19 630 070 9384 PLATE 1 628EB-03B-002
20 411 141 4107 WASHER V 5X10X1 2 FW5
21 411 141 6705 WASHER SPR 5 2 SW5
22 630 000 7763 BOLT,HEX-SCT 2 M5X16
23 630 048 4915 PLATE 1 628EB-03B-003
24 411 141 6705 WASHER SPR 5 2 SW5
25 630 000 7756 BOLT,HEX-SCT 2 M5X12
26 630 048 4977 BLOCK 1 628EB-03B-009
27 411 141 4305 WASHER V 6X12.5X1.6 2 FW6
28 411 141 3001 WASHER SPR 6 2 SW6
29 630 000 7893 BOLT,HEX-SCT 2 M6X20
30 630 048 9309 SPRING,COMP 1 628EB-03H-008
32 411 141 0901 NUT HEX 8 1 M8
33 630 056 7700 ROD 1 628EB-03B-007
34 630 000 9767 NUT,HEX 1 M8-L
35 630 055 3598 ROD END 1 628EB-03H-011
36 630 048 4960 PIN,HINGE 1 628EB-03B-008
37 411 141 4503 WASHER V 8X17X1.6 1 FW8
38 411 141 3100 WASHER SPR 8 1 SW8
39 411 141 1007 NUT HEX 8 1 M8-3
NOTE

MODEL TCM-3000Z
9811-001
中間ベース部 MIDDLE BASE SECTION
Fig. 4-4 ノズル収納、選択部 Nozzle Storage,Nozzle Level Selector
1
46-1
46-3
46-3
46-2
46-5
56
64
67
68
60
69
70
47
50
49
48
11
26
27
16
17
31
3232
21
22
23
4795R
See Fig.3-13
Key No.29
46-4
12
3636
3737
3838
45
44
43
45
44
43
28
29
30
13
14
15
6-1
2
6
2
57
58
59
63
62
61
See Fig.3-13
Key No.71
18
19
20
3333
3434
3535
42
41
40
39
51
52
53
3
4
5
65
66
71
72
73
74
46