SP-0086-001.pdf - 第12页

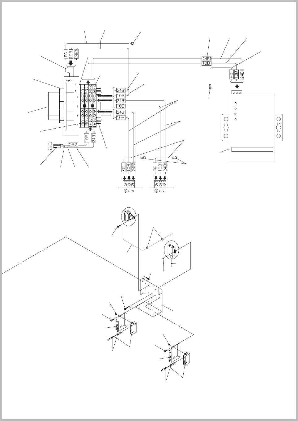
Key No. P AR T No. P AR T NAME Q’ty REMARKS NOTE 495 221AA031 ROHS_HEX-SCT 4 209490003F-005 496 221HA005 W ASHER 4 209490003F-006 497 221HA303 ROHS_W ASHER 4 209490003F-007 4A1 0949A02W OP_P ANEL_RF 1 309490002N-001 4A3 …

100%1 / 62
Fig. D1
1010-001
4F6 4F3 4F4
4F5
4C2
4A7
4A3
4A5
4A4
4A8
4A9
4B0
4B1
4A6
4C4
4C1
4C1
4F1
4C1 4C3
4C2
4C0
4C0
4C0
4B3
4B2
4B9
4B9
4A1
4E3
4D3
4C5
4C5
4E4
4E5
4E1
4D4
4D5
4D1
4E2
4D2
497
496
495
4H2
4B3
4B2
4F8
4F7
DETAIL”A”
DETAIL”B”
A
B
4F2
4G1
4G2
4G3
Fig. D1-5
Key No. PART No. PART NAME Q’ty
REMARKS
NOTE
495 221AA031 ROHS_HEX-SCT 4 209490003F-005
496 221HA005 WASHER 4 209490003F-006
497 221HA303 ROHS_WASHER 4 209490003F-007
4A1 0949A02W OP_PANEL_RF 1 309490002N-001
4A3 0949A00A LAN-HUB 1 309490002N-003
4A4 23N30500 DIN_RAIL 1 309490002N-004
4A5 23N10027 BRACKET_WIRING 2 309490002N-005
4A6 4J320185 TERMINAL 4 309490002N-006
4A7 23N30609 ACCESS_WIRING 1 309490002N-007
4A8 23N30524 ACCESS_WIRING 1 309490002N-008
4A9 23N30610 ACCESS_WIRING 2 309490002N-009
4B0 23K10421 CASE_CONN 1 309490002N-010
4B1 4J300191 CAB_JOINTTERMIN 2 309490002N-011
4B2 4J300015 CAB_JOINTTERMIN 3 309490002N-012
4B3 23N20109 TUBE_WIRING 3 309490002N-013
4B9 221DA053 MACHINE_SCREW 5 309490002N-019
4C0 0980A20F CORD 1 309490002N-020
4C1 0980A20E CORD 1 309490002N-021
4C2 0949A00Y CORD 3 309490002N-022
4C3 23N20103 TUBE_WIRING 18 309490002N-023
4C4 23N30737 ACCESS_WIRING(M 5 309490002N-024
4C5 221AA101 ROHS_HEX-SCT 4 309490002N-025
4D1 0949A02Q USB_HUB 1 3094900038-001
4D2 0949A02V USB_BRACKET 1 3094900038-002
4D3 221DA051 SEMS_PANHEADSCR 4 3094900038-003
4D4 23N20103 TUBE_WIRING 2 3094900038-004
4D5 23N30737 ACCESS_WIRING(M 3 3094900038-005
4E1 0949A02Q USB_HUB 1 3094900039-001
4E2 0949A02V USB_BRACKET 1 3094900039-002
4E3 221DA051 SEMS_PANHEADSCR 4 3094900039-003
4E4 23N20103 TUBE_WIRING 2 3094900039-004
4E5 23N30737 ACCESS_WIRING(M 3 3094900039-005
4F1 09780104 ASSY_Set_NPT_IH 1 3097800102-001
4F2 0978B201 CORD_Height_PCB 1 3097800102-002
4F3 0949A00X CORD 1 3097800102-003
4F4 0949A00W CORD 1 3097800102-004
4F5 0949A00Y CORD 1 3097800102-005
4F6 23N20103 TUBE_WIRING 5 3097800102-006
4F7 23N20115 TUBE_WIRING 1 3097800102-007
4F8 4J300015 CAB_JOINTTERMIN 1 3097800102-008
4G1 4W203562 CORD 1 4097800108-001
4G2 23N20103 TUBE_WIRING 2 4097800108-002
4G3 23N30737 ACCESS_WIRING(M 2 4097800108-003
4H2 221DA053 MACHINE_SCREW 2 1097800100-012
GS-IH100
Fig. D1
1010-001
Fig. D1-5
MEMO