P-0092-002 - 第73页
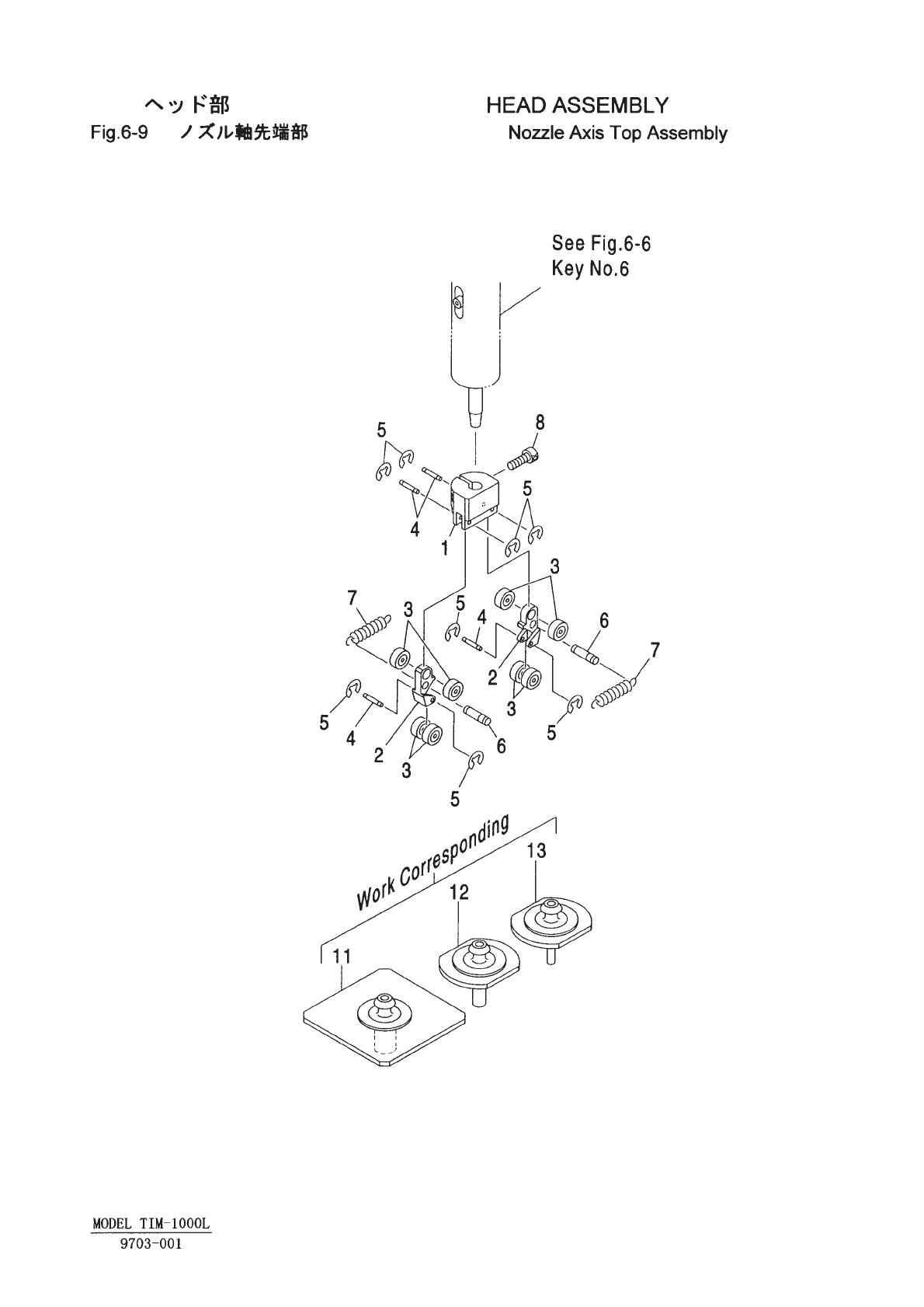
Key No. PART No. PART NAME Q'ty REMARKS REGISTERED No. 1 616 125 8977 HOLDER 1 648HB-11B-035 1CC2FC0507211 2 616 122 2428 LEVER 2 648HB-11B-037 1CC2CC0501041 3 616 122 2671 BALL BEARING 8 648HB-11H-508 1CC2GF4000430…


Key No. PART No. PART NAME Q'ty REMARKS REGISTERED No.
1 616 125 8977 HOLDER 1 648HB-11B-035 1CC2FC0507211
2 616 122 2428 LEVER 2 648HB-11B-037 1CC2CC0501041
3 616 122 2671 BALL BEARING 8 648HB-11H-508 1CC2GF4000430
4 616 122 2442 PIN 4 648HB-11B-041 1CC2SD0502370
5 616 900 0172 RING E 1 8 648HB-11H-509
6 616 122 2435 HOOK 2 648HB-11B-039 1CC2CC3500550
7 616 125 9165 SPRING 2 648HB-11H-510 1CC2GM0505130
8 630 000 7527 BOLT,HEX-SCT 1 M3X10
NOTE
6-9
9703-001
MODEL TIM-1000L
