P-0092-002 - 第85页
在线预览 P-0092-002 PDF 文档。

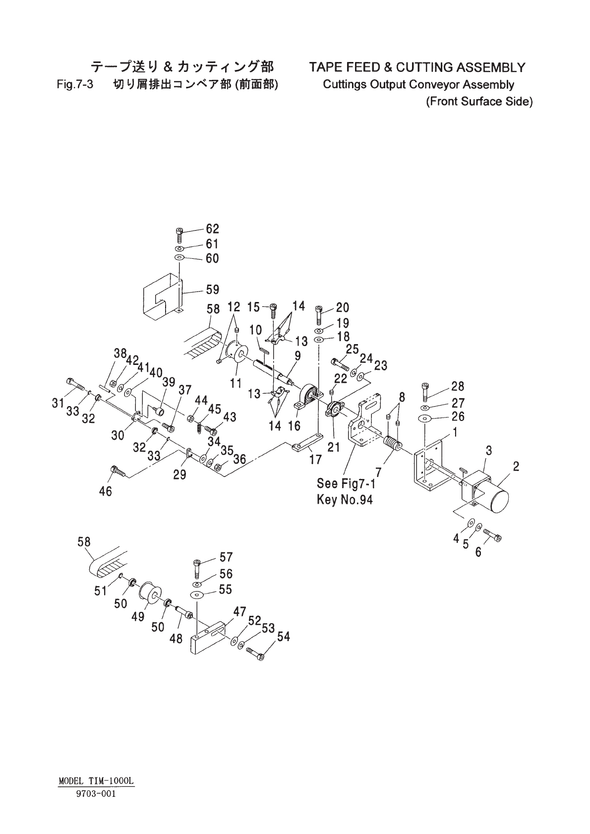
Key No. PART No. PART NAME Q'ty REMARKS REGISTERED No.
94 616 125 7833 BRACKET 1 648JC-11B-014 1CC2FC1005701
95 616 125 7871 SHAFT 1 648JC-11B-021 1CC2GK0503461
96 616 125 7987 PULLEY 1 648JC-11H-510 1CC2GD2003890
97 616 112 1394 BALL BEARING 1 648JC-11H-516 1CC2GF4000140
98 616 121 9626 RING C 12 1 648JC-11H-517 1CC2SC1000040
99 630 001 0244 WASHER 1 BW8
100 411 141 3100 WASHER SPR 8 1 SW8
101 411 141 0901 NUT HEX 8 1 M8
102 630 001 0244 WASHER 2 BW8
103 411 141 3100 WASHER SPR 8 2 SW8
104 630 000 8029 BOLT,HEX-SCT 2 M8X25
105 616 125 7918 BELT 1 648JC-11H-503 1CC2GD1504730
106 630 063 9872 COVER 1 648JC-11B-026
107 411 141 4305 WASHER V 6X12.5X1.6 2 FW6
108 411 141 3001 WASHER SPR 6 2 SW6
109 630 000 7886 BOLT,HEX-SCT 2 M6X16
110 411 141 4107 WASHER V 5X10X1 2 FW5
111 411 141 6705 WASHER SPR 5 2 SW5
112 630 000 7749 BOLT,HEX-SCT 2 M5X10
NOTE
7-2
9703-001
MODEL TIM-1000L

