MSR服务手册.pdf - 第198页
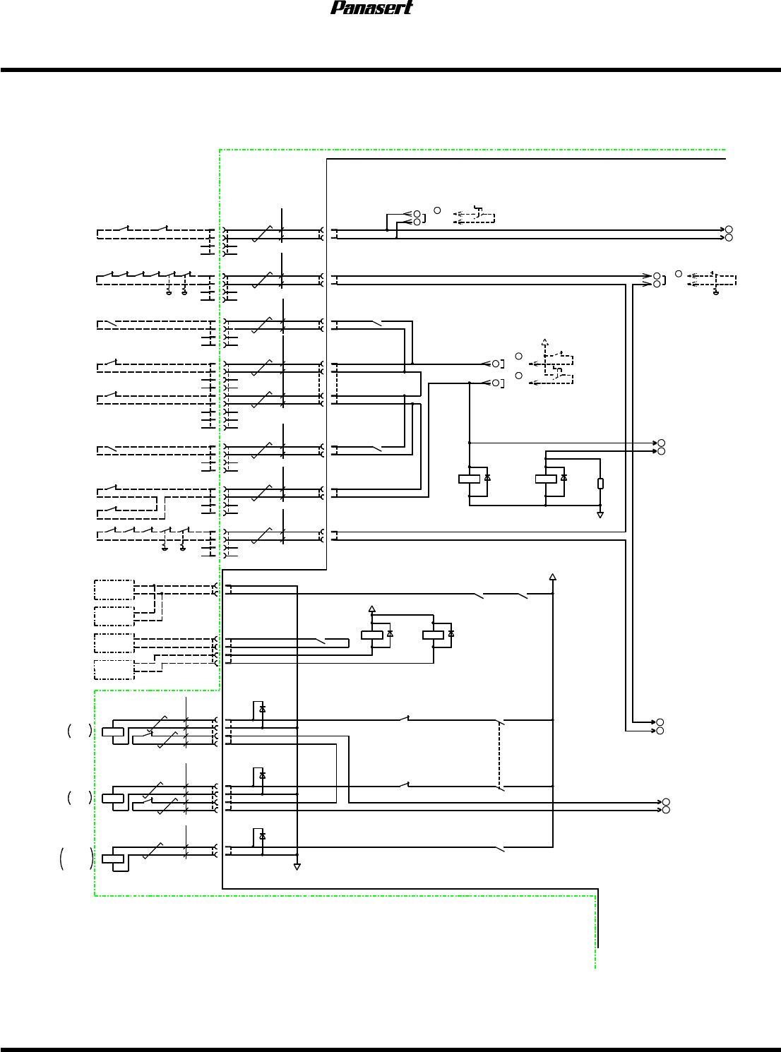
MSR 服务手册 6.5 配电 盘电路图 6 . 5 - 3 D 1 4 S C C - 8 2 - 1 9 0 - A 0 1 2 3 1 2 3 KL1 KL1 4 4 5 5 6 6 7 7 8 8 9 9 10 10 A1 A2 T11 T12 T31 T32 13 14 23 24 +24V 0V INT1 INT2 SFCHK SFCHK B10PVH VHR10N BU BU BU BU BU BU BU BU BU BU…

MSR
服务手册
6.5 配电盘电路图
D14SCC-82-190-A0 6.5-2
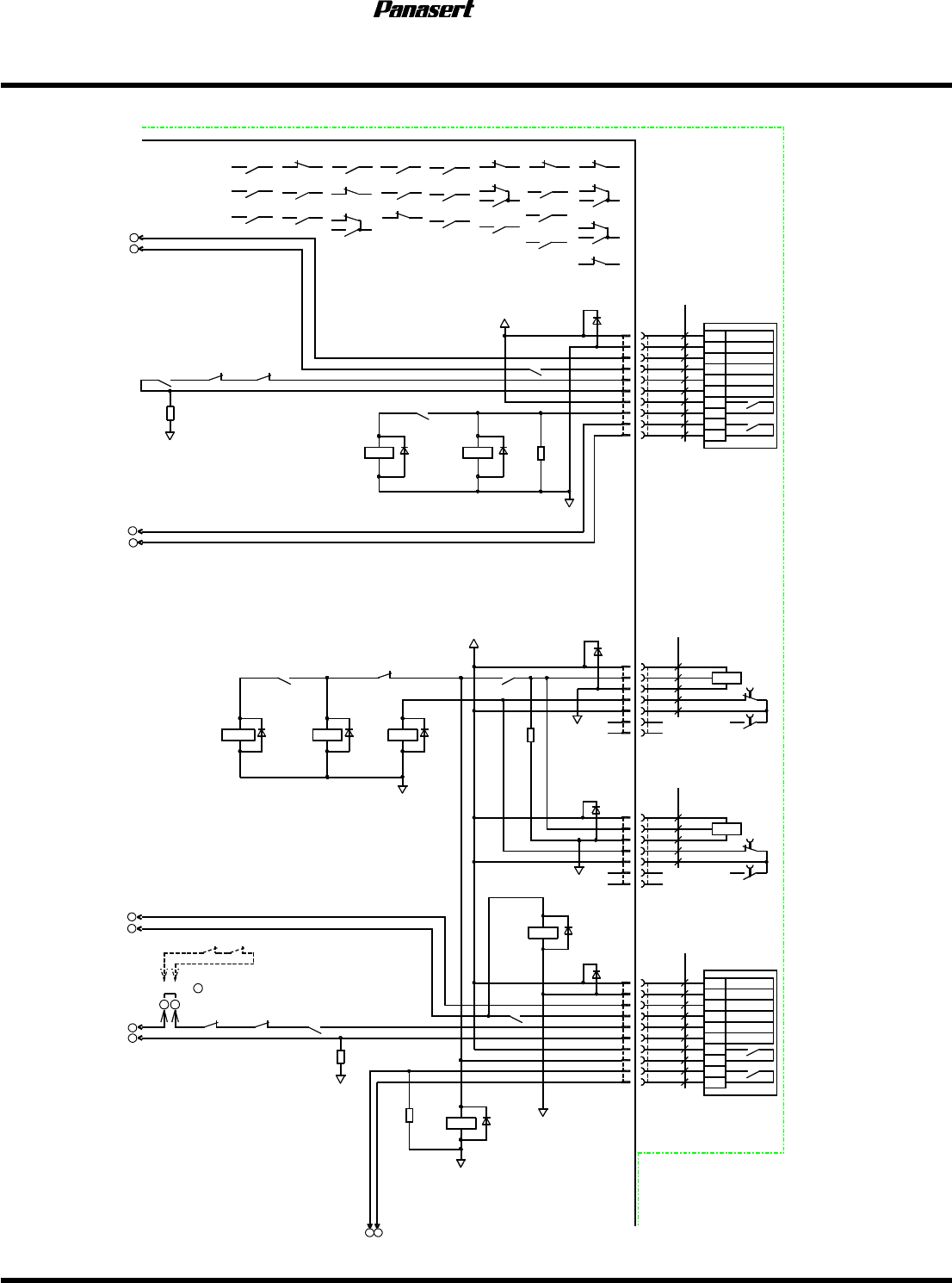
6.5.2 详细图
详细图详细图
详细图
KM5M
-XZETC
-XRINT
-XSBR
-XZLS
1490P1
1
2
3
1
2
3
4
4
1
2
3
1
2
3
-XZLS
4
4
5
5
6
6
7
7
8
8
9
9
1
2
3
1
2
3
4
4
1
2
3
1
2
3
-XRINT
4
4
1
2
3
1
2
3
-XZES
-XZES
44
1
2
1
2
-XZSV
-XZSV
1
2
3
1
2
3
-XZETC
4 4
1
2
3
1
2
3
KM3M
KM3M
44
1
2
3
1
2
3
KM4M
KM4M
44
B4PVH
VHR4N
B4PVH
VHR4N
A
W
G
2
0
A
W
G
2
0
BU
BU
BU
BU
BU
BU
BU
BU
22 21
A2
KM4M
A1
DIL00AMG01DC24V
DIL00AMG01DC24V
A1
KM3M
A2
22 21
Optical module
OUT
Optical module
IN
ZAB parts in replacing
Rear interlock
5569-04A1
5557-04R1
ZA
2.5Kw
P326M/D
ZB
2.5Kw
P326M/D
5569-02A15557-02R1
1490R
1490P1
1490P1
1490R
ZAPL
ZBML ZCL ESR
ESL
ZC center cover (left)
ZC center cover (right)
ZB standby detection
1490P1
1490R
ZB safety cover
ZA safety cover
1292P1
1292R1
1490R
ZA standby detection
V22M
V21M
3DZ41
3DZ41
KA12M
(ZAPC)
KA9M
(ZBPC)
KA12M
V12M
ERA15
-06
KA9M
1
2
1
2
(ZAPC) (ZBPC)
V9M
ERA15
-06
G7S4A2B
DC24V
G7S4A2B
DC24V
+24VEM
KA14M
(RILS)
13
9
1
2
1
2
RINT
RINT
B2PVH
VHR2N
A
W
G
2
0
1
2
1
2
ZES
ZES
A
W
G
2
0
BU
BU
B2PVH
VHR2N
1
2
1
2
SBB
SBB
B2PVH
VHR2N
A
W
G
2
0
1
2
1
2
ZLS
ZLS
3
4
3
4
A
W
G
2
0
B4PVH
VHR4N
BU
BU
BU
BU
BU
BU
BU
BU
1
2
1
2
SBA
SBA
B2PVH
VHR2N
A
W
G
2
0
KA12M
(ZAPC)
KA9M
(ZBPC)
BU
BU
1
2
3
1
2
3
-XFINT
-XFINT
A
W
G
2
0
BU
BU
44
1490P1 1490R
A
B
MSWF
V3M
KA3M
1
2
(RIL)
ERA15
-06
G7S4A2B
DC24V
KA13M
(SVSF1)
913
KA8M
(SVON1)
73
KA11M
(KMON1)
14 13
2324
KA16M
(NOT.D)
24 23
+24VSF
1
2
3
-XMES
-XMES
4
1490P1
1490R
1
2
3
4
A
W
G
2
0
BU
BU
YEPL XEMLXEPL ESR
ESL
YEML
Front cover (left) Front cover (right)
F
G
UES
RUINT
0V
SVSFON
RIL
RIL
ZAPC
ZBPC
ES rear control panel
H
E
MSWR
Maintenance switch
Main body section (power source unit 1)
Maintenance switch
+24VSF
Upper cover
KM5M
A2
A1
1
2
KM5M
VHR2N
A
W
G
2
0
BU
BU
1
2
B2PVH
V23M
ERA15
-06
V14M
KA14M
1
16
(RILS)
ERA15
G6A274P
DC24V
-06
0VSF
1
2
1
2
FINT
FINT
VHR2N
B2PVH
1
2
MES
MES
VHR2N
B2PVH
1
2
R1M
5W
680W
0VSF
M/D SIG
AXIS
Z
AXIS
Z
A
B
OIL
VAC
62 61
62 61
14 13
14 13
(C- 4 )
(C- 5 )
(C- 5 )
(C- 5 )
-XSBL -XSBL
-XSBR
DIL00AMG01DC24V
a
b
c
d
e
f
g
h
A 详细图
前盖(左) 前盖(右)
ZA 备用检测
ZA 安全盖
ZB 安全盖
ZB 备用检测
ZC 中央盖(右)
ZC 中央盖(左)
后部联锁
光模块
ZAB 元件交换中
光模块
后部操作盘
本体部配电单元
维修 SW
上部盖
维修 SW

MSR
服务手册
6.5 配电盘电路图
6.5-3 D14SCC-82-190-A0
1
2
3
1
2
3
KL1 KL1
44
55
66
77
88
99
1010
A1
A2
T11
T12
T31
T32
13
14
23
24
+24V
0V
INT1
INT2
SFCHK
SFCHK
B10PVH
VHR10N
BU
BU
BU
BU
BU
BU
BU
BU
BU
BU
G9S2001DC24V
KL1 (Safety cover)
+24VSF
(SFC)
KA7M
V17M
ERA15
-06
KA4M
(FRIL)
KA3M
(RIL)
V5M
ERA15
-06
KA5M
1
16
KA3M
(RIL)
V4M
ERA15
-06
KA4M
1
2
(FRIL)
G7S4A2B
DC24V
G6A274P
DC24V
51 52 5152
R8M
5W
680W
0VSF
14 13
1
2
3
1
2
3
KL2 KL2
44
55
6
6
77
88
99
1010
A
W
G
2
0
A1
A2
T11
T12
T31
T32
13
14
23
24
+24V
0V
ES1
ES2
SFCHK
SFCHK
B10PVH
VHR10N
BU
BU
BU
BU
BU
BU
BU
BU
BU
BU
G9S2001DC24V
KL2(ES)
0VSF
V15M
ERA15
-06
KA15M
1
16
(ES)
G6A274P
DC24V
KA11M
1
2
(KMON1)
G7S4A2B
DC24V
ERA15
-06
V11M
KA16M
(NOT.D)
14 13
0VSF
V20M
KA10M
1
(ESS)
16
V10M
4
KA7M
(SFC)
8
52 51
KA16M
(NOT.D)
51
KA11M
(KMON1)
52
R4M
5W
680W
0VSF
KA6M
(KTIL)
52 51
KA6M
1
2
(KTIL)
V6M
ERA15
1
2
3
KT1
4
5
6
7
1
2
3
KT1
4
5
6
7
A
W
G
2
0
BU
BU
BU
BU
BU
B7PVH
VHR7N
1
2
3
KT2
4
5
6
7
1
2
3
KT2
4
5
6
7
A
W
G
2
0
BU
BU
BU
BU
BU
B7PVH
VHR7N
KA4M
14
(FRIL)
13
0VSF
-06
139
CD
KM(B- 6 )
KM1M KM2M
+24VSF
V13M
KA13M
1
16
(SVSF1)
ERA15
-06
G6A274P
DC24V
KT1
A1
A2
B1
H3DEM1-600
OFF.D
0.8Sec
KT2
A1
A2
B1
OFF.D
0.8Sec
15
16
16 15
18
18
ERA15
-06
ERA15
-06
G6A274P
DC24V
R5M
5W
680W
(FIL)
V18M
ERA15
-06
ERA15
V19M
-06
0VSF
R3M
5W
680W
1314
KA6M
(KTIL)
KA9M
23
24
KA9M
33
34
KA12M
23
24
KA9M
43
44
KA12M
33
34
G7S4A2B
DC24V
KA4M
33
34
KA4M
43
44
33
34
KA6M
61
62
KA10M
13
9
11
KA11M
61
62
KA11M
43
44
KA6M
43
44
KA6M
2324
KA6M
(KTIL)
KA16M
61
62
0VSF
R2M
5W
680W
0VSF
KA15M
4
8
6
KA3M
23
24
KA3M
33
34
KA3M
43
44
KA3M
61
62
KA4M
23
24
KA4M
61
62
KA5M
13
9
11
KA9M
51
52
KA12M
43
44
51
52
KA14M
4
8
6
H3DEM1-600
KA12M
a
b
c
d
e
f
g
h
i j
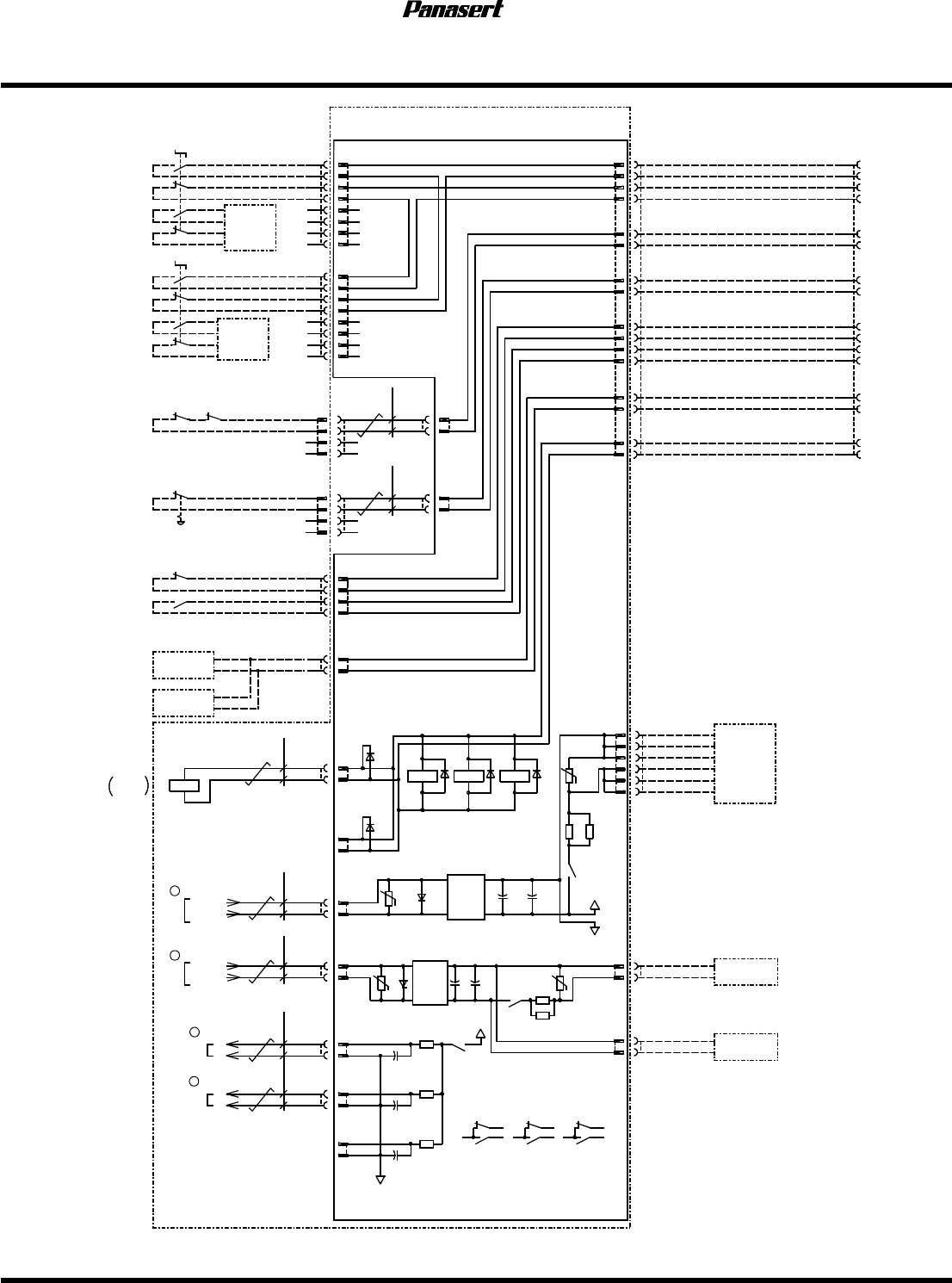
B 详细图
(
安全盖
)

MSR
服务手册
6.5 配电盘电路图
D14SCC-82-190-A0 6.5-4
2.7K
0.33Wy2
1
2
3
-XMSWF
4
5
6
7
5569-08A1
1
2
3
-XMSWF
4
5
6
7
5557-08R
8
8
Front section
Maintenance
switch
Optical module
IN
Fb
Fa
Maintenance switch (front)
1
2
3
-XMSWR
4
5
6
7
5569-08A1
1
2
3
-XMSWR
4
5
6
7
5557-08R
8
8
Rear section
Maintenance
switch
Optical module
IN
Rb
Ra
Maintenance switch (rear)
1
2
-XUINT
1
2
-XUINT
1490P1
1490R
3
3
4
4
A
W
G
2
0
BU
BU
1
2
UINT
1
2
UINT
B2PVH
VHR2N
(Right) (Left)
Rear section upper cover
1
2
-XUES
1490P1
3
4
1
2
-XUES
1490R
3
4
A
W
G
2
0
BU
BU
1
2
UES
VHR2N
1
2
UES
B2PVH
ES rear control panel
1
2
-XHSVPO
5569-04A1
3
4
1
2
-XHSVPO
5557-04R
3
4
Handle lock switch
Head servo switch
P326M/D
VT
400W
P326M/D
CT
400W
1
2
-XUSV
1
2
-XUSV
5557-02R
5569-02A1
1
2
KA5U
B2PVH
V8U
KA2U
(24V1)
ERA15
-06
5
6
G4W1112PUS
TV8DC24V
KA3U
V6U
ERA15
1
16
G6A474P
DC24V
-06
1
2
24VEU1
VHR2N
A
W
G
1
8
BU
BU
1
2
24VEU1
B2PVH
U
RV1U V3U
PSG
CB
B
CG
C1U
+
C2U
47mF
0.1mF
3DZ41
ERZV05D
BNX002-01
470
Z1U
50V 50V
0VEU1
+24VEU1
GS3U
From
1
2
24VEU2
VHR2N
A
W
G
1
8
BU
BU
0VEU2
+24VEU2
GS4U
From
1
2
24VEU2
B2PVH
RV2U V4U
PSG
CB
B
CG
C3U
+
C4U
47mF
0.1mF
ERZV05D
BNX002-01
470
3DZ41
50V 50V
Z2U
1
2
RC1
XHP2
A
W
G
2
2
BU
BU
1
2
RC1
B2BXHA
+
-
GS1U
To
R1U
1/2W
1
2
RC2
XHP2
BU
BU
+
-GS2U
To
1
2
RC2
B2BXHA
R2U
1
2
RC3
B2BXHA
R3U
C5U
50V
C6U
50V
C7U
50V
0VEU1
KA3U
3
7
+24VEU1
1
2
-XUDC24V1
5569-06A1
3
4
1
2
-XUDC24V1
5557-06R
3
4
5 5
6 6
+24VEU1
0VEU1
KA4U
(NOT.D)
ERA15
-06
5
6
(24V2)
V7UV5U
G4W1112PUS
TV8DC24V
1
2
1
2
-XUDC24V2
-XUDC24V2
1
2
1
2
-XUDC24V3
-XUDC24V3
U
RV3U
1
4
KA4U
(24V1)
RV4U
KA2U
(24V2)
41
5569-02A1
5557-02R
5569-02A1
5557-02R
1
2
3
1
2
3
-XJ2SIG
-XJ2SIG
4 4
7
8
7
8
5
6
5
6
15
16
15
16
13
14
13
14
9
10
11
1212
11
9
5557-16R
5569-16A1
UI/F board
Upper section (power source unit 2)
10
11
1
2
3
-XJ1SIG1
7
8
5
6
13
14
15
16
9
4
12
5557-16R
MSWF
MSWF
MSWR
MSWR
RUINT
RUINT
UES
UES
+24V
HLSW
HSVSW
HLSW
0V
SVON
NOT.D
0V
Sensor
Optical module
P922
0V
0V
0V
+24V
+24V
+24V
LED brightness
control BOX
Maintenance
light
+24V
0V
+24V
0V
ERZV05D470
ERZV05D
470
SVON
0V
U
U
10
R4U
5W
0.33Wy2
R5U
0.01mF
0.01mF
0.01mF
1/2W
2.7K
1/2W
2.7K
5W
R6U
R7U
(NOT.D)
KA3U
4
8
6
KA3U
13
9
11
KA3U
14
10
12
0
KA1U
1
G7L2ABUBDC24V
1
2
KA1U
A
W
G
2
0
BU
BU
VHR2N
1
2
KA1U
B2PVH
ERA15-06
V2U
ERA15-06
*1 : The control circuit of the power source unit 1 is shown in the bold single
dot chain line.
(FB-2845)
M30467-36-250
Signal tower
VT.CT
AXIS
(C- 7 )
36-107
(C- 7 )
36-107
(D- 6 )
36-107
(E- 6 )
36-107
C 详细图
维修 SW(前)
维修 SW(后)
前部
维修 SW
光模块
IN
前部
维修 SW
光模块
IN
后部顶盖
(右) (左)
ES 后部操作盘
手柄锁 SW
头伺服 SW
UIF/基板
※1:1
断续线粗线内表
示配
电装置
1
控制线路
维修灯
LED
亮度
控制 BOX
传感器
光模块
P922
室内信号灯