00191025-01 - 第462页
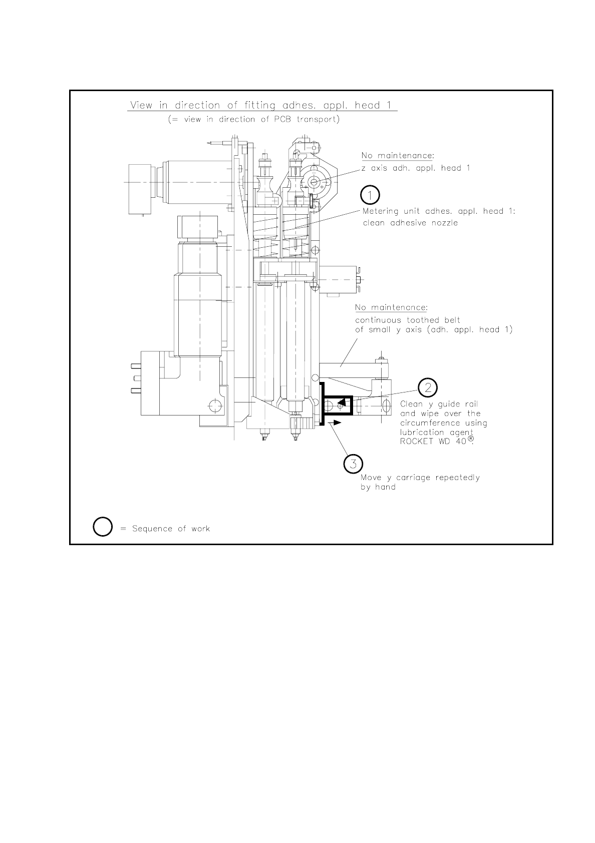
SIPLACE 80S/F/G User’s Manual 9 Maintenance Edition 07/97 from S oftware Version SR.010.xx 9.9 Adhesive Application Heads 1, 2 and 3 9 - 103 Fig. 9. 9.3 Maintenance work on adhesive application head 1

9 Maintenance SIPLACE 80S/F/G User’s Manual
9.9 Adhesive Application Heads 1, 2 and 3 Edition 07/97 from Software Version SR.010.xx
9 - 102
●
Move the adhesive application head to the service position (see 'Gantry Functions, Section 10.7.4.1 of this
user's manual.
DANGER
∆
!
∆
!
∆
!
Switch the automatic placement system off at the main switch and disconnect from the power supply.
●
Open the corresponding cover / door.
●
Clean the guide rail of the small x axis (adhesive head 2) with a dry, clean cloth.
●
With a new cloth apply a small quantity of ROCKET WD 40 ® to the outer face of the rail
(see Fig. 9.9.2 ). Move the carriage by hand repeatedly and remove excessive lubrication agent.
●
Next carry out maintenance in the same way on the guide rail of the small y axis of adhesive head 1
(see Fig. 9.9.3).
Adhesive head 3 does not have a guide rail requiring maintenance.

SIPLACE 80S/F/G User’s Manual 9 Maintenance
Edition 07/97 from Software Version SR.010.xx 9.9 Adhesive Application Heads 1, 2 and 3
9 - 103
Fig. 9.9.3 Maintenance work on adhesive application head 1

9 Maintenance SIPLACE 80S/F/G User’s Manual
9.9 Adhesive Application Heads 1, 2 and 3 Edition 07/97 from Software Version SR.010.xx
9 - 104
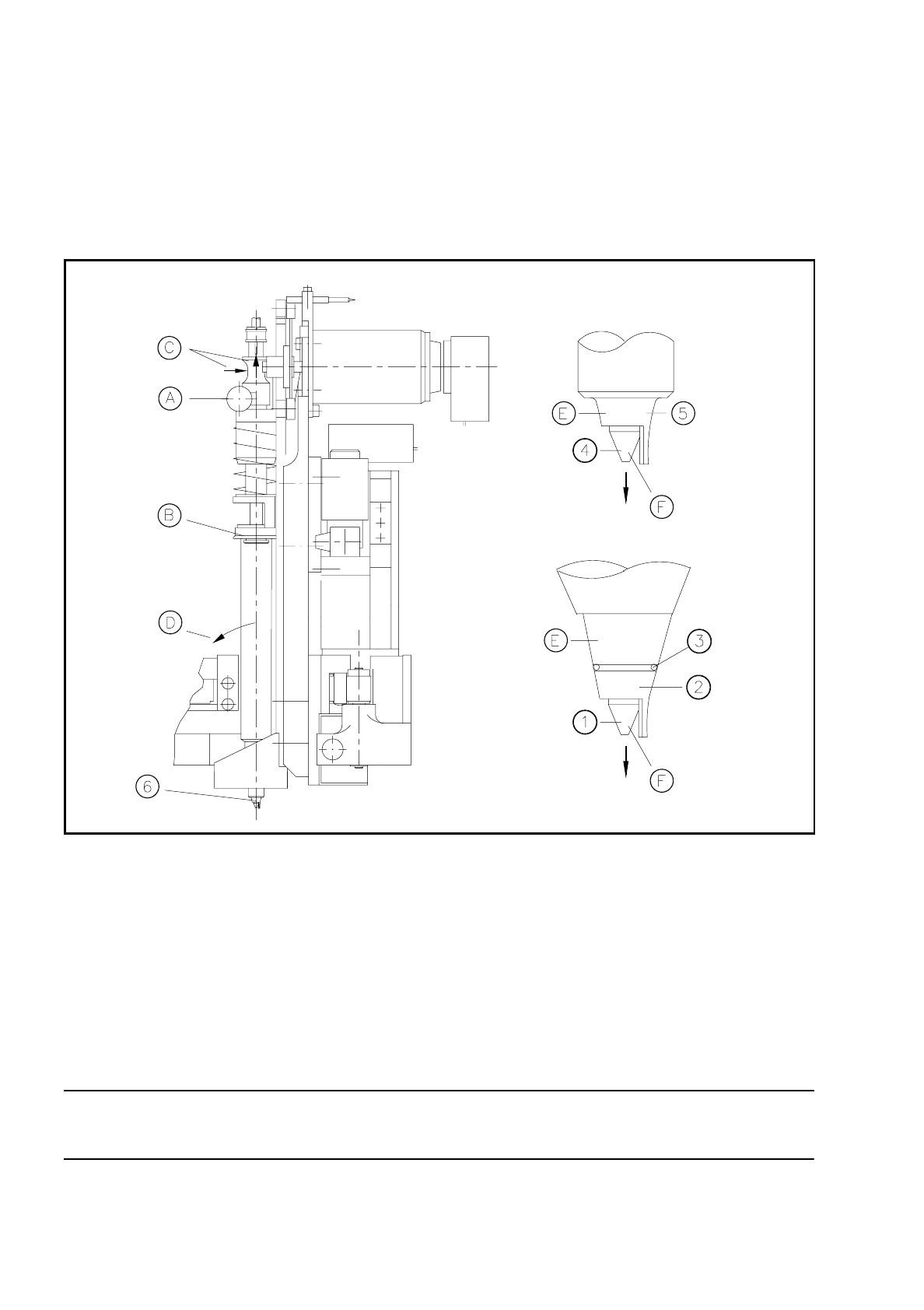
9.9.3 Removing the Glue Cartridges and Cleaning the Glue Nozzles
9.9.3.1 Removing the Glue Cartridges and Detaching the Glue Nozzle
Fig. 9.9.4 Removing the glue cartridge and detaching the glue nozzle
Key to Fig.9.9.4 Sequence in Fig. 9.9.4
NOTE
The spacers of adhesive heads 1 and 2 are identical.
1 Conical glue nozzle
2Spacer
3 Split washer
4 Cylindrical glue nozzle
5Spacer
6 Glue nozzle with spacer
A Loosen the knurled screw
B Hold against the cartridge
C Hold the dispenser unit and pull up
D Swivel the cartridge out a little and lift up to remove
E Turn the spacer and pull down to remove
F Unscrew the glue nozzle