QEJM5B-E-MPA-11 - 第39页
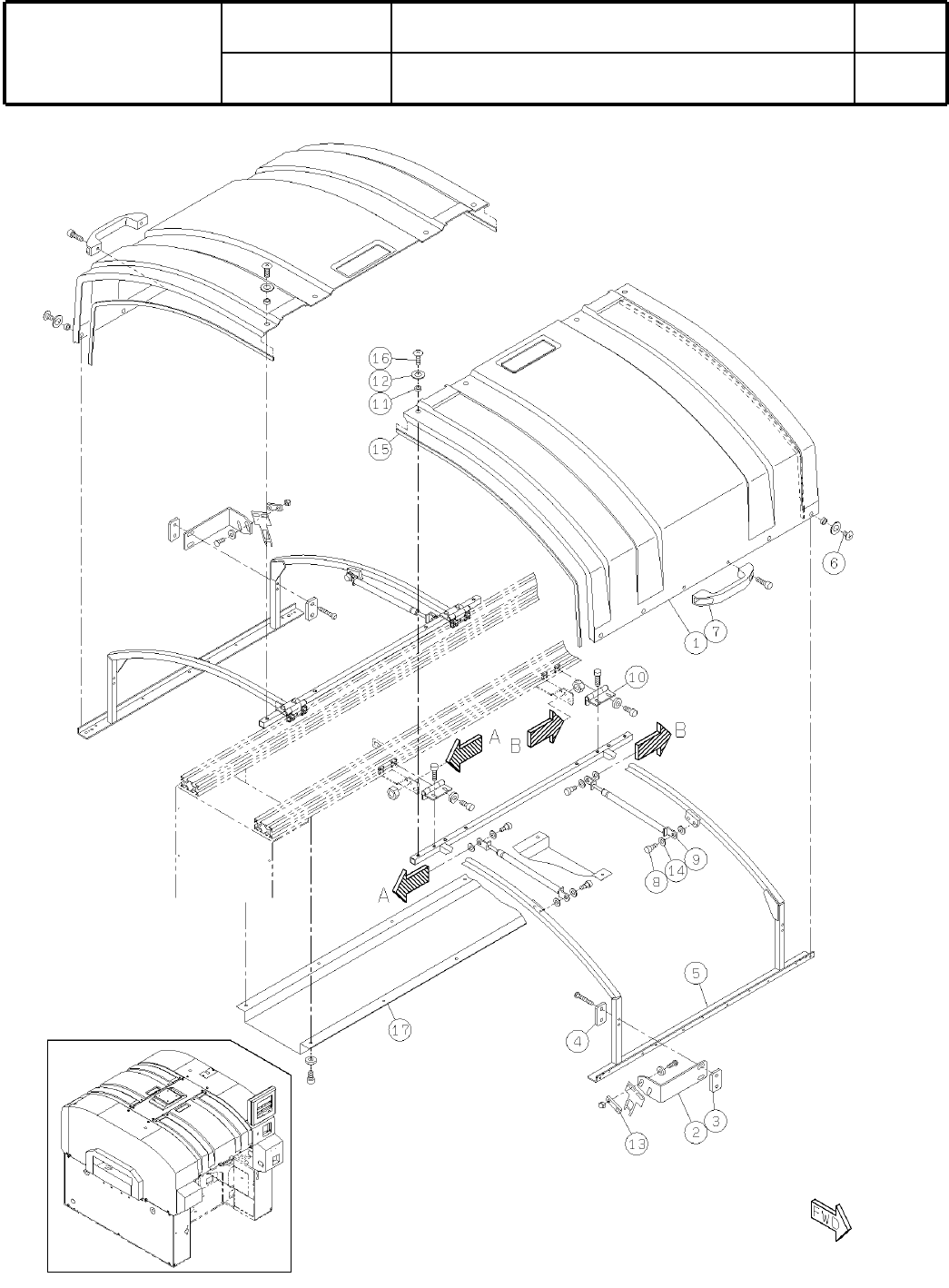
Ref No. Remarks R 1 Q't y 2-A 全 体 カバー Whole Cover イラスト No. Part No. 品 名 品番 数量 R 2 パーツリスト Kit No . キット品 番 Kit Name キット名称 N610043944AA Part N ame 備 考 セクションNo. PARTS LIST Section No. R 3 COVER 1 1 N210093249AB COVER 1 …

2-A
全
体
カバー
Whole Cover
パーツレイアウト
Kit No.
キット品
番
Kit Name
キット名称
N610043944AA
セクションNo.
PARTS LAYOUT
Section No.
M19

Ref
No.
Remarks
R
1
Q't
y
2-A
全
体
カバー
Whole Cover
イラスト
No.
Part No.
品 名品番 数量
R
2
パーツリスト
Kit No.
キット品
番
Kit Name
キット名称
N610043944AA
Part Name
備 考
セクションNo.
PARTS LIST
Section No.
R
3
COVER
1
1 N210093249AB
COVER
1
2 N210093250AB
COVER
1
3 N210082265AB
COVER
1
4 N210085060AA
COVER
1
5 KXFB09XNA00
COVER
2
6 N210063790AB
COVER
1
7 N210006136AA
COVER
1
8 N210078868AC
COVER
4
9 N210070632AB
DUCT
1
10 N210085056AB
COVER
1
11 N610056264AD
COVER
1
12 N610056265AD
CAP
2
13 KXF0DLNAA01
CP-328-B-4 hole process ivory(DA KXF0DLNAA01)
CAP
44
14 KXF0DLPAA01 CP-328-B-6 hole process ivory(DDA)
BOLT
2
15 N510017614AA
Hexagon socket Flat head bolt M4X10-10.9 A2J (Trivalent)
BOLT
44
16 N510017645AA
Hexagon socket Flat head bolt M6X12-10.9 A2J (Trivalent)
SCREW
7
17 N510018279AA
Cross recessed Truss head machine screw M4X6-4.8 A2J (Trivalent)
SCREW
14
18 N510018282AA
Cross recessed Truss head machine screw M4X8-4.8 A2J (Trivalent)
SWITCH
2
19 N510015338AA
S
D4NS-1BF
URETHANE
4
20 N510028799AA 87AXNHK20-35
SPACER
4
21 N510028800AA CB-535E
CABLE-GLAND
2
22 KXF06F4AA00 ST13.5
SPACER
2
24 KXF01AAAA00 BSU-415
WASHER
2
25 KXF0DYNPA00 WSSB6-4-2
SPACER
2
26 KXF06PVAA00 BSU-425
TRIM
1
27 N610067477AA
NUT
8
28 N510022614AA Domed cap nut Type-3 M4-4T A2J (Trivalent)
FAN-GUARD
2
29 KXFP6FLYA00 109-719
FAN(130mm)
1
30 N610058693AA
COVER
3
31 N210085055AA
SPACER
4
32 N510019893AA ASF-430E
SCREW
4
33 XXE4D25FT
Hexagon socket set screw Cup point M4X25-45H SOB
COVER
2
34 N210093248AB
BOLT
1
35 XVG5A12VW Hexagon head bolt Best class M5X12-6g A2-70
M20

2-B
全
体
カバー
Whole Cover
パーツレイアウト
Kit No.
キット品
番
Kit Name
キット名称
N610043944AA
セクションNo.
PARTS LAYOUT
Section No.
M21