KD-2077_使用说明书 - 第180页
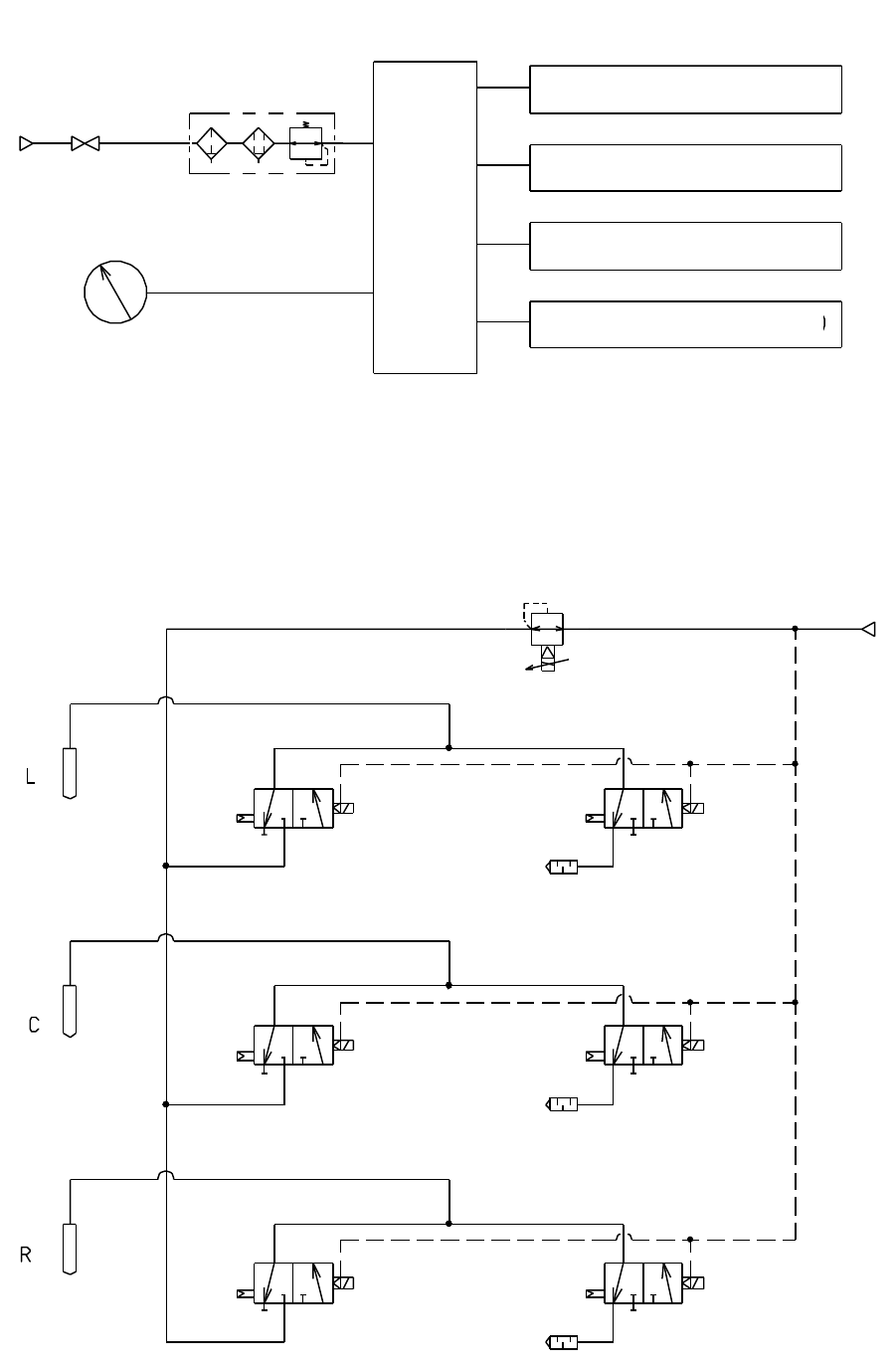
第 1 部 基本篇 第 3 章 维护 3 - 4 配管系统图 (全体 ) 点胶头点胶电路 点胶头选择器电路 基板传送、试胶单元 抽气单元(可选项) 点胶头点胶电路图 多路接口模块

第 1 部 基本篇 第 3 章 维护
3
-
3
检查项目
・3-2-2 管道及接头
实施频度 : 每周
检查内容 检查气压管道部分是否漏气
1) 请确认没有漏气
检查项目
・3-2-3 各单元气缸
实施频度 : 每周
检查内容 检查各气缸的动作
1) 主机接通电源后,请选择「手动控制」项目,检查下列各项目的动作状况。
① 基板停止挡销部
② 夹杆 Y
✎
手动控制
✎
在确认各项动作、检查传感器的开/关情况时,执行手动控制模式。
有关手动控制的详细内容,请参见“第 8 章 手动控制”。
2) 动作存在问题时,请参考下一页的“配管系统图”实施检查。
检查漏气
<右侧深处>
销阀
在主画面上选择 后,
显示手动控制模式。

第 1 部 基本篇 第 3 章 维护
3
-
4
配管系统图(全体)
点胶头点胶电路
点胶头选择器电路
基板传送、试胶单元
抽气单元(可选项)
点胶头点胶电路图
多路接口模块

第 1 部 基本篇 第 3 章 维护
3
-
5
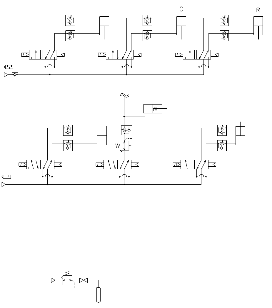
点胶头选择器电路
基板传送、试胶单元
试胶单元
停止挡销
抽气单元(可选项)
注射器
Y 垫圈