KD-2077_使用说明书 - 第36页
第 1 部 基本篇 第 1 章 设备概要 1 - 23 1-2-10 略语说明 略语 意 义 中文 英语 BMR 坏板标记识别器 (Bad Mark Reader) EPU 外 部编程装置 (External Programm ing Unit) HOD 手控操作盘 (Handheld Operatin g Device) IS 智能车间解 决方案 (Intel ligent Shopf loor Solutions) OCC 位置校正…

第 1 部 基本篇 第 1 章 设备概要
1
-
22
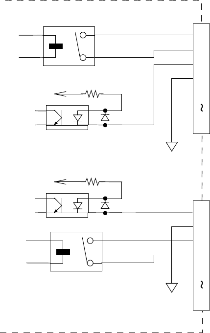
◇ READY OUT(IN)信号与 BOAD AVAILABLE 信号的接口电路如图 1-2-9-4 所示。
GND
(
24V
)
+
+ 24
V
_
3.3K 1/4W
READY OUT +
BOAD AVAILABLE IN +
READY OUT -
BOAD AVAILABLE IN -
N.C.
1
2
3
4
5
14
READY IN +
BOAD AVAILABLE OUT +
READY IN -
BOAD AVAILABLE OUT -
N.C.
1
2
3
4
5
14
+ 24
V
_
3.3K 1/4W
+
GND
(
24V
)
图 1-2-9-4

第 1 部 基本篇 第 1 章 设备概要
1
-
23
1-2-10 略语说明
略语
意 义
中文 英语
BMR 坏板标记识别器 (Bad Mark Reader)
EPU 外部编程装置 (External Programming Unit)
HOD 手控操作盘 (Handheld Operating Device)
IS 智能车间解决方案 (Intelligent Shopfloor Solutions)
OCC 位置校正摄像机 (Offset Correction Camera)
PWB 基板 (Printed Wiring Board)

第1部 基本篇 第1章 设备概要
1
-
24
1-3 基本操作
1-3-1 画面的构成
图 1-3-1-1 桌面画面(例)
① 标题栏
②
菜单栏
④
工具栏
⑦
状态栏
⑨
语言切换按钮
⑧
命令按钮