00191158-01 - 第164页
6 Komponenttikäsittely Käyttöohje SIPLACE 80S-20/F4/F4-6/F5 6.3 Komponenttipöydät Painos 03/98 CE FIN ohjelmaversiosta SR.404.xx 6 - 12 Nosta var ovas ti komp onentti vaiht opöytä nostovau nulla niin yl ös, kunne s ke sk…

Käyttöohje SIPLACE 80S-20/F4/F4-6/F5 6 Komponenttikäsittely
Painos 03/98 CE FIN ohjelmaversiosta SR.404.xx 6.3 Komponenttipöydät
6 - 11
6.3 Komponenttipöydät
6.3.1 Toiminta
Ladonta-automaatit SIPLACE 80S-20/F
4
/F
4
-6/F
5
on varustettu vaihtokelpoisilla komponenttipöydillä. Nämä
komponenttipöydät voidaan vaihtaa suhteellisen vähäisin kustannuksin.
6.3.2 Komponenttipöytien vaihtaminen
6.3.2.1 Tarpeelliset työkalut
6.3.2.2 Purkaminen
VAROITUS
Vaihtaessasi komponenttipöydän, noudata alla kuvattua järjestystä, jossa irrotat pistokkeen kommunikaatio-
yksiköltä ja liitä takaisin. Muussa tapauksessa saattaa ilmetä komponenttipöydällä häiriöitä.
VAROITUS
Aja portaali komponenttipöydän alueelta piirilevykuljettimen yli. Niin estät pään törmäyksen.
VAARA
Paina HÄTÄ-SEIS-painiketta. Portaaliakselit kytketään vapaiksi.
Vältä tarkoituksetonta portaalin irtautumista ja mahdollista siitä johtuvia loukkaantumisia tai vahinkoja.
Vedä komponenttipöydän virransyöttöpistoke irti (2).
Vedä kommunikaatiopistoke irti (1).
Vedä tarvittaessa komponenttipöydän paineilmaliitäntä irti (3).
Työnnä nostovaunu komponenttipöydän alle (A).
Irrota komponenttipöydän kiinnityksen molemmat kuusiokoloruuvit (5).
Avaa vaakakiinnitin (7).
Artikkelinumero
Kuusiokoloavain, sarja
Vaihtopöytänostovaunu 00123141-01

6 Komponenttikäsittely Käyttöohje SIPLACE 80S-20/F4/F4-6/F5
6.3 Komponenttipöydät Painos 03/98 CE FIN ohjelmaversiosta SR.404.xx
6 - 12
Nosta varovasti komponenttivaihtopöytä nostovaunulla niin ylös, kunnes keskityspultit (8) ovat porausten
ulkopuolella.
Vedä nyt komponenttivaihtopöytä ulos.
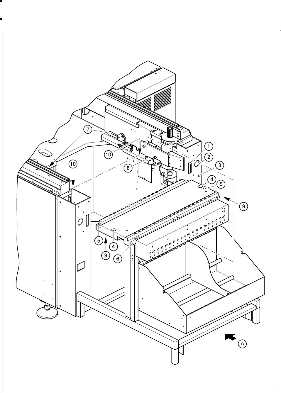
Kuva 6.3.1 Komponenttivaihtopöydän purkaminen

Käyttöohje SIPLACE 80S-20/F4/F4-6/F5 6 Komponenttikäsittely
Painos 03/98 CE FIN ohjelmaversiosta SR.404.xx 6.3 Komponenttipöydät
6 - 13
- Seloste kuvaan 6.3.1
6.3.2.3 Kokoaminen
Varo komponenttipöydän ja koneen (9 ja 10) puhtaita päällyspintoja.
Nosta komponenttipöytää nostovaunulla ja nosta komponenttipöytää ylös niin, että tämä ei voi sisääntyön-
nössä tarttua mistään koneeseen.
Työnnä komponenttipöytää varovasti niin pitkälle koneeseen, että komponenttipöydän keskitystappien
kiinnitysreiät menevät keskityspulttien yli (4 ja 8).
Laske komponenttipöytää varovasti alas, kunnes komponenttipöytä on vastaanottotelineellä.
Lukitse kiinnitysvipu (7).
Kiinnitä ensin litteä pistoke tietoliikennettä varten.
Kiinnitä molemmat kuusiokoloruuvit ja vedä ne tiukasti kiinni (5).
Kiinnitä pyöreä pistoke virransyöttöä varten.
Lukitse suojakotelot.
Avaa HÄTÄ-SEIS-painike.
1) Liitos kommunikaatioliitäntää varten
2) Liitäntä komponenttivaihtopöydän virransyöttöä varten
3) Paineilman liitospää
4) Poraukset keskityspulteille
5) Kuusiokoloruuvit komponenttivaihtopöydän kiinnitystä varten
6) Komponenttivaihtopöydän asetuspinta
7) Vaakakiinnitin
8) Keskityspultit
9)
Komponenttipöydän päällyspinnat
10)Koneiden päällyspinnat
A Vaihtopöytänostovaunun sissäntyöntäminen