00191158-01 - 第169页
Käyttöohje SIPLACE 80S-20/F4/F4-6/F5 6 Komponenttikä sittely Painos 03/98 CE FIN ohjelmave rsiosta SR.404.xx 6.5 Kelakontti (uusi ryhm ä) 6 - 17 6.5 Kelakontti (uusi ryhmä) 6.5.1 Yleist ä Void aan kä yttää 1 5" ke l…

6 Komponenttikäsittely Käyttöohje SIPLACE 80S-20/F4/F4-6/F5
6.4 Tyhjänauhaleikkauslaite SIPLACE 80S-20/F4/F4-6-automaateilla Painos 03/98 CE FIN ohjelmaversiosta SR.404.xx
6 - 16
6.4.2 Nauhan johtaminen leikkauslaitteelle
OHJE
Käytä SIPLACE 80 S20/F
4
-ladonta-automaatissa ainoastaan tähän koneeseen suunniteltua nauhasyöttömo-
duulia. Syöttömoduulien edessä on tyhjien nauhojen kuljetetuskanava, jossa tyhjät nauhat kuljetetaan pois.
Aseta nauhasyöttimelle, kuten kuvattu vastaavassa kohdassa.
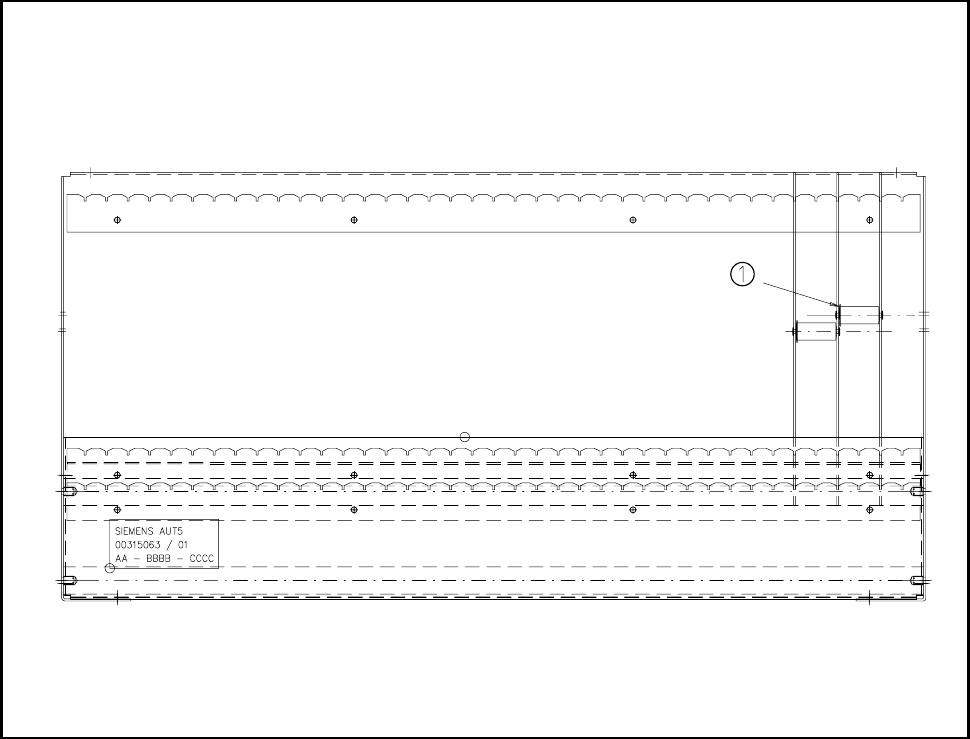
Ohjaa tyhjä nauha tyhjien nauhojen kuljetetuskanavaan, kuten kuvassa 6.4.2 esitetään.
Kuva 6.4.2 Nauhan johtaminen leikkauslaitteelle
- Seloste kuvaan 6.4.2
1) Tyhjien nauhojen kuljetuskanava 2) Tyhjä nauhat
3) Nauhansyöttömoduuli 4) Leikkauslaitteelle

Käyttöohje SIPLACE 80S-20/F4/F4-6/F5 6 Komponenttikäsittely
Painos 03/98 CE FIN ohjelmaversiosta SR.404.xx 6.5 Kelakontti (uusi ryhmä)
6 - 17
6.5 Kelakontti (uusi ryhmä)
6.5.1 Yleistä
Voidaan käyttää 15" keloja.
6.5.2 Yleiskatsaus
Kuva 6.5.1 Kelakontti - päällyskuva
- Seloste kuvaan 6.5.1
1) Pistoakselit on varattu nauhamoduuleille
- Jakoetäisyys välipeltejä varten puolitettu (15,8 mm)
- Kelahalkaisija muokattavissa maks. 15" saakka.
- 15" kelat ainoastaan yläurassa tai loppu tangoissa
- Väliseinät ovat taaksepäin yhteensopivia

6 Komponenttikäsittely Käyttöohje SIPLACE 80S-20/F4/F4-6/F5
6.5 Kelakontti (uusi ryhmä) Painos 03/98 CE FIN ohjelmaversiosta SR.404.xx
6 - 18
OHJE
Suurilla keloilla (> 5") täytyy käyttää pistoakseleita kuljettimien käyttöturvallisuuden takaamiseksi.
Kuva 6.5.2 Nauhakontti - sivukuva (nauhan kanssa)