00191158-01 - 第34页
0 Johdanto Käyttöohje SIPLACE 80S-20/F4/F4-6/F5 0.4 Kokoonpanokatsaus Painos 03/98 CE FIN ohjelmaversiosta SR.404.xx 0 - 30 0.4.6 Yleiskatsa us 6-suuttimiseen revolveri päähän, jossa vakiokompo- nenttien näyttöjärjestel …

Käyttöohje SIPLACE 80S-20/F4/F4-6/F5 0 Johdanto
Painos 03/98 CE FIN ohjelmaversiosta SR.404.xx 0.4 Kokoonpanokatsaus
0 - 29
0.4.5 Yleiskatsaus 12-suuttiminen revolveripää
Kuva 0.4.5 Yleiskatsaus 12-suuttiminen revolveripää
- Seloste kuvaan 0.4.5
1) Piirilevy komponenttien valaistusohjaukseen 2) Pinolit (1 - 12)
3) Purkupaikan asetusyksikkö 4) Tähtikäyttö
5) Välijakajapiirilevy 6) Z-akselikäyttö
7) Komponenttikamera 8) Komponenttien valaistusjärjestelmä
008
008
1
2
3
4
5
6
7
8

0 Johdanto Käyttöohje SIPLACE 80S-20/F4/F4-6/F5
0.4 Kokoonpanokatsaus Painos 03/98 CE FIN ohjelmaversiosta SR.404.xx
0 - 30
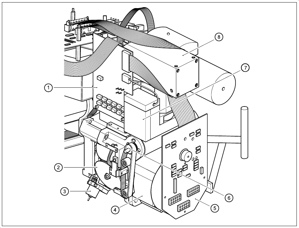
0.4.6 Yleiskatsaus 6-suuttimiseen revolveripäähän, jossa vakiokompo-
nenttien näyttöjärjestelmä
Kuva 0.4.6 Yleiskatsaus 6-suuttimiseen revolveripäähän, jossa vakiokomponenttien näyttöjärjestelmä
- Seloste kuvaan 0.4.6
1) Piirilevy komponenttien valaistusohjaukseen 2) Pinolit (1 - 6)
3) Purkupaikan asetusyksikkö 4) Tähtikäyttö
5) Välijakajapiirilevy 6) Z-akselikäyttö
7) Komponenttikamera 8) Vakiokomponenttien valaistusjärjestelmä
5
6
7
1
4
2
3
8

Käyttöohje SIPLACE 80S-20/F4/F4-6/F5 0 Johdanto
Painos 03/98 CE FIN ohjelmaversiosta SR.404.xx 0.4 Kokoonpanokatsaus
0 - 31
0.4.7 Yleiskatsaus 6-suuttimiseen revolveripäähän, jossa komponent-
tinäyttöjärjestelmä Flip-Chip-komponenteille, Bare Dies- ja
vakiokomponenteille (DCA-optio)
Kuva 0.4.7 Yleiskatsaus 6-suuttimiseen revolveripäähän, jossa komponenttinäyttöjärjestelmä Flip-Chip-komponenteille,
Bare Dies- ja vakiokomponenteille (DCA-optio)
- Seloste kuvaan 0.4.7
1) Piirilevy komponenttien valaistusohjaukseen 2) Pinolit (1 - 6)
3) Purkupaikan asetusyksikkö 4) Tähtikäyttö
5) Välijakajapiirilevy 6) Z-akselikäyttö
7) Komponenttikamera 8) Komponenttien valaistusjärjestelmä Flip-Chip-
komponenteille, Bare Dies- ja vakiokomponenteille
(DCA-optio)