00191158-01 - 第37页
Käyttöohje SIPLACE 80S-20/F4/F4-6/F5 0 Johdanto Painos 03/98 CE FIN ohjelmave rsiosta SR.404.xx 0.4 Kokoonpanokatsaus 0 - 33 0.4.9 Yleiskatsaus portaali in Kuva 0.4.9 Yleiskatsaus portaaliin - Seloste ku vaan 0.4. 9 1) R…

0 Johdanto Käyttöohje SIPLACE 80S-20/F4/F4-6/F5
0.4 Kokoonpanokatsaus Painos 03/98 CE FIN ohjelmaversiosta SR.404.xx
0 - 32
0.4.8 Yleiskatsaus IC-päähään
Kuva 0.4.8 Yleiskatsaus IC-päähään
- Seloste kuvaan 0.4.8
1) Pinoli 2) Vakuumisuutin
3) Pipetti 4) Komponenttinäyttöjärjestelmä
5) Flip-chip-näyttöjärjestelmä
1
2
3
4
5

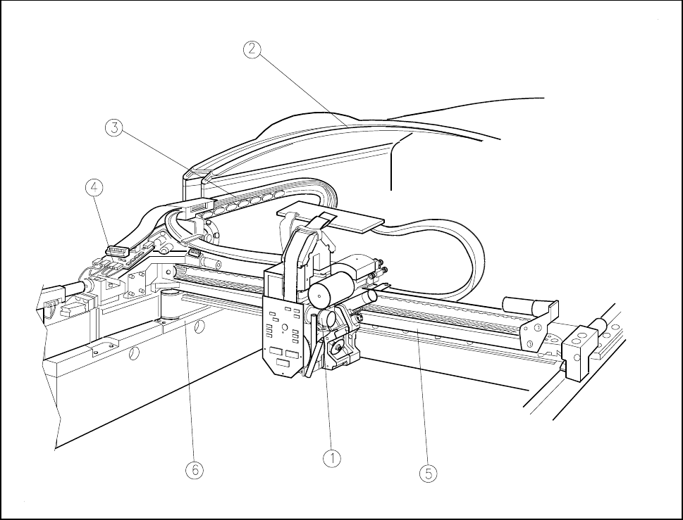
Käyttöohje SIPLACE 80S-20/F4/F4-6/F5 0 Johdanto
Painos 03/98 CE FIN ohjelmaversiosta SR.404.xx 0.4 Kokoonpanokatsaus
0 - 33
0.4.9 Yleiskatsaus portaaliin
Kuva 0.4.9 Yleiskatsaus portaaliin
- Seloste kuvaan 0.4.9
1) Revolveripää 2) Suojavaippa
3) Kaapelihinausköysi 4) Siirtopiirikortti-portaaliakselit
5) X-akseli 6) Y-akseli

0 Johdanto Käyttöohje SIPLACE 80S-20/F4/F4-6/F5
0.4 Kokoonpanokatsaus Painos 03/98 CE FIN ohjelmaversiosta SR.404.xx
0 - 34
0.4.10 Yleiskatsaus painopiirilevykuljetukseen
Kuva 0.4.10 Yleiskatsaus painopiirilevykuljetukseen
- Seloste kuvaan 0.4.10
1) Syöttöhihna 2) Keskihihna
3) Ulostulohihna 4) Piirilevyjen käsittelyn ohjaus/nostopöytä
5) Indukt. kytkin syöttöhihnan valvontaan 6) Nostopöytä
7) Indukt. kytkin keskihihnan valvontaan 8) Piirilevyjen pysäytin
9) Indukt. kytkin leveydensäätöön 10) Indukt. kytkin ulostulohihnan valvontaan
r