00192732-05 - 第66页
维护 预防性维护 S 9 每 4 个月维护 贴片头 / 仅 S-20, S-23, S-25 HM 2003 年 3 月版 66

预防性维护 S 维护
2003 年 3 月版 9 每 4 个月维护 贴片头 / 仅 S-20, S-23, S-25 HM
65
真空发生器 9
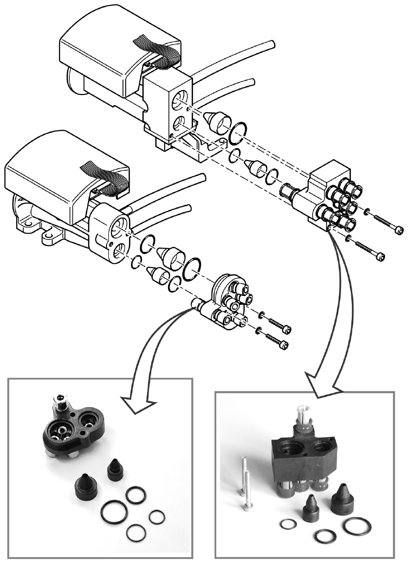
① 拆下真空发生器软管。
(使用 DLM 1 和 DLM 1-6 贴片头维护箱中的钳子)。 9
9
9
9
9
我们建议在拆下压缩空气软管之前,加贴标签或作标记。 9
DLM1 贴片头的软管已贴标签,且软管的分配已固定。 9
9
② 用 2.5 mm 内六角螺丝拧松带 2 个文氏管吸嘴的块。

维护 预防性维护 S
9 每 4 个月维护 贴片头 / 仅 S-20, S-23, S-25 HM 2003 年 3 月版
66
预防性维护 S 维护
2003 年 3 月版 9 每 4 个月维护 贴片头 / 仅 S-20, S-23, S-25 HM
67
○ 用浸有无水乙醇的无纺布小心清洁文氏管吸嘴。
○ 通过压缩空气向文氏管吸嘴吹气。
○ 用少量 Unisilkon L250L 润滑真空发生器的 O 形圈。
9
○ 用浸有无水乙醇的棉签清洁真空发生器块,并通过压缩空气吹气。
9
○ 将清洁的真空发生器部件置于干净的表面上。