192866 Issue 4 - Reel to Reel Manual LoRes - 第38页
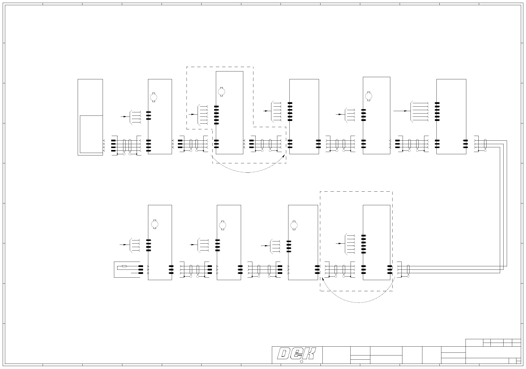
2 Electrical Drawings 201707 Issue 1 R2R Can Distribution Ci rcuit Diagram P ART MAIN MACHINE I/O NODE 2 PT No. 181436 CCT DIAG 181435 01 02 03 04 05 06 032 012 062 072 023 003 0V RETURN +24V US +24V SW 0V RETURN +12V 0 …

Electrical Drawings 1
193700 Issue 2 R2R Media Transport Circuit Diagram
DD
NTS
02
2011
54321
A
B
C
C
B
A
12345
67
8
910
11 1 2
13
6
7
8
9
10 11
12
13
E
F
G
H
I
D
E
F
G
H
I
0
CRS
THREADS: ISO COARSE
TO CLASS 6H/6g U.O.S.
MEDIA TRANSPORT
DRAWN
APPROVED
DATE
TOLERANCES UNLESS
OTHERWISE STATED
MATERIAL
FINISH
DSM
DSF
C
COPYRIGHT
A
OF
SH.
DRAWING SCALE
DO NOT SCALE
ORIGINAL SCALE
(PLOT)
(CAD) 1:1
GEN.
ANG.
DIMENSIONS
IN MM'S-INCHES IN ( )
TITLE
DRAWING NUMBER
DATE INITIALDCR
LATEST
ISSUE
No.
-
-
-
-
-
N.WOOD
289/06/07
04/03/11
193700
1
1
IT MAY NOT BE COPIED,REPRODUCED,
PUBLISHED OR DISCLOSED IN WHOLE
OR IN PART WITHOUT OUR WRITTEN
CONSENT.
IN IT, IS THE PROPERTY OF
THIS DRAWING AND THE COPYRIGHT
DRW^CIRCUIT DIAGRAM^R2R^
PART CONTROL ENCLOSURE
PT No. 185271
CCT DIAGRAM 185013
PART IBUS PC
IBUS Pt No. 191543
CCT DIAGRAM 190695
185354
3SK35
M36SK28
USBUSB 4
PART PROCESSOR CARD
/ MOTHERBOARD
3PL35
DEK PRINTING MACHINES LIMITED,
SURFACE ROUGHNESS
-
NEXTMOVE
ES CARD
PT. No 185253
M36PL28
PART PNEUMATIC SOLENOID BANK
16SOL10
TABLE CLAMP
16SOL14
MOVING CLAMP
01
03
01
03
PART N2PL4
257
032
258
032
257
16SK10
258
16SK14
032
032
03
16
04
17
DIG OUT 9 (24V US)
0V RETURN
DIG OUT 10 (24V US)
0V RETURN
185066
01
03
248
072
16SK11
16SOL11
FIXED CLAMP
N2PL2
248
01
DIG OUT 0 (24V SW)
072
02
0V RETURN
N2SK2
PART MAIN MACHINE I/O NODE
PT No. 181436
CCT DIAGRAM 181435
01
02
03
04
05
06
032
012
062
072
023
032
0V RETURN
+24V US
+24V SW
0V RETURN
+12V
0 RETURN
N2PL1N2SK1
185109
NODE POWER
07
02
03
CAN_L
CAN_H
CAN GND
PART N2PL2PART N2SK2
185163
CAN IN
PART N2PL3PART N2SK3
201824
CAN OUT
400
401
402
07
02
CAN_L
CAN_H
CAN GND
400
401
402
187870
PART POWER SUPPLY ENCLOSURE
PT No. 185309
CCT DIAGRAM 185233
PART RTC BOARD LOAD
PT No. 186974
01
02
03
01
02
03
063
478
073
478
24V US
0V
DIG IN 2
N11PL1
N11SK1
8SE40
063
CARRIAGE
HOME
FORK OPTO
073
24V
SIGNAL
0V
073
063
061
060
01
02
04
05
060
061
063
073
+42V SW
0V RETURN
+24V US
0V RETURN
PART
N11SK3
SWITCHED SERVO DC SUPPLY
0V
24V US LOGIC SUPPLY
0V
N11PL2
01
02
03
04
PART
N11PL3
PART
M37SK15
N11SK2
190334
M
201822
CAN IN
FROM NODE 4
PART
M37PL15
07
02
03
CAN H
CAN L
CAN GND
400
401
402
194697
CAN H
CAN L
CAN GND
PART
N11SK4
201820
CAN OUT
07
02
03
PART
N11PL4
400
401
402
01
03
254
032
16SK12
16SOL12
TABLE VACUUM
N2PL6
254
01
DIG OUT 6 (24V US)
032
02
0V RETURN
N2SK6
194694
16SOL22
FIXED VACUUM
16SOL03
MOVING VACUUM
01
03
01
03
260
16SK22
263
16SK03
032
032
260
032
263
032
06
19
22
23
DIG OUT 12 (24V US)
0V RETURN
DIG OUT 15 (24V US)
0V RETURN
REMOTE
PRODUCT
BARCODE
READER (1D)
(DATA LOGIC)
PT No. 167042
028
008
NC
M37PL13
SERVICE PANEL
PART 6PL22 PART 6SK22
6SE06167040
167042
01
02
024
NC
03
008
6SE07
DIFFUSE
OPTO
SENSOR
CHASSIS
RTS232
RX232
SIGNAL GND
VS
PS+
GND
TX232
CTS232
VS
PS-
028
008
491
492
494
493
495
024
024
609
167048
167050
099
01
099 099
6SK17 6PL17
04
491 491
02
492 492
03
493 493
05
494 494
07
495 495
13
028 028
25
008 008
01
024 024
6PL236SK23
02
609 609
03
008 008
19
609 609
09
024 024
18
024 024
10
008 NC
25
008 008
13
028 028
07
495 495
05
494 494
03
493 493
02
492 492
04
491 491
01
099 099
TRIGGER
BARCODE
SCAN
+12V
ALARM
0V
SIGNAL04
609
6SK24
491
492
493
494
495
496
497
498
499
099
3SK20
3PL20
REAR E-STOP / INTERLOCK
REMOTE BARCODE OPTION
PART 6SK22 6SE06
190316
RX232
SIGNAL GND
GND
TX232
VS
PS-
034
492
493
495
024
609
19
609
09
024
25
034
07
495
03
493
02
492
14
01
05
15
07
09
REMOTE PRODUCT
BARCODE READER
2D DATA MATRIX
PART SCANNER SK
(SICK)
PART POWER
SUPPLY ENCLOSURE
PT No. 185039
CCT DIAG 185233
01
M37SK13
CB30 1.5A
13
+12V
028
02
03
008
0V
N/C
3SK59
DATA - 02
03
04
01V BUS
DATA +
GND
USB 8
USB TO RS232
CONVERTER
DATA -
DATA +
GND
V BUS
02
03
04
01
492
491
493
494
06
07
08
05
496
495
497
498
09
499
3PL59
622
621
623
624
190849
PT No. 167096
D
194692
194690
41095
201826
TO NODE 9
8ES1
M/C REAR
E-STOP
M37SK24 M37PL24
189
092
095
N/C
090
N/C
201642
198241
01
02
03
04
05
06
2
a
1a
1b 2b
PART POWER SUPPLY ENCLOSURE
PT No. 185271
CCT DIAGRAM 185013
03
N4SK2
M37PL23
9SW2
REAR COVER
INTERLOCK
086
087
176
030
14
21
13
22
01
02
03
04

2 Electrical Drawings
201707 Issue 1 R2R Can Distribution Circuit Diagram
PART MAIN MACHINE
I/O NODE 2
PT No. 181436
CCT DIAG 181435
01
02
03
04
05
06
032
012
062
072
023
003
0V RETURN
+24V US
+24V SW
0V RETURN
+12V
0 RETURN
N2PL1N2SK1
185109
NODE POWER
07
02
03
CAN_L
CAN_H
CAN GND
PART
N2PL2
PART N2SK2
PART
N2PL3
CAN_L
CAN_H
CAN GND
PART PRINT CARR.
I/O NODE 3
PT No. 181471
CCT DIA 181470
01
02
03
04
05
06
033
013
043
053
023
003
0V RETURN
+24V US
+24V SW
0V RETURN
+12V
0 RETURN
N3PL1N3SK1
185113
NODE
POWER
07
02
03
CAN_L
CAN_H
CAN GND
PART
N3PL2
PART N3SK2
190625
PART
N3PL3
PART N3SK3
185161
400
401
402
07
02
03
CAN_L
CAN_H
CAN GND
400
401
402
PART PRINT CARR.
MOTOR NODE 7
PT No. 188962
01
02
03
04
061
060
063
073
0V RETURN
+42V/48V SW
+24V US
0V RETURN
N7PL2N7SK2
185122
NODE
POWER
07
02
03
CAN_L
CAN_H
CAN GND
PART
N7PL3
PART N7SK3
PART
N7SK4
PART N7PL4
185163
400
401
402
07
02
03
CAN_L
CAN_H
CAN GND
400
401
402
400
401
402
PART CONTROL
ENCLOSURE
PT No. 185271
CCT DIA 185013
01
02
04
05
073
091
PART
M36PL35
CAN POWER 0V
CAN POWER +24V
CAN_H
CAN_L
PART
M36SK35
NEXTMOVE
ES CARD
PT. No 185253
400
401
PASTE DISPENSE
NODE 10
PT No. 185336
01
02
03
04
05
06
036
016
046
056
026
006
0V RETURN
+24V US
+24V SW
0V RETURN
+12V
0 RETURN
N10PL2N10SK2
185374
NODE
POWER
CAN_L
CAN_H
CAN GND
PART
N10PL3
PART
N10SK4
PART N10PL4
185376
07
02
03
CAN_L
CAN_H
CAN GND
400
401
402
07
02
03
PART N3SK2
400
401
402
DD
NTS
01
02/03/11
02/03/11
D.DULSTON
1
1
54321
A
B
C
B
A
12345
67
8
910
11 12
13
6
7
8
9
10 11
12
13
D
E
F
G
H
I
D
E
F
G
H
I
0
CRS
THREADS: ISO COARSE
TO CLASS 6H/6g U.O.S.
201707
DRAWN
APPROVED
DATE
TOLERANCES UNLESS
OTHERWISE STATED
MATERIAL
FINISH
DSM
DSF
C
COPYRIGHT
A
OF
SH.
DRAWING SCALE
DO NOT SCALE
ORIGINAL SCALE
(PLOT)
(CAD) 1:1
GEN.
ANG.
DIMENSIONS
IN MM'S-INCHES IN ( )
TITLE
DRAWING NUMBER
DATE INITIALDCR
LATEST
ISSUE
No.
-
-
-
-
-
DEK INTERNATIONAL GmbH
IT MAY NOT BE COPIED,REPRODUCED,
PUBLISHED OR DISCLOSED IN WHOLE
OR IN PART WITHOUT OUR WRITTEN
CONSENT.
IN IT, IS THE PROPERTY OF
THIS DRAWING AND THE COPYRIGHT
DWG^CIRCUIT DIAGRAM^R2R^
CAN DISTRIBUTION
41095
SURFACE ROUGHNESS
-
OPTION (IF FITTED)
OPTION (IF FITTED)
M
STEPPER
MOTOR
NODE
M
SERVO
MOTOR
NODE
NOTE:
IF THE PASTE DISPENSE OPTION IS NOT FITTED,
THE TABLE MOTOR DRIVE NODE IS CONNECTED
DIRECTLY TO THE PRINT CARRIAGE I/O NODE.
07
02
03
PART N2SK3
400
401
402
RISING TABLE
MOTOR NODE 6
PT No. 191492
01
02
03
04
061
060
063
073
0V RETURN
+42V/48V SW
+24V US
N6PL1N6SK1
190631
NODE
POWER
07
02
09
CAN_L
CAN_H
24V O/P
PART
N6PL3
PART
N6SK3
PART
N6SK2
PART N6PL4
400
401
091
07
02
03
CAN_L
CAN_H
CAN GND
M
SERVO
MOTOR
NODE
06
0V
073
190627
400
401
402
201824
PART SCREEN
CLEAN I/O NODE 4
PT No. 181479
CCT DIAGRAM 181488
01
02
03
04
05
06
034
014
044
054
023
003
0V RETURN
+24V US
+24V SW
0V RETURN
+12V
0 RETURN
N4PL1N4SK1
185111
NODE
POWER
07
02
03
CAN_L
CAN_H
CAN GND
PART
N4PL2
PART N4SK2
PART
N4PL3
PART N4SK3/N2SK3
201822
400
401
402
07
02
03
CAN_L
CAN_H
CAN GND
400
401
402
07
02
03
PART N11SK3
400
401
402
PART CAMERA Y
MOTOR NODE 9
PT No. 185003
01
02
03
04
061
060
063
073
0V RETURN
+42V SW
+24V US
0V RETURN
N9PL2N9SK2
185124
NODE
POWER
CAN_L
CAN_H
CAN GND
PART
N9PL3
PART
N9SK4
PART N9PL4
07
02
03
CAN_L
CAN_H
CAN GND
400
401
402
PART CAMERA X
MOTOR NODE 8
PT No. 202949
01
02
03
04
061
060
063
073
0V RETURN
+42V SW
+24V US
0V RETURN
N8PL2N8SK2
191238
NODE
POWER
CAN_L
CAN_H
CAN GND
PART
N8PL3
PART
N8SK4
PART N8PL4
07
02
03
CAN_L
CAN_H
CAN GND
400
401
N/C
07
02
03
PART N8SK3
400
401
402
M
SERVO
MOTOR
NODE
M
SERVO
MOTOR
NODE
185566
CAN TERMINATOR
PT No. 185171
120R
NOTE:
IF THE SCREEN CLEANER OPTION IS NOT FITTED,
THE MAIN MACHINE I/O NODE IS CONNECTED
DIRECTLY TO THE REEL TO REEL MOTOR NODE.
NOTE: CAMERA X & Y MOTOR NODES ARE ONLY
FITTED ON 710 MACHINES. ON 810 MACHINES
CAN TERMINATOR 185171 IS FITTED TO THE REEL
TO REEL NODE AT N11SK4.
OPTION NODE
07
02
03
PART N9SK3
400
401
402
07
02
03
400
401
402
PART N11PL4
REEL TO REEL
SERVO NODE 11
PT No. 186974
01
02
03
04
061
060
063
073
0V RETURN
+42V SW
+24V US
0V RETURN
N11PL2
N11SK2
201826
NODE
POWER
CAN_L
CAN_H
CAN GND
PART
N11SK4
PART
N11PL3
CAN_L
CAN_H
CAN GND
M
SERVO
MOTOR
NODE
201820
201824
3700mm2000mm
1800mm 4200mm
1000mm4300mm
185163
2650mm

Electrical Drawings 3
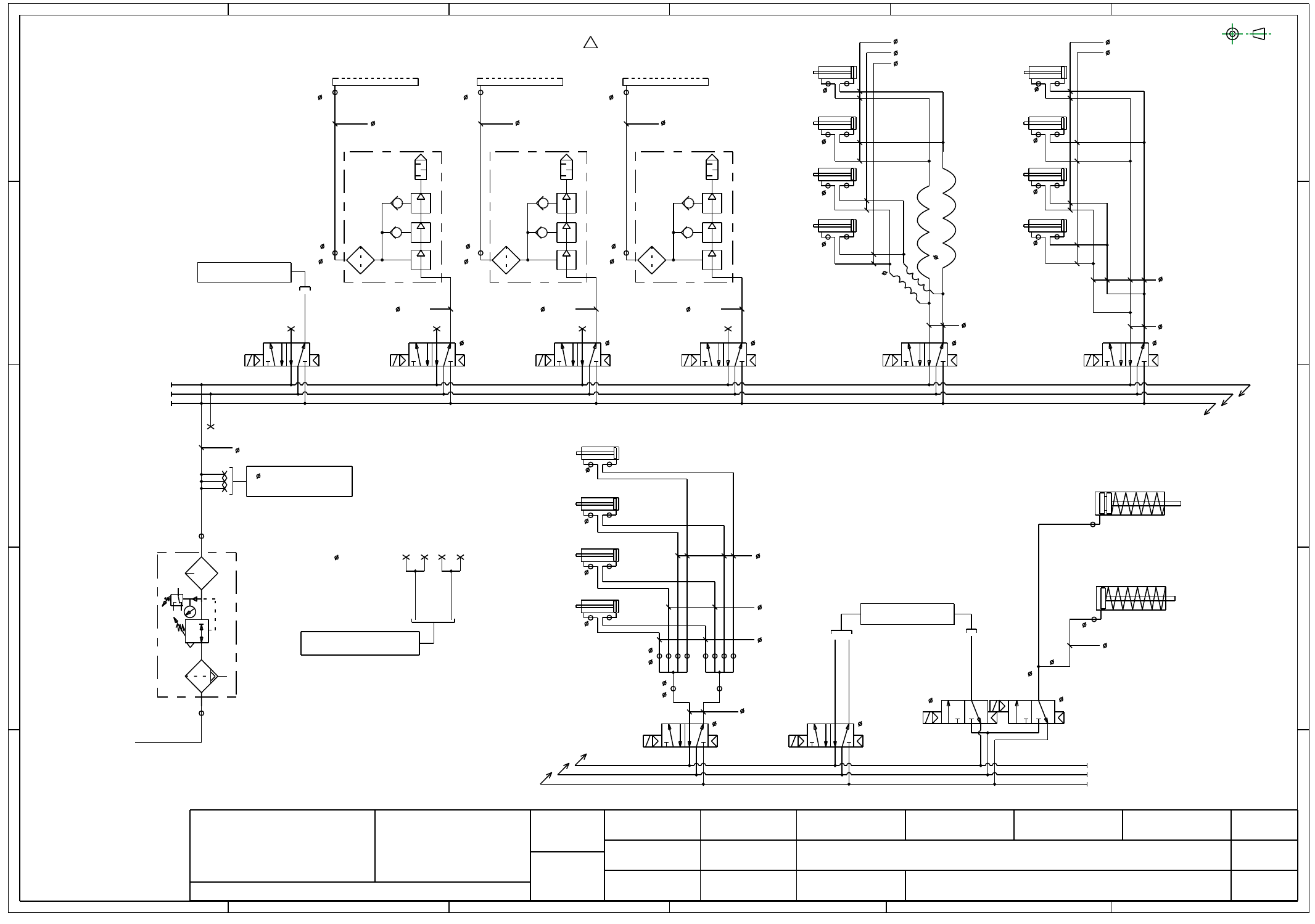
193697 Issue 2 R2R Installation Pneumatic Diagram
A
B
C
D
REMOVE ALL BURRS & SHARP EDGES
456
1
2
3
4
56
1
2
A
3
B
C
E
DEK STANDARD DST 1.1.3
PROJECTION
D
E
I INDEPENDENT TOLERANCES APPLY
THIS DRAWING AND THE COPYRIGHT
DEK
IN IT, IS THE PROPERTY OF DEK
INTERNATIONAL, A BUSINESS OF DTG
INTERNATIONAL GmbH, IT MAY NOT BE
COPIED, REPRODUCED, PUBLISHED OR
DISCLOSED IN WHOLE OR IN PART
WITHOUT OUR WRITTEN CONSENT.
THREADS: ISO
COARSE TO CLASS
DO NOT
6H/6g U.O.S
MATERIAL
SCALE
DESIGNER LATEST ISSUE MODIFIED DATE (DD.MM.YY) DCR No
MODIFIED BY
N/A
C SHEPPARD
02 27/01/11 41095 CPS
TOLERANCES TO BE TO
DST 1.1.1mK
FINISH
UNLESS STATED
TITLE
SH 1
OF 1
DIMENSIONS IN
MM UNLESS
OTHERWISE
N/A
DWG^PNEU^R2R^INSTALLATION
SURFACE ROUGHNESS
STATED
DSF 3.1.1
MASS
1.6 μm
RELEASE STATE
DRAWING NUMBER
A2
COPYRIGHT © BY DEK INTERNATIONAL
0 kg
NOTE:
Released
193697
DIAGRAM CREATED WITH SMC PNEUDRAW v2.8 r71
4 2c Coil Tube
4 2c Coil T
ube
4 / 70
2 / 1150
2 / 1300
2 / 550
2 / 450
2 / 350
4 / 2200
MOVING CLAMPS
16SOL14
4 / 2620
2 / 600
2 / 750
2
4
4
6
2 / 500
42
351
4 / 1450
TABLE CLAMPS
16SOL10
CYL1
CYL3
CYL2
CYL4
42
351
R2R TABLE VACUUM
3/8" BSP
42
351
42
351
TABLE VACUUM
16SOL12
8
12
8
2
M3
2
M3
2
M3
2
M3
M3
2
M3
2
M3
2
M3
2
M3
2
M3
2
M3
2
M3
2
44
4
6
6 / 2000
8 / 850
42
351
R2R MOVING VACUUM PLATE
3/8" BSP
MOVING VACUUM
16SOL03
8
12
8
6
8 / 1700
42
351
R2R FIXED VACUUM PLATE
3/8" BSP
FIXED VACUUM
16SOL22
8
12
8
6
8 / 1700
FIXED VACUUM
EJECTOR
MOVING VACUUM
EJECTOR
TABLE VACUUM
EJECTOR
MANIFOLD RELOCATED
STANDARD 3 WAY
42
351
1
4
REPLACEMENT TUBE
8/650
SCREEN CLEANER
16SOL08
6 / 2000 6 / 2000
42
351
4
4
4
22
1331
4 BLANKING PLUGS FITTED
(SUPPLIES TO PRINTER OPTIONS)
SEE SCHEMATIC 188794 Shts 1-4
MANIFOLD
CONTINUED BELOW
SEE DEK SCHEMATIC
188794 Shts 1-4
4
4
4 / 600
4
M5
STANDARD LID BOLT TUBE BRANCHED
LOCALLY TO SUPPLY R2R ENCLOSURE BOLT
SEE DEK SCHEMATIC
188794 Shts 1-4
STANDARD
LID BOLT
R2R CARRIAGE
ENCLOSURE
LID BOLT
MAIN
REGULATOR
SUPPLY IN
COMPRESSED AIR
REDUNDANT STANDARD BOARD CLAMP
PIPEWORK LEFT IN PLACE -
SEE SCHEMATIC 188794 Shts 1-4
DUST / DEBRIS INGRESS
CONNECTORS TO PREVENT
4 PLUGS FITTED TO
INSIDE FACE OF FRAME 'X' MEMBERS
LOCATED ADJACENT TO RIGHT
FRONT/LEFT
FRONT/RIGHT
REAR/LEFT
REAR/RIGHT
FRONT/LEFT
CYL5
REAR/RIGHT
CYL6
FRONT/RIGHT
CYL11
REAR/LEFT
CYL12
FRONT/LEFT
CYL7
FRONT/RIGHT
CYL8
REAR/RIGHT
CYL9
REAR/LEFT
CYL10
FIXED CLAMPS
16SOL11
SCREEN CLAMPS
16SOL07
CHASE CLAMPS
16SOL31B
LID BOLTS
16SOL31A