00194614-08 Trainingsdoku. SG X-Serie_X4i SW70x (AL2)_EN - 第124页
Communication and Control One Wire Bus - Structure One Wire Bus Student Guide SIPLACE X-Serie and X4I SW70x (AL2) 124 Basic Struct ure 4.5.1.1 Basic Structure One wire bus princip le The one wir e bus syst em consists in…

Communication and Control
One Wire Bus One Wire Bus - Structure
123 Student Guide SIPLACE X-Serie and X4I SW70x (AL2)
The A364 axis card is equipped with two processors (module 1 and module 2) i.e. one processor controls
two axes.
One Wir e Bus
4.5 One Wire Bus
The one wire bus in the SIPLACE X4I is used for requests between the temperature sensors and the
head plates and for reading out the gantry type. The nozzle changer control and sensor requests for the
reject bin are established via a so-called CAN node (see Chapter Component Handling).
Tasks:
1. 2 temperature sensors per gantry (fixed to the head plate).
2. Storage of gantry identification on an EEPROM.
A differentiation is made between plate gantry CFK-02, Design To Cost (DTC) gantry CFK-04 and
CFK 06 gantry. This means that the machine database loaded for the dynamic parameters of the
main axis differs according to the gantry type concerned.
One Wire B us - Structure
4.5.1 One Wire Bus - Structure
As the name indicates, the data are transferred (serial transfer) via a single wire, to the relevant
subsystem. The one wire bus system is used for processes where time is not a critical factor and can be
realized as a single master bus with „any number“ of slaves (stations).
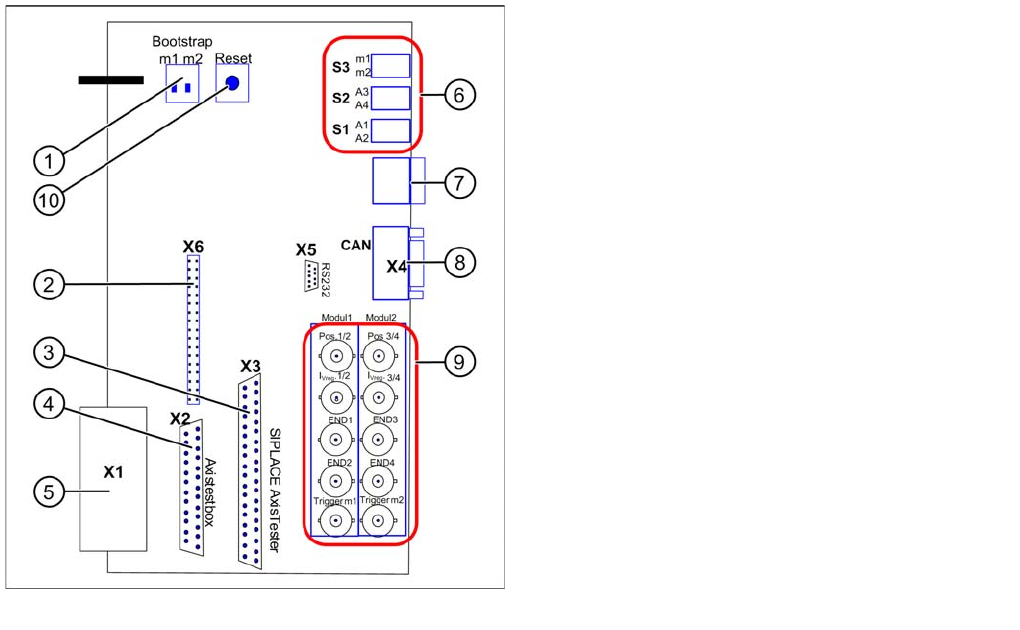
Adapter card for A364
Legend
Module 1: Axis 1/2
Module 2: Axis 3/4
1. Bootstrap mode: m1 = module1 / m2 = module2
2. Diagnosis – connector X6
3. Connection X3 SIPLACE AxisTester
4. Connection X2 Axis test box
5. Connection X1 to A364
6. Switches:
7. Diagnosis – 7 segment display
8. CAN bus connector (Sub-D)
9. BNC sockets:
10. Reset both processors

Communication and Control
One Wire Bus - Structure One Wire Bus
Student Guide SIPLACE X-Serie and X4I SW70x (AL2) 124
Basic Structure
4.5.1.1 Basic Structure
One wire bus principle
The one wire bus system consists in principle of a master with EEPROM (control unit), which controls
the various submodules such as A/D converters, EEPROM, temperature and I/O modules. Each
communication branch is equipped with an upstream coupler, which opens the branch for data transfer..

Communication and Control
One Wire Bus One Wire Bus - Structure
125 Student Guide SIPLACE X-Serie and X4I SW70x (AL2)
One Wire Bus in the SIPLACE X
4.5.1.2 One Wire Bus in the SIPLACE X
Overview of one wire subsystems e.g. PA1 on the SIPLACE X4I
In the SIPLACE X4I machine, the one wire bus is integrated via a separate CAT5 cable, which leads
from the main or subdistributor up to the trailing interface. The one wire bus is run through the trailing
cable from the trailing interface up to the head interface. This means that the cable structure is different
and only the temperature sensors are still monitored. The temperature values are used to calculate the
relevant offset values for placement accuracy.
Function Description
4.5.1.3 Function Description
When the machine is switched on, each one wire bus is assigned a fixed CAN ID.
One wire in PA1 --> CAN ID: 07d0
One wire in PA2 --> CAN ID: 07c0
During initialization of the bus system, each station registers with the master, after which the bus is ready
for operation.
In the non operative mode, the voltage level is 5 V on the one wire bus.