00194614-08 Trainingsdoku. SG X-Serie_X4i SW70x (AL2)_EN - 第159页
Energy and Compressed Air Supply Power supply Power supp ly 159 Student Guide SIPLACE X-Serie and X4I SW70x (AL2) Overview transformer 2 Voltages in the Power Supply U nit After Switc hing On 5.2.4.5 Voltages in the Powe…

Energy and Compressed Air Supply
Power supply Power supply
Student Guide SIPLACE X-Serie and X4I SW70x (AL2) 158
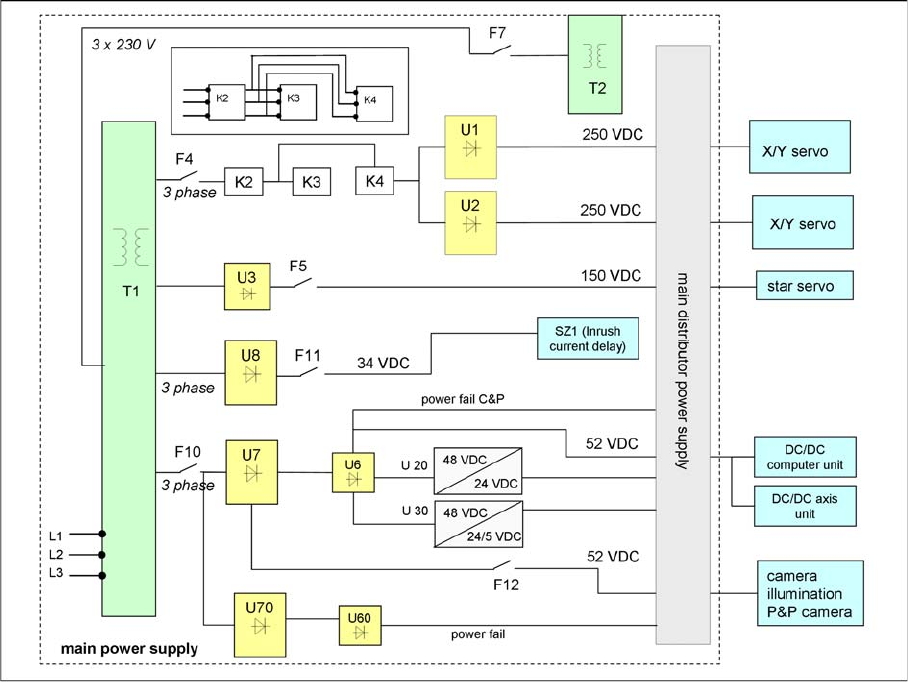
Overview of main voltage supply and transformer
Transform er T2
5.2.4.4 Transformer T2
The main task assumed by transformer T2 is to power the Z and DP servos, protected by F6.
Secondary transformer T2
▪ 40 VDC for the servo amplifiers the z and dp axes.
▪ 34 VDC for PCB handling system.
▪ 40 VDC for the component tables (30 V for feeder operation).
▪ 10 VDC for the component tables (5 V for logic).
▪ 28 VDC for the monitor.
▪ 24 VDC for cooling the Y axis motor. (motor generating compressed air)

Energy and Compressed Air Supply
Power supply Power supply
159 Student Guide SIPLACE X-Serie and X4I SW70x (AL2)
Overview transformer 2
Voltages in the Power Supply U nit After Switc hing On
5.2.4.5 Voltages in the Power Supply Unit After Switching On
When the main switch is switched on, the following voltages are generated and may or may not be
switched (enabled, not enabled) through to the modules:
Voltages for the service socket
Voltages Module State
250 VDC X/Y servo unit not enabled
150 VDC servo unit not enabled
34 VDC PCB handling system not enabled
24 VDC tape cutter not enabled
34 VDC SZ1 main power inrush current enabled
52 VDC DC/DC converter main power supply enabled
48 VDC Illumination for all cameras enabled
52 VDC Supply to power fail board enabled
40 VDC Z/DP axes enabled
40 VDC Changeover table enabled
28 VDC monitor enabled
24 VDC fan enabled
230 or 115 or 240 VAC Service socket Independent of the main switch
230 VAC (Europe) Input 3 x 400 VAC
115 VAC (U. S. A.) Input 3 x 204 VAC
130 VAC (other) Input 3 x 230 VAC

Energy and Compressed Air Supply
Power Supply for Box PC Unit Power supply
Student Guide SIPLACE X-Serie and X4I SW70x (AL2) 160
DC/DC Converter in Main Power Supply
5.2.4.6 DC/DC Converter in Main Power Supply
The two DC/DC converters U20 and U30 generate the +24 VDC and +5 VDC voltages, which are used
throughout the electrical system. These are located in the main power supply module.
DC/DC converter U20:
1. +24 VDC converted from 52 VDC is used for the following modules:
▪ Servo enable
▪ SSK relay K6
▪ Inrush current limiter servo
▪ General use of 24V supply throughout the machine
2. +24 VDC converted from 52 VDC used for the following modules:
▪ Fan for axis units
▪ PCB conveyor control board
DC/DC converter U30:
5 VDC voltage for the entire machine
DC/DC converter main power supply
Power Supply fo r Box PC Unit
5.2.5 Power Supply for Box PC Unit
220 VAC (other) Input 3 x 380 VAC
240 VAC (other) Input 3 x 415 VAC
NOTICE
The service socket can only be used if the placement system is connected to the main power
supply with a 5-conductor cable (L1, L2, L3, N, PE).
NOTICE
In machines with a box PC, the power is supplied directly by the main power supply unit, via a
DC/DC converter.