00194614-08 Trainingsdoku. SG X-Serie_X4i SW70x (AL2)_EN - 第166页
Energy and Compressed Air Supply Safety and Signaling Circuit Power supply Student Guide SIPLACE X-Serie and X4I SW70x (AL2) 166 Control Lo ops 5.2.8.2 Control Loops Changeover Table L oop Changeover Table Loop Changeove…

Energy and Compressed Air Supply
Power supply Safety and Signaling Circuit
165 Student Guide SIPLACE X-Serie and X4I SW70x (AL2)
Safety loop
Description of emergency STOP circuit:
When the emergency STOP circuit is closed, there is 24 V present at K5, contact 3. A further 24 V signal
is sent as EMERGENCY STOP loop OK Sent to each CAN I/O module, indicating that the covers are all
closed and that the changeover tables are connected.

Energy and Compressed Air Supply
Safety and Signaling Circuit Power supply
Student Guide SIPLACE X-Serie and X4I SW70x (AL2) 166
Control Loops
5.2.8.2 Control Loops
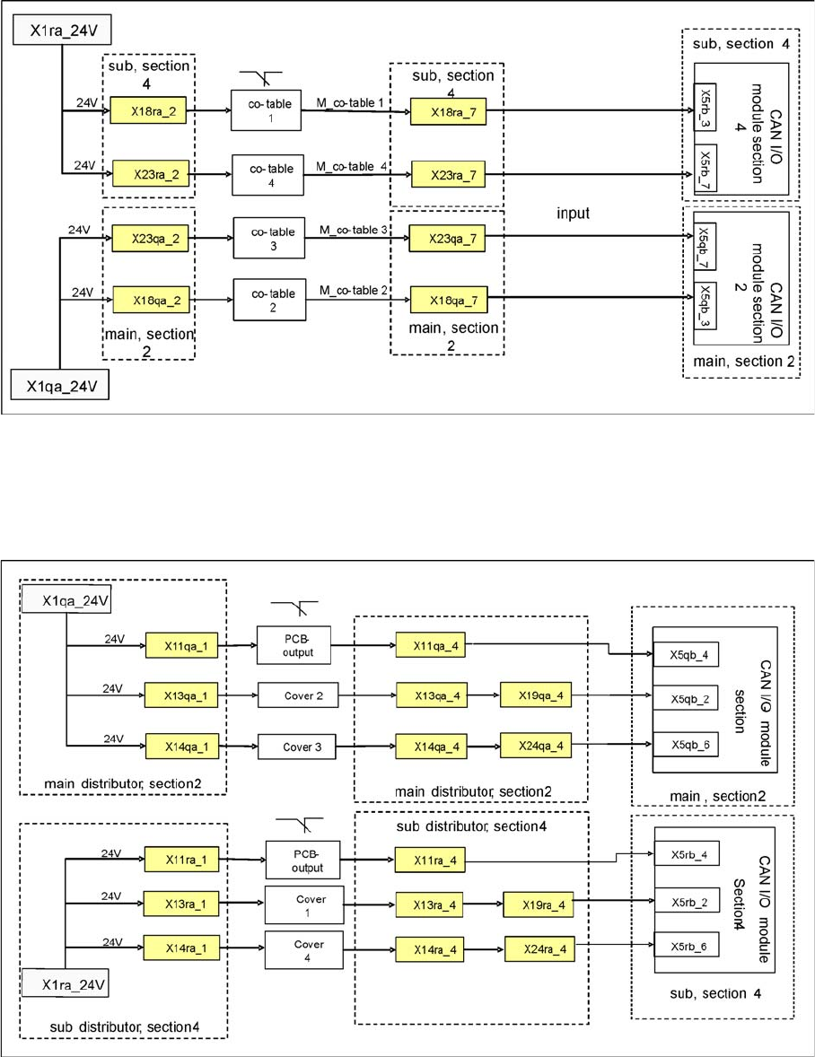
Changeover Table Loop
Changeover Table Loop
Changeover table loop
The 4 component tables are switched in parallel mode. If one or more tables are not connected, the
contact will close and 24 V will be present at the input of the CAN I/O module in sector 2 or 4.
Cover Control Loop
Cover Control Loop
Cover Control Loop
The cover control loop consists of 6 contacts (2 main covers, each with 2 contacts and 2 covers on the
conveyors (input and output)), which are switched in parallel mode. If 1 or more covers are open, the
contact will close and the 24 V will be present at the input of the CAN I/O module in sector 4. The same
applies to sector 2. This shows that one of the covers is open.

Energy and Compressed Air Supply
Power supply Safety and Signaling Circuit
167 Student Guide SIPLACE X-Serie and X4I SW70x (AL2)
Stop But ton Loop
Stop Button Loop
Stop Button Loop
The stop button loop consists of 6 contacts which are switched in parallel mode. If one or more STOP
buttons has been pressed, the contact will close and 24 V will be present at the input of the CAN I/O
module in sector 4, showing that one of the STOP buttons has been pressed.
Start Bu tton Loop
Start Button Loop
Start Button Loop
The start button loop consists of 6 contacts and they are switched in parallel mode. If one or more START
buttons has been pressed, the contact will close and the 24 V will be present at the input of the CAN I/
O module in sector 4, showing that one of the START buttons has been pressed.