00194614-08 Trainingsdoku. SG X-Serie_X4i SW70x (AL2)_EN - 第321页
TwinHead Overview TwinHead Assemblies 321 Student Guide SIPLACE X-Serie and X4I SW70x (AL2) Vacuum Generator Function After initialization th e piston is in a ‘central position’ in w hich neithe r vacuum or air kiss is a…

TwinHead
TwinHead Assemblies Overview
Student Guide SIPLACE X-Serie and X4I SW70x (AL2) 320
TwinHead Assemblies
9.1.2 TwinHead Assemblies
Vacuum Generator TwinHead
9.1.2.1 Vacuum Generator TwinHead
TwinHead Assemblies
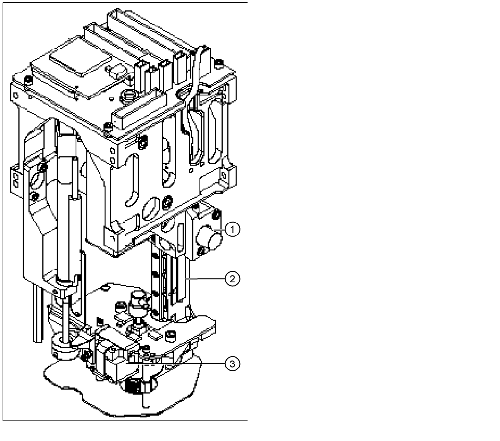
Legend
1. CAN Bus processor board (not mounted, is now on
the head interface C500)
2. TwinHead head board
3. D-axis complete with incremental encoder and force
sensor
4. Encoder Z axis
5. Retract unit to return the Z axis in a safety area in
case of power fail
6. Vacuum generator
7. Actuator for retract unit (right) / screw on the force
measurement board (left).
See also "9.4.3 Manual Lowering of Z Axis" [ ➙ 344].
Vacuum generator
The vacuum generator automatically controls the
vacuum, air blast and the zero balancing position (middle
position-->no vacuum and no air blast) for the segments,
with the aid of an iron core and inductor.
Legend
1. Compressed air input
2. Discharged air from the venturi system
X, SX4 and D3 machines: Discharged air is used for
cooling the X linear motor.
D1/2, SX1/2 machines: Discharged air to the silencer.
3. Output vacuum - vacuum is passed through the D-
axis motor shaft and then to the nozzle.

TwinHead
Overview TwinHead Assemblies
321 Student Guide SIPLACE X-Serie and X4I SW70x (AL2)
Vacuum Generator Function
After initialization the piston is in a ‘central position’ in which neither vacuum or air kiss is applied to the
nozzle. During pickup the piston is always in the ‘open’ position, in which maximum vacuum is applied
to the nozzle. In the placement cycle the time to switch between maximum vacuum (-850 mbar) to
maximum air kiss (+400 mbar) is < 12ms.
Principle of the vacuum generator
Legend
1. Compressed air input
2. Venturi nozzle
3. Plunger (iron core)
4. Plunger drive (inductor)
5. Discharged air to silencer
6. Vacuum air blast output
Filter for the vacuum system (example of Twin segment
version 03 shown)
Legend
1. Filter for the vacuum system on the Twin- head.
The Filter is mounted on the retract unit and used as an
attenuator to control the vacuum. The filter with the
additional volume reduces the oscillation of the vacuum
generator and guarantees an accurate vacuum and air
blast supply. The filter is serviced at regular intervals,
which must be adhered to (see Maintenance Manual).

TwinHead
TwinHead Assemblies Reference Run
Student Guide SIPLACE X-Serie and X4I SW70x (AL2) 322
Reference Run
9.2 Reference Run
TwinHead Z,D- axes
The TwinHead consists of two segments which have two
axes Z and D and the X and Y axes at the gantry.
Before you start the reference run the return cylinder
move out to the lower home position. On both modules
the vacuum is on, until the vacuum generator is
initialized.
Legend
1. Z axis incremental encoder
2. Z axis linear incremental scale
3. D-axis incremental encoder with incremental glass
scale