00194614-08 Trainingsdoku. SG X-Serie_X4i SW70x (AL2)_EN - 第374页
Component Handling Empty Tape Duct Pneumatic Tape Cutter Student Guide SIPLACE X-Serie and X4I SW70x (AL2) 374 Empty Tape Duct 10.3.3 Empty Tape Duct The emp ty tape duc t receives empty tape s from the feeders at the in…

Component Handling
Pneumatic Tape Cutter Structure and Function of the Pneumatic Tape Cutter
373 Student Guide SIPLACE X-Serie and X4I SW70x (AL2)
Pneumatic Tape Cutter
Legend
The tape cutter is activated when the gantry moves to the first placement position. Alternating one of the
cylinders start to front position. Once the first cylinder reaches the front position, the second cylinder is
started. Both signals ’blade in front position’ trigger control unit to withdraw both cylinders at the same
time.
The cutter can be removed in about 15 minutes for service purposes. For detailed information about
dismantling, refer to the service manual.
Technical Data
10.3.2.1 Technical Data
1 Horizontal frame 4 Electronic control unit
2 Pneumatic cylinder 5 Proximity switch
3 Slot for empty tape 6
NOTICE
The spare parts numbers for the cutters and the cutter blades are not identical between HF and
X machines.
Compressed air supply 0.5 MPa = 5.0 bar
Compressed air consumption 135 l/min.
Cycle time 1.5 sec per cut
Supply voltages 5 VDC, 24 VDC

Component Handling
Empty Tape Duct Pneumatic Tape Cutter
Student Guide SIPLACE X-Serie and X4I SW70x (AL2) 374
Empty Tape Duct
10.3.3 Empty Tape Duct
The empty tape duct receives empty tapes from the feeders at the inlet gap (1) and guides these from
the outlet gap (2) to the cutting position of the pneumatic cutter. This is where the tape is cut up and falls
down the waste tape chute, into the component trolley waste tape bin. For tapes with tape pockets
deeper than 17mm you have to remove the metal plate in the middle of the empty tape duct. This is fixed
with one screw on the left and one on the right side.
The empty tape duct is fixed to the pneumatic tape cutter with four screws.
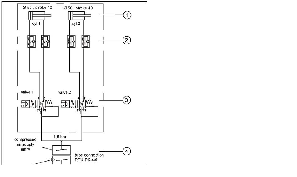
Pneumatic scheme Tape cutter
Legend
1. Drive cylinder for cutter blade movement 40 mm
stroke
2. Adjustable throttle valve on the pneumatic cylinder
3. 5/2 way magnetic valve
4. 4.5 bar compressed air supply via the SSK safety
relay
Cutter only active if protective covers are closed

Component Handling
Pneumatic Tape Cutter Control Unit on Tape Cutter (CAN Node Module)
375 Student Guide SIPLACE X-Serie and X4I SW70x (AL2)
Empty tape duct with component reject bin
Legend
Empty Tape Duct Assemblies
10.3.3.1 Empty Tape Duct Assemblies
The empty tape duct acts as a base for further modules:
▪ The removable component reject bin
▪ Nozzle changer
▪ Nozzle stripping unit with reject unit for C&P20A head.
Control Unit on Tape Cutt er (CAN Node Modu le)
10.3.4 Control Unit on Tape Cutter (CAN Node Module)
See also
4.3.11 Tape Cutter and Nozzle Changer - Communication [ ➙ 112]
1 Inlet slot for empty tape 4 Nozzle reject bin
2 Outlet slot for the empty tape above the
pneumatic tape cutter
5 Nozzle station
6 Nozzle changer take up holes
3 Partition plate for tapes < 17 mm (can be
removed for tapes > 15 mm)
7 Component reject bin