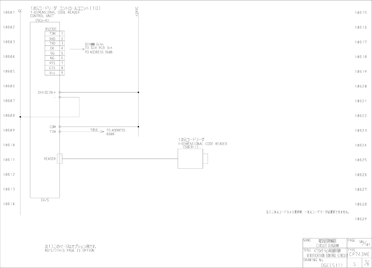
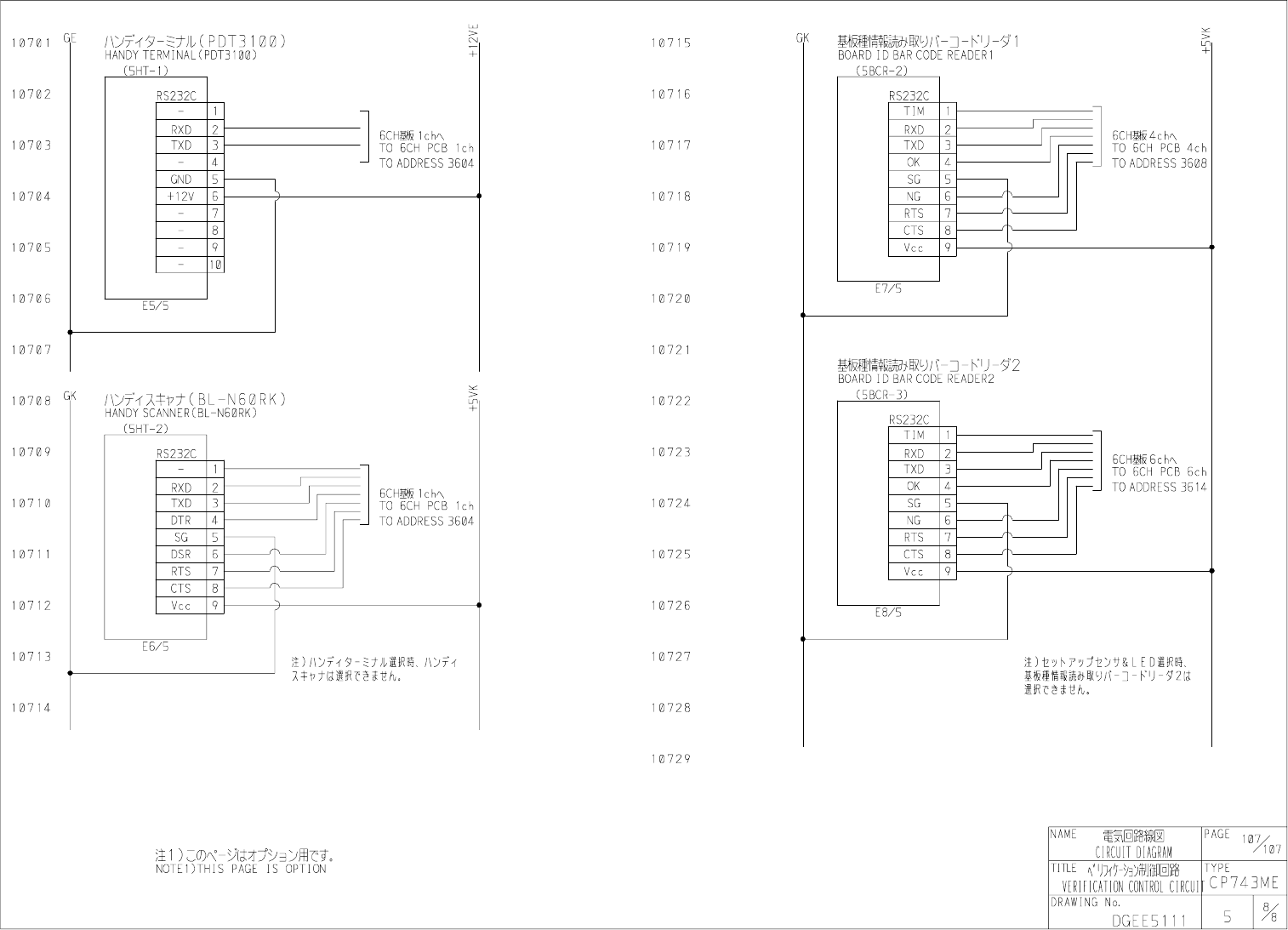
Schmtic_CP743ME_19 - 第113页
在线预览 Schmtic_CP743ME_19 PDF 文档。



番号 品名 記号 形式 メーカー 定格 個数 備考 コード番号
NO. NAME SYMBOL TYPE MANUFACTURER RATING Q'TY NOTE CODE No.
液晶ディスプレイ (1LCD1) LC-10P4SL-FS ビクター DC24V, 0.9A 1 T41227
1 LIQUID CRYSTAL DISPLAY E1/1 VICTOR
分割器 (1PCB8) FH1078A1 富士機械製造 1 FH1078A
2 BOOSTER AP8/1 FUJI MACHINE MFG
表示灯 (M1PL10) M2SJ-90A1-24EW オムロン DC24V,12.5mA 1 POWER ON H2003B
3 LED HL10/M1 OMRON
押釦スイッチ (M1PBPL11) A3SJ-90A1-24EG オムロン DC24V,12.5mA 1 SYSTEM A5049C
4 PUSH BUTTON SWITCH SBHL11/M1 OMRON 1c
押釦スイッチ (M2PBPL12) A3SJ-90G1-24EG オムロン DC24V,12.5mA 1 READY ON A5049F
5 PUSH BUTTON SWITCH SBHL12/M2 OMRON 2c
押釦スイッチ (M2PBPL11) A3SJ-90E1-24EG オムロン DC24V,12.5mA 1 START A50431
6 PUSH BUTTON SWITCH SBHL11/M2 OMRON 1c
押釦スイッチ (M2PB10) A3SJ-90E1-24EY オムロン 1c 1 CYCLE STOP A50437
7 PUSH BUTTON SWITCH SB10/M2 OMRON
端部ショートバリア A3SA-4001 オムロン 4 2SET S3058H
8 SIDE SHORT BARRIER OMRON
中間ショートバリア A3SA-4002 オムロン 3 S3058N
9 CENTER SHORT BARRIER OMRON
ブザー (M2BZ11) M2BJ-BH24D オムロン DC24V,50mA 1 H3051T
10 BUZZER HA11/M2 OMRON
押釦スイッチ (M1PB1) AR22V2R-03R 富士電機 3b 1 キー無し A50442
11 PUSH BUTTON SWITCH SB1/M1 FUJI ELECTRIC (0) NO KEY
押釦スイッチ AR22V7R-03R 富士電機 3b 0 キー付き A50446
12 PUSH BUTTON SWITCH FUJI ELECTRIC (1) WITH KEY
セレクトスイッチ (M2SS11) AH164-PK6B22 富士電機 1 S4021F
13 SELECT SWITCH SA11/M2 FUJI ELECTRIC
押釦スイッチ (M2PB11∼17) PS5D-ASWZ00 山武 白/WHT 7 A5048G
14 PUSH BUTTON SWITCH SB11∼17/M2 YAMATAKE
カラープレート (M2PB17) PS5V-3R 山武 0 「F」:WHITE H31767
15 COLOR PLATE SB17/M2 YAMATAKE (1) 「F」:RED
16
17
NAME 電気部品明細表 PAGE
ELECTRIC PARTS LIST 1/57
TYPE
OPERATION BOX1 CP743ME
DRAWING NO.
DGEP5014 1/4
TITLE 操作BOX1