文档中心
/
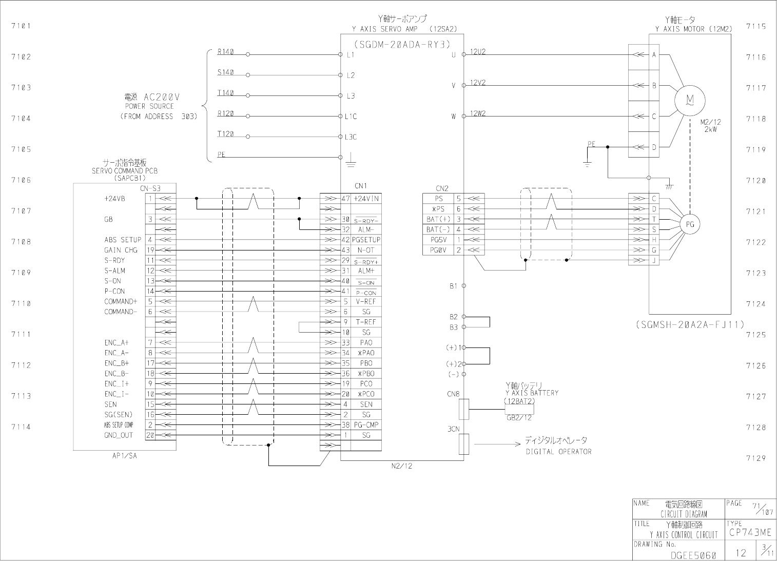
Schmtic_CP743ME_19
Schmtic_CP743ME_19 - 第76页
在线预览 Schmtic_CP743ME_19 PDF 文档。
目录
100%
显示:宽度
宽度
1 / 256
回到旧版
旧版
?
该页面需要启用 JavaScript 才能进行交互式预览。