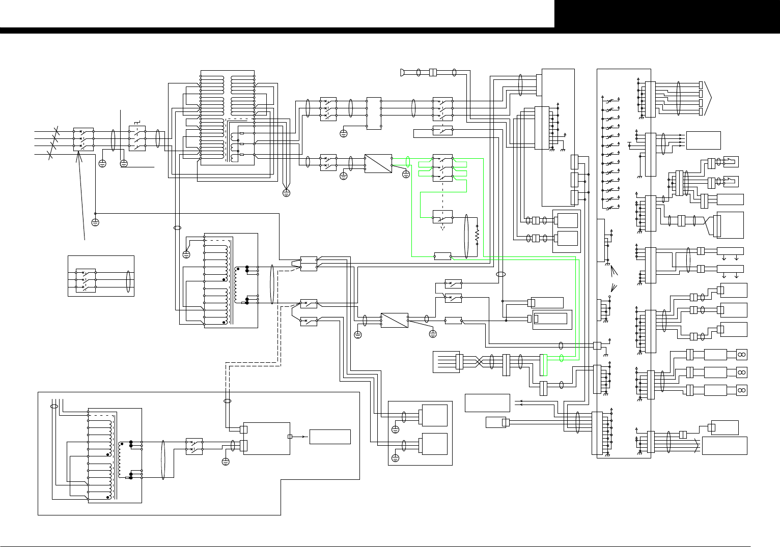
YG100R_KHW_e - 第29页
Confidential & P roprietary P A GE +24VA +24VN +24VM +24VK +24VJ +24VI +24VH +24VE +24VD +24VC +24VB +24VL 2.5A 1.1A 2.5A 2.5A 0.5A 2.5A 2.5A 2.5A 1.85A 3.0A 3.0A 3.0A See Pa ge 3 - 5 BOARD ASSY I/O CONV. +24VN +24VC…

Confidential & Proprietary
PAGE
200V 208V 220V 240V 380V 400V 416V
100V
100V
0V
0V
N
W50
V50
U50
N
W50
V50
U50
200V 208V 220V 240V 380V 400V 416V
N
W50
V50
U50
N
W50
V50
U50
V10
U10 100V
100V
0V
0V
V10
U10 100V
100V
0V
0V
V10
U10 100V
100V
0V
0V
V10
U10 100V
100V
0V
0V
V10
U10 100V
100V
0V
0V
V10
U10 100V
100V
0V
0V
V10
U10
N
W50
V50
U50
N
W50
V50
U50
N
W50
V50
U50
S1
R1
T1
S1
R1
T1
S1
R1
T1
S1
R1
T1
S1
R1
T1
S1
R1
T1
S1
R1
T1
S1
S1
S1
S1
S1
S1
S1
R1R1R1R1R1R1R1
TM11:The selection of POWER SOURCE 2.34KVA
TM11
240V
220V
208V
200V
190V
0V
240V
220V
208V
200V
190V
0V
240V
220V
208V
200V
190V
0V
240V
220V
208V
200V
190V
0V
240V
220V
208V
200V
190V
0V
240V
220V
208V
200V
190V
0V
220V
220V
220V
W
V
U
2.34KVA
TM11
240V
220V
208V
200V
190V
0V
240V
220V
208V
200V
190V
0V
240V
220V
208V
200V
190V
0V
240V
220V
208V
200V
190V
0V
240V
220V
208V
200V
190V
0V
240V
220V
208V
200V
190V
0V
220V
220V
220V
W
V
U
2.34KVA
TM11
240V
220V
208V
200V
190V
0V
240V
220V
208V
200V
190V
0V
240V
220V
208V
200V
190V
0V
240V
220V
208V
200V
190V
0V
240V
220V
208V
200V
190V
0V
240V
220V
208V
200V
190V
0V
220V
220V
220V
W
V
U
2.34KVA
TM11
240V
220V
208V
200V
190V
0V
240V
220V
208V
200V
190V
0V
240V
220V
208V
200V
190V
0V
240V
220V
208V
200V
190V
0V
240V
220V
208V
200V
190V
0V
240V
220V
208V
200V
190V
0V
220V
220V
220V
W
V
U
2.34KVA
TM11
240V
220V
208V
200V
190V
0V
240V
220V
208V
200V
190V
0V
240V
220V
208V
200V
190V
0V
240V
220V
208V
200V
190V
0V
240V
220V
208V
200V
190V
0V
240V
220V
208V
200V
190V
0V
220V
220V
220V
W
V
U
2.34KVA
TM11
240V
220V
208V
200V
190V
0V
240V
220V
208V
200V
190V
0V
240V
220V
208V
200V
190V
0V
240V
220V
208V
200V
190V
0V
240V
220V
208V
200V
190V
0V
240V
220V
208V
200V
190V
0V
220V
220V
220V
W
V
U
2.34KVA
TM11
240V
220V
208V
200V
190V
0V
240V
220V
208V
200V
190V
0V
240V
220V
208V
200V
190V
0V
240V
220V
208V
200V
190V
0V
240V
220V
208V
200V
190V
0V
240V
220V
208V
200V
190V
0V
220V
220V
220V
W
V
U
2.34KVA
240V
0V
190V
200V
208V
220V
240V
0V
190V
200V
208V
220V
0V
100V
TC11
1KVA/0.75KVA
240V
0V
190V
200V
208V
220V
240V
0V
190V
200V
208V
220V
0V
100V
TC11
1KVA/0.75KVA
240V
0V
190V
200V
208V
220V
240V
0V
190V
200V
208V
220V
0V
100V
TC11
1KVA/0.75KVA
240V
0V
190V
200V
208V
220V
240V
0V
190V
200V
208V
220V
0V
100V
TC11
1KVA/0.75KVA
240V
0V
190V
200V
208V
220V
240V
0V
190V
200V
208V
220V
0V
100V
TC11
1KVA/0.75KVA
240V
0V
190V
200V
208V
220V
240V
0V
190V
200V
208V
220V
0V
100V
TC11
1KVA/0.75KVA
240V
0V
190V
200V
208V
220V
240V
0V
190V
200V
208V
220V
0V
100V
TC11
1KVA/0.75KVA
TC11:The selection of POWER SOURCE 1KVA/0.75KVA
V1
25
POWER TRANSFORMER
YG100R

Confidential & Proprietary
PAGE
+24VA
+24VN
+24VM
+24VK
+24VJ
+24VI
+24VH
+24VE
+24VD
+24VC
+24VB
+24VL
2.5A
1.1A
2.5A
2.5A
0.5A
2.5A
2.5A
2.5A
1.85A
3.0A
3.0A
3.0A
See Page 3 - 5
BOARD ASSY
I/O CONV.
+24VN
+24VC
CN51
4
3
2
1
5
6
+24VE
CN45
11
12
9
10
7
8
5
6
3
4
2
1
+24VD
CN43
A5
B5
A4
B4
A3
B3
A2
B2
A1
B1
CN48
+24VL
+24VM
9
10
7
8
5
6
3
4
2
1
+24E
+24VJ
CN52
11
12
9
10
7
8
5
6
3
4
2
1
+24VN
CN47
INTERCONNECTION DIAGRAM
I/O BOARD POWER
I/OA
2
1
2
1
2
1
2
1
2
1
4
3
5
6
1
2
1
2
2
1
2
1
1
2
2
1
1
2
1
2
1
2
R MALTI
F MALTI
CN1
CN1
CN1
CO-PLA.
1
2
2
1
1
2
9
10
11
12
2
1
3
4
5
6
7
8
A5
B5
A4
B4
A3
B3
A2
B2
A1
B1
1
2
1
2
1
2
1
2
AREA SENSOR FRONT
AREA SENSOR REAR
SQ111A
SQ112A
2
1
3
2
3
1
SQ101
SQ102
3
2
3
1
2
1
EL21
FLUORESCENT LIGHT
4
3
1
2
3
2
1
4
7
5
2
6
4
3
1
4
3
5
9
10
7
6
1
2
2
1
3
4
5
6
7
8
11
12
9
10
7
8
5
6
3
4
2
1
EMERGENCY CIRCUIT
2
1
2
1
2
1
2
1
STACK STICK
FEEDER POWER
+24V
+24V
+24V
+24V
LCD2
LCD1
ACIN
AC100V:CONTROL
STD.
CONTROL BOX (UPS)
See Page 2
R
S
T
V10
FG
V10
FG
QF31 10A
T1
T2
T3
L1
L2
L3
U10B
U10B
V10BV10B
V55
U55
V50
U50U50
V50
W51
V51
U51
W51
V51
U51
W50
V50
U50
V50
U50
W50
1
3
5
R1
S1 T1
6
4
2
NF11
MAX250V/10A
E E
1
2
3
4
5
6
5
4
3
2
6
1
W52
V52
U52
UPS IN
UPS OUT
GB1
UPS
SIGNAL
U10A
V10A
100V
100V
0V
0V
240V
0V
190V
200V
208V
220V
240V
0V
190V
200V
208V
220V
0V
100V
TC11
R1
S1
QF61 15A
OPTION
U11B
U11B
1KVA
See Page 27
220V
220V
220V
W
V
U
TM11
240V
220V
208V
200V
190V
0V
240V
220V
208V
200V
190V
0V
240V
220V
208V
200V
190V
0V
240V
220V
208V
200V
190V
0V
240V
220V
208V
200V
190V
0V
240V
220V
208V
200V
190V
0V
N
2.34KVA
See Page 25
≧2.5mm
2
R
S
T
1
3
5
2
4
6
QF11
MAX484V/25A30mA
EARTH-LEAKAGE CIRCUIT BREAKER
(OPTION)
QF22 1A
2
1
2
1
HA1
BUZZER
MAX440V/12A
3/L2 4/T2
KM10
KM11
U52
V52
W52 W54
V54
U54
XT31
1/L1
5/L3 6/T3
2/T1
1/L1
3/L2
5/L3
2/T1
4/T2
6/T3
4241
KM11A
EMERGENCY CIRCUIT
See Page 27
R1
R1
R1
+48VD
V55
FG
U55
600W
GS31
FG
L
N
QS11
L1
L2
L3
T1
T2
T3
MAX690V/25A
QF11
MAX690V/20A
KM10A
+
-
QF32 5A
MAX690V/15A
+24V
J0001
J0003
J0005
J0054
J0002
J0006 J0007
J0080
J0021 J0752
J0751
J0753
J0024
J0025
J0041
J0049
J0161
J0164
J0168
J0169
J0508
J0512
J0101
J0003
J0010
J0011
J0012
J0013
J0014
J0015
J0020
J0016
J0017
J0077
J0076
J0075
J0027
0V48
0V48
I/F BOARD
+24A +24V
MAX690V/30A
XT32
CONV+24V
0V24
0V24
0V24
0V24
FG
V10
U11A
FG
N
L
+24A
GS21
-
+
J0023
0V24
DCN1
2
1
V10
V10
V10
R1
S1
V10
MAX690V/15A
V10
XT21
V10
V10
V10
J0019
J0018
J0027
8
7
6
5
3
4
1
2
+24VB
CN50
2
1
5
6
7
8
4
3
1
2
CONVEYOR
+48V
+24V
I/O HEAD
GND+24V
GND+48V
1
2
3
4
CN15
4
3
2
1
55
1
2
3
4
6
HEAD PWR
3
2
1
2
3
4
6
1
4
1
6
2
3
4
5
H+24V
1
2
3
4
J0043
J0042
J0044
1
2
+24V
CN20
1
2
J0046
dTYF(OPTION)
U11B
U11B
At the UPS specification
U11A
U11A
U10
U10
J0883
J0872
ION I/F BOARD ASSY
3
1
2
3
2
1
4
5
6
4
5
6
J0873
CN3
7A
Peak 15.5A 10sec
J0092
J0026
J0019
J0018
J0094
J0095
J0022
J0021
V10
U10
J0109 J0028
J0004
J0091
J0078
100V
100V
0V
0V
240V
0V
190V
200V
208V
220V
240V
0V
190V
200V
208V
220V
0V
100V
TC11
See Page 25
STANDARD:0.75KVA
WITH UPS:1KVA
P021
P025
LED DRIVER BOARD
P081
LED DRIVER BOARD
P082
LED DRIVER BOARD
P083
AC220V: DRIVE
MOTOR
POWER
EXT.PWR
B6
A6
B5
A5
B4
A4
B3
A3
B2
A2
B1
A1A1
B1
A2
B2
A3
B3
A4
B4
A5
B5
A6
B6
J0235
CONTROL BOX A1
+5V
+12V
1
2
1
2
J0253
LCD2
TOUCH
PANEL
J0234
1
2
1
2
J0252
LCD1
TOUCH
PANEL
4
3
2
1
4
3
2
1
4
3
2
1
4
3
2
1
4
3
2
1
4
3
2
1
SERVO
BOARD 1
SERVO
SERVO
BOARD 2
BOARD 3
OPTION
+24VD
CN46
9
10
7
8
5
6
3
4
2
1
11
12
11
12
2
1
3
4
5
6
7
8
9
10
INTERCONNECTION DIAGRAM
AZ-BRAKE +24V
sATS
See sATS
CN1
2
1
FES BOARD
2
1
FCN1
P051
J0051
+24V IN
+24V IN
+24V IN
+24VI
CN41
・
・
B6
A6
A5
B5
・
・
A1
B1
A20
B20
+24EA
CN44
4
3
5
6
2
1
EMERGENCY CIRCUIT
See Page 27
3.0A
+24VO
300W 14A
QF25 5A
QF24 15A
1
2
CONVEYOR
DCN1
2
1
J0047
J0884
FRONT
REAR
COVER SW
COVER SW
P026
J0516
3
1
2
3
2
1
CN49
+24VH
7
8
5
6
3
4
2
1
2
1
3
4
5
6
7
8
J0048
3
1
2
3
2
1
FAN1
PNP CHANGER
U01
3
1
2
3
2
1
PNP CHANGER
3
1
2
3
2
1
PNP CHANGER
FAN2
FAN3
J0885
U02
U03
+24A
+24A
J0045
73 74 CONV+24ECONV+24V
See dYTF,sATS
dYTF,sATS
J0069
J0070
See Page2
9
10
7
8
5
6
3
4
2
1
2
1
3
4
5
6
7
8
9
10
P013
P011
DRIVER 1
DRIVER 3
BRACKET MAIN SWITCH
J0001
QF21 7A
+48V
+48V
+48V
+48V
0V48
J0052
0V48
J0053
+48VA
+48VA
+48VA
+48VA
0V48
H+48V
1
6
2
3
4
5
J0055
V1
26
POWER CIRCUIT
YG100R

Confidential & Proprietary
PAGE
S10
INTERCONNECTION DIAGRAM
1
2
1
2
DOOR SAFE 1
DOOR SAFE 2
2
1
2
1
Y1OT Y1OT
33
2
1
2
1
Y1OT
33
2
1
2
1
* NONSTOP/NORMAL
1
2
3
CART/UPPER
R2
SQ224/SQ208
1
2
3
AREA/FORWARD
R2
SQ214B
/SQ207
1
2
3
CART/UPPER
R1
SQ223/SQ206
1
2
3
AREA/FORWARD
R1
SQ213B
/SQ205
F2
1
2
3
CART/UPPER
SQ222/SQ204
1
2
3
AREA/FORWARD
F2
SQ212B
/SQ203
3
2
2
1
3
1
AREA/FORWARD
CART/UPPER
F1
F1
SQ211B
/SQ201
SQ221/SQ202
3
2
1
3
2
1
3
2
1
3
2
1
3
2
1
3
2
1
3
2
1
3
2
1
1 2 3 4 651 2 3 4 65 1 2 3 4 65 1 2 3 4 65
KA8
KA7
KA6
KA5
KA4
KA3
KA2
KA1
NONSTOP (*Note1) NORMAL (*Note2)
CN5
654321
CN3
654321
CN2
+24V
654321
CN6
654321
CN10CN9
87
875 64321
6543219 16151413121110
161514131211109
87
875 64321
654321
CN8
4
3
2
1
A1
B1
A2
B2
A3
B3
A4
B4
A5
B5
A6
B6
A7
B7
A8
B8
A9
B9
A10
B10
A11
B11
A12
B12
A13
B13
A17
B17
A18
B18
A19
B19
A20
B20
A14
B14
A15
B15
B16
A16
A1
B1
A2
B2
A3
B3
A4
B4
A5
B5
A6
B6
A7
B7
A8
B8
A9
B9
A10
B10
A11
B11
A12
B12
A13
B13
12
11
10
9
8
7
6
5
4
3
2
1
A1
B1
A2
B2
A3
B3
A4
B4
A5
B5
A6
B6
A7
B7
A8
B8
A9
B9
A10
B10
A11
B11
A12
B12
A13
B13
A1
B1
A2
B2
A3
B3
A4
B4
A5
B5
A6
B6
A7
B7
A8
B8
A9
B9
A10
B10
A11
B11
A12
B12
A13
B13
A17
B17
A18
B18
A19
B19
A20
B20
A14
B14
A15
B15
B16
A16
EMG3
EMG4
EMG5
EMG6
EMG7
EMG8
EMG9
EMG10
EMG11
EMG12
EMG13
E12A
E11A
E13A
EMG15
EMG16
EMG17
EMG18
EMG19
EMG20
EMG14
CN41
CN42
+24VK
+24VI
KA11
KA2
KA5
KA7
KA10
+24VK
+24VJ
+24EA
+24E
+24VJ
CN52
EMG20
EMG21
9
8
7
6
5
4
3
2
1
12
11
10
I/O CONVEYOR BOARD ASSY
SPARE
SPARE
SPARE
N08C13
N08C12
N08C11
N08C10
Y1OT
SPARE
N08CE5
REAR EMG SW
N08CE4
FRONT EMG SW
N08CE3
FES EMG5
FES EMG4
FES EMG3
FES EMG2
FES EMG1
N08CF5
N08CF4
N08CF3
N08CF2
N08CF1
N08CF0
TF EMG
N08C86
SERVO ON
T08164
READY OUT
Note2 : For use in nomal feeder cariage
Note1 : For use in nonstop feeder cariage
FES CN8
4
3
2
1
4
3
2
1
DOOR SAFE 1
DOOR SAFE 2
2
1
2
1
INTERCONNECTION DIAGRAM
(OPTION)
It is a circuit to make re-servo_on impossibility when magazine-door opens.
+24V
EMG20
EMG20A
EMG21
33
13
A1
EMG21
N08C86SRV ON
EMG2134
14
A2
1/L1
3/L2
5/L3
2/T1
4/T2
6/T3
INTERCONNECTION DIAGRAM
KM11/KM11A
41 42+48VC +48VD
+48V
+48VA
+48VB
+48VA
+48VB
+48VC
+24V
KM10/KM10A
13 14
A1 A2
53 54
73 74
83 84
21 22
63 64
1/L1
3/L2
5/L3
2/T1
4/T2
6/T3
U52
V52
W52
1
2
R EMG
1
2
F EMG
2
1
2
1
1
2
R COVER
1
2
F COVER
2
1
2
1
REAR EMG SW
SB32
FRONT EMG SW
SB31
SQ102
SQ101
REAR COVER SW
FRONT COVER SW
CONV+24V
+24E
EMG20A
U54
V54
W54
CONV+24E
0V24
0V24
+24B
+24B
(OPTION)
FES BOARD ASSY
P051
P025
N00181
+24V
K1
CN5
7
6
2
1
44
33
22
I/O A
11
3
4
5
7
6
5
4
3
2
1
I/O HEAD BOARD ASSY
+24V
CN1
3
2
1
3
2
1
X1OT
SQ302
P021
HEAD EMG
21
21
1 2 3 4 65 7 8
1 2 3 4 5 6 7 8
EMG2
CN22
REAR COVER SW
FRONT COVER SW
N08CE7
N08CE6
2.5A
+24EA+24E
SQ112B
SQ111B
1
2
3
1
2
3
1
2
3
1
2
3
FRONT AREA SENSOR
REAR AREA SENSOR
F AREA
R AREA
INTERFACE
GOOD
1
2
3
4
5
1 2 3
1 2 3
SERVO 3
1 2
1 2
SERVO 2
1 2
1 2
1 2
1 2
I/OA
A1
SERVO 1
2
1
2
1
GOOD
2
1
E+24V
5
4
2
1
3
2
1
1
2
3
4
1
2
3
4
5
6
B5
A5
B4
A4
B3
A3
B2
A2
B1
A1
1
2
3
4
5
6
1
2
3
4
EMG1
CN16
CN51
+24VC
CONTROL BOX ASSY
N08CE2
N08CE1
N08CE0
YOT
XOT
CONT.GOOD
A1
B1
A2
B2
A3
B3
A4
B4
A5
B5
A1
B1
A2
B2
A3
B3
A4
B4
A5
B5
A1
B1
A2
B2
A3
B3
A4
B4
A5
B5
CN43
+24VD
CN53
KA9
KA10
KA11
KA12
SERVO ON
+24VK+24VK
5 5
SQ005
CART/UP
AREA/FWD
CART/UP
AREA/FWD
CART/UP
AREA/FWD
CART/UP
AREA/FWD
dYTF COVER SW
See dYTF
sATS COVER SW
See sATS
dYTF,sATS
dYTF,sATS EMG
See dYTF,sATS
V1
27
EMERGENCY CIRCUIT
YG100R