YG100R_KHW_e - 第34页
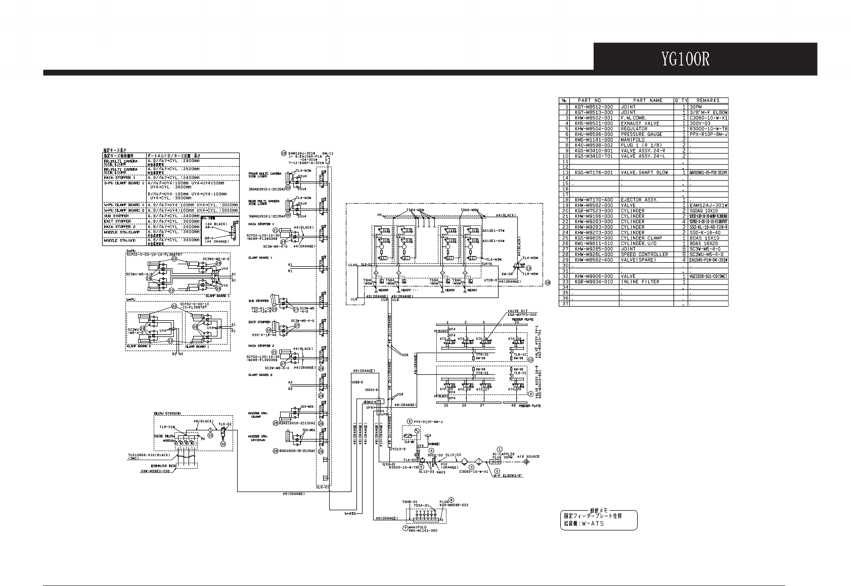
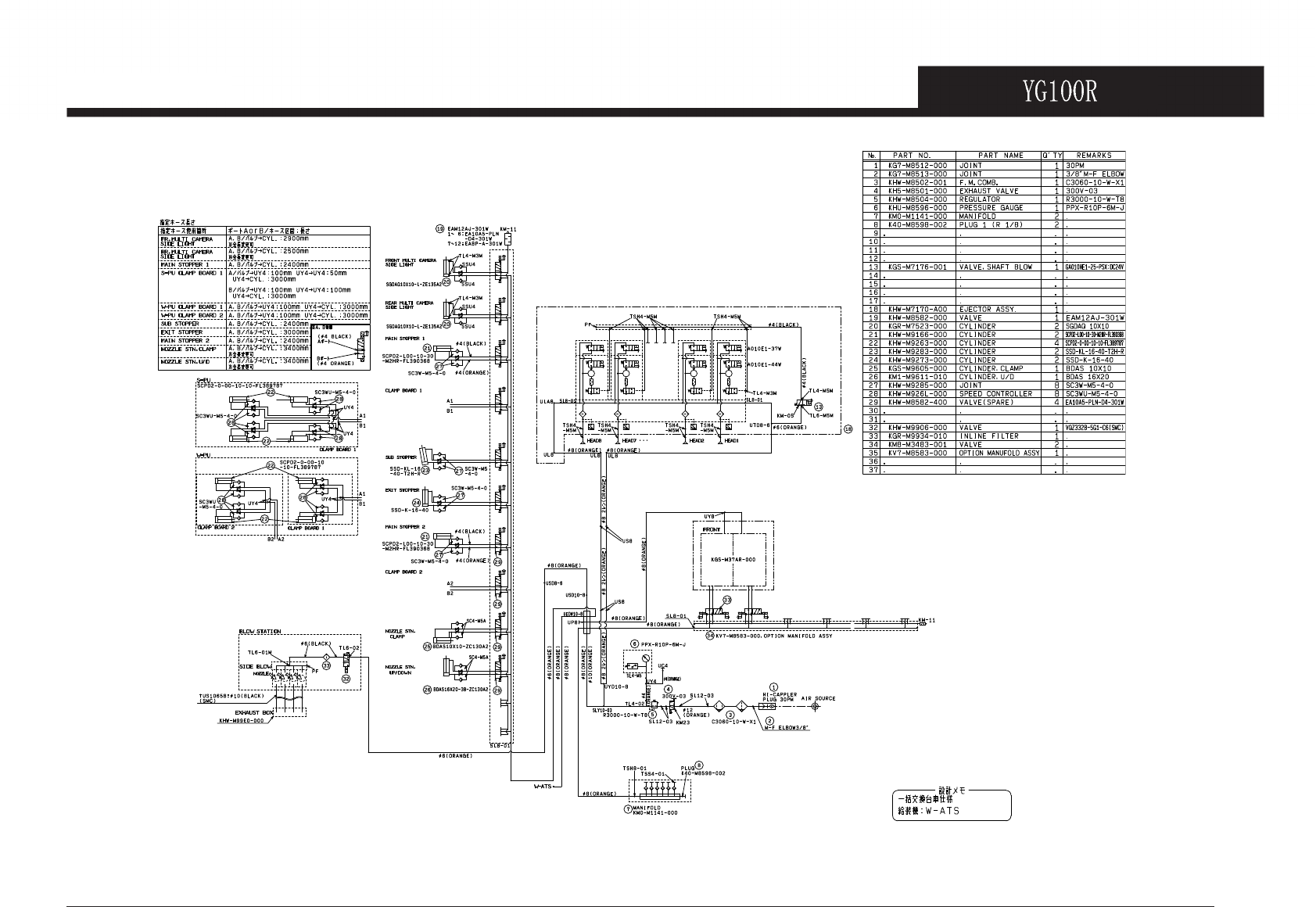
P AGE 31 Condential & Proprietary Air circuit H010864

PAGE
30
Condential & Proprietary
Air circuit
H010864

PAGE
31
Condential & Proprietary
Air circuit
H010864

PAGE
32
Condential & Proprietary
Air circuit
H010864
P AGE 31 Condential & Proprietary Air circuit H010864


