YG100R_KHW_e - 第5页
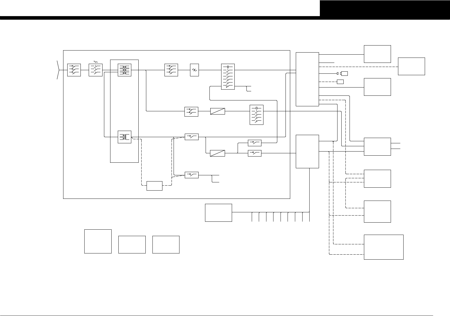
Confidential & P roprietary P A G E POWER C IRCUIT AC100/2 20V POWER CI RCUIT UPS DRIVER 3 MO5 MO6 MO3 MO4 DRIVER 2 MO2 MO1 (X1,PU 1,Y1,Y2) DRIVER 1 (W1,LW 1,PU2) SERVO 1 SERVO 2 SERVO 3 BRAKE PI5 PI6 PI4 PI3 BRAKE +…

Confidential & Proprietary
PAGE
INTERCONNECTION DIAGRAM
See Page 7
CAMERA UNIT SEL.
FES24
FES20
See Page 18
See Page 19
See Page 20
FIX24 & FES24
See Page 22
See Page 23
DC24V
COMU
DC24V
COMU
DC24V
COMU
COMU
COMU
COMU
COMU
DC24V
DC24V
A1
See Page 2
I/O CONVEYOR
COMU
COMU
OPERATION PANEL SEL.
See Page 8
INPUT:
AC50/60Hz 4.0A(MAX)
OUTPUT:
DRIVER
CONTROL BOX
AC50/60Hz 20A(MAX)
FEEDER INDICATOR
(OPTION)
TRAY CHANGER(OPTION)
OPERATION PANEL
SENSOR
30W
CONVEYOR MOTOR
SIGNAL TOWER
VALVE
EMG S/W
AREA SENSOR
FRONT PANEL
COVER S/W
IONIZER ASSY OPTION
See Page 24
EMERGENCY CIRCUIT
NON STOP
NORMAL
See Page 12-14
See Page 15-17
FEEDER STRUCTURE
FIX24
FES24
FES20
See Page 9
See Page 10
See Page 11
See Page 27
DC48V
See Page 6
I/O HEAD
Each Motors
See Page 21
A14
FDD(OPTION)
USB MEMORY
HEAD SENSOR,VALVE
Z,R SERVO MOTOR
3∼ 50/60Hz
200/208/220/240
380/400/416V
POWER CIRCUIT
See Page 26
Transformer
TERMIANL
POWER TRANSFORMER
Transformer
1Φ
(OPTION)
UPS
AC100V
1Φ
TM11 2.34KVA
Filter
Noise
3Φ AC220V3Φ AC220V
Protector
Circuit
QF31 10A
3Φ AC220V
DC48V
Contactor
KM11/KM11A
3Φ AC220V
Contactor
KM10/KM10A
DC24V
NF11
DC24V
1Φ AC100VAC100V
Power Supply
DC48V
QF32 5A
Power Supply
DC24V
See Page 3-5
DC24V
DC24V
Main Breaker
3Φ
Main Switch
3Φ
1Φ
TC11
See Page 25
QF22 1A
LCD2
LCD1
1Φ AC100VAC100V
GS31 DC48V 7A
Peak 15.5A 10sec
STANDARD:0.75KVA
FES20・24 SAFETY CIRCUIT
Rating 6.7KVA MAX.
with UPS:1KVA
P025
P021,P022
QF11 20A/25A QS11 25A
1Φ AC220V 1Φ AC220V
CONVEYOR MOTOR 1
CONVEYOR MOTOR 3(YTF)
1:3.35KW(TOTAL)
2:1.04KW(TOTAL)
3:0.81KW(TOTAL)
QF25 5A
QF24 15AGS21 300W 14A
BARCODE READER
IT OPTION
(OPTION)
FIX20 & FIX24
FIX20 & FES20
CLi FEEDER(OPTION)
dYTF,sATS
See dYTF,sATS
CONTROL:1∼ 100V
MOTOR:3∼ 220V
3∼ 200V 0-375Hz
QF21 7A
V1
1
OVER VIEW(STANDARD BASE)
YG100R

Confidential & Proprietary
PAGE
POWER CIRCUIT
AC100/220V
POWER CIRCUIT
UPS
DRIVER 3
MO5
MO6
MO3
MO4
DRIVER 2
MO2
MO1(X1,PU1,Y1,Y2)
DRIVER 1
(W1,LW1,PU2)
SERVO 1
SERVO 2
SERVO 3
BRAKE
PI5
PI6
PI4
PI3
BRAKE
+24V IN
+24V IN
+24V IN
CD-ROM
AC IN
PE
BRAKE
PI2(Y1,Y2,PU2)
PI1(X1,PU1,W1,LW1)
UPS
EXT.PWR
SERIAL2
SRVA
ACIN
INTERCONNECTION DIGRAM
MO3
MO4
INTERCONNECTION DIGRAM
MO5
PI3
PI4
SRV2 BRAKE
INTERCONNECTION DIGRAM
See Page 5
I/O CONVEYOR BOARD
CN46
+24V IN
+24V IN
+24V IN
INTERCONNECTION DIGRAM
SRV3 BRAKE
UPS
MO2
LW1M
MO1
PI2
LW1P
PI1
SRVA
SRV1 BRAKE
BUZZER
EXT.PWR
PI5
(DZ1,DY1,DS1,DX1)
(DS2,DX2,DY2,DZ2)
(AZ1,AH1)
(AH2,AZ2)
(DY1,DX1,DX2,DZ2)
(DZ1,DS1,DS2,DY2)
HA1
WIN BUZZER
W1 BK
W1P
W1M
PU1 BK
PU1P
PU1M
PU1-AXIS 200W
□54 MAX 1500rpm
□86 MAX 4500rpm
□86 MAX 4500rpm
□42 MAX 500rpm
Y2-AXIS 1KW
Y1-AXIS 1KW
W1-AXIS 100W
Y2P
PU1P
PU2P
W1P
X1P
Y2P
Y1P
Y2M
Y1M
PU2M
PU2 BK
X1M
X1P
See Page 26
See Page 26
I/O HEAD BOARD
See Page 6
See Page 18-20 or 22,23
(OPTION)
INTERFACE
CUnetB I/OB
GOOD,CUnetA I/OA
I/O HEAD BOARD
See Page 6
CN51
I/O B
I/O A
USB4
USB3
USB2
USB1
KEY/MS
LAN
SERIAL1
SYSTEM
VGA
See Page 8
KY/MS
VGA
SERIAL1
USB3
USB4
USB4
USB4
USB MEMORY
FDD E15 1.44MB
A14
FDD
FRONT PANEL
FDD(OPTION)
L.CTL1
D_CAM1
D_CAM2
D_CAM3
D_CAM4
VISION 1
A_CAM1
DCAM3
L.CTL1
DCAM2
DCAM1
V1ACAM1
CAMERA UNIT SEL.
See Page 7
A_CAM1
VISION 2
V2ACAM1
DUCT Y
FLEXIBLE
E.COM BOARD
(IT OPTION)
DUCT X
FLEXIBLE
A-CAM1
FIDUCIAL CAMERA
A CAM1
E.COM1
E.COM2
E.COM3
E.COM4
BARCODE READER
See Page 21
IT OPTION
SYM1
SYM2
dYTF(OPTION)
See dYTF
dYTF(OPTION)
See dYTF
J0751
J0028
J0234,J0235
J0551
J0501
J0506
J0503
J0504
J0505
J0502
J0127
J0143
J0112
J0110
J0111
J0240 or J0231
J0232 or J0236
J0245 or J0233
J0101
J0102
J0121
J0124
J0125
J0061
J0051
J0141
J0142
J0005
J0071
J0126
J0128
J0129
J0130
J0131
J0109
OPERATION PANEL SEL
CONTROL BOX ASSY A1
AIR REGULATOR PANEL
J0072
X1M
X1P
X-AXIS 750W
□86 MAX 4500rpm
SIDE VIEW CAMERA
A-CAM2
J0073
SIDE VIEW(OPTION)
I/O A
CUnetC I/OC
SRV SC1,2
J0132
Y1P
PU2-AXIS 200W
□54 MAX 1500rpm
W-PU(OPTION)
PU2P
PU2M
PU2 BK
J0144
J0066
M01
M06
M04
M02
M03
M05
KGK-M4100-XXX
(SIDE VIEW OPTION)
J0892
J0893
COM2(OPTION)
See sATS
sATS(OPTION)
sATS(OPTION)
See sATS
I/OC CLI or I/OC INDI J0840 or J0906
CLi FEEDER or FEEDER INDICATOR
E+24V
I/O B
GOOD
I/O CONVEYOR BOARD
See Page 3
CN16
I/O CONVEYOR BOARD
See Page 5
J693
(AZ,AH,-,-)
(-,-,-,-)
V1
2
CONTROL BOX
YG100R

Confidential & Proprietary
PAGE
CN8
CN8R.O.PANEL
SAFETY CIRCUIT
FES20&24
FEEDER VALVE
FEEDER STRUCTURE
See Page 9 - 11
CN6
See Page 12-17
CN4
CN3
CN2
CN1
FEEDER5 CN5
CN6DO14,15
CN7F.O.PANEL
FEEDER4
FEEDER3
FEEDER2
FEEDER1 CN1
CN4
CN3
CN2
CN5
CN7
CN9DO16
CN9
FES20&24
CLAMP SW LAMP
SAFETY CIRCUIT
See Page 12-17
HA21
HA22
FES BUZZER F
FES BUZZER R
NONSTOP FEEDER WARNING BUZZER(OPTION)
T08104
T08104
R.RESET(WHITE)
SB12
N08CA3/T080D6
R.READY(WHITE)
SB11
N08CA2/T080D5
SB10
N08CA1/T080D4
SB9
N08CA0/T080D3
R.START(GREEN)
SB8
N08C97/T080D2
R.ACTIVE(WHITE)
SB7
N08C96/T080D1
R.STOP(RED)
R.ERROR CLEAR(YELLOW)
R.STOP
R.START
R.ACTIVE
R.ERR.CLR
R.READY
R.RESET
REAR OPERATION PANEL(OPTION)
FRONT OPERATION PANEL
F.RESET(WHITE)
SB6
N08C95/T080D0
F.READY(WHITE)
SB5
N08C94/T080C7
SB4
N08C93/T080C6
F.ERROR CLEAR(YELLOW)
SB3
N08C92/T080C5
F.STOP(RED)
F.START(GREEN)
SB2
N08C91/T080C4
F.ACTIVE(WHITE)
SB1
N08C90/T080C3
F.ACTIVE
F.START
F.STOP
F.ERR.CLR
F.READY
F.RESET
J0701
J0702
J0703
J0704
J0705
J0767
J0181
J0182
J0226
J0213
J0214
J0215
J0216
J0217
J0218
J0207
J0208
J0209
J0210
J0211
J0212
J0723
J0724
CN12
CN12DO24
CN10
CN10STOPPER
CN11DO23
DO29 CN14
CN13DO25
INTERCONNECTION DIAGRAM
I/O A
See Page 2
CONTROL BOX
INTERFACE BOARDI/O B
TF I/O BOARD
I/O B
CN16COM1
I/O B
CN16
GOOD
CN18C/V MOTOR2
CN17C/V MOTOR1
CN17
CN2 CN3
CONVEYOR MOTOR 1 30W
M17
CV1
CV1 CN3CV1 CN2
CN1
DCN1
CN19AMF
CN19
AMF1
AMF2
CN20DC24V IN
CN20
CN22COM2
CN22
CN21BRAKE
INTERCONNECTION DIAGRAM
CN23
CN24C/V MOTOR4
CN23C/V MOTOR3
dYTF
See dYTF
CN25SIG.TOWER
CN25
IO/FPGA CN27
DO28 CN26
BUZZER
RUN(GREEN)
HL11
T080A1
T080A0
T080A2
T080A6
HL11
ALARM(RED)
ERROR(YELLOW)
T08185
T08184
T08183
T08182
T08181
T08180
MAIN ST1
MAIN ST2
CLAMP 1
CLAMP 2
SUB ST
EXIT ST
T08187
T080B4
ANC UP
T080B5
ANC OPEN
UP
NOZZLE STATION(OPTION)
T080D7
SIDE BLOW
OPERATION PANEL SEL.
ACTIVE CHANGE
See Page 8
TUNING CONVEYOR SENSOR
J0191
J0222
J0103 J0102
J0101
J0062 J0064
J0225
J0046
J0162
J0221
J0081
CN14
INTERCONNECTION DIAGRAM
See dYTF
dYTF STATION VAC/BLOW
T08107
T08106
HL13
HL12
A tbl NOZZLE STATION
A tbl NOZZLE STATION
BLOW STN
MAIN STOPPER UP
STAGE-1
MAIN STOPPER UP
STAGE-2
STAGE-1
STAGE-2
PCB CLAMP
PCB CLAMP
STOPPER UP
STOPPER UP
PUSH IN
J0871 IONIZER(OPTION)
See Page 24
I/O CONVEYOR BOARD ASSY
BUZZER
BUZZER
EX
See Page 4
COUNT RESET
BA OUT/UR OUT
BUSY IN/LR IN
NEXT INTERFACE
BUSY OUT/LR OUT
BA IN/UR IN
PREVIOUS INTERFACE
NEXT B
NEXT A
PREV B
PREV A
CN15GATE
CN15
J0198
J0199
J0223
J0224
INTERFACE PANEL
J0185
INTERFACE PANEL
□60 MAX 300rpm
P025
P011
T080B6
T080B7
LDC1 UP
LDC2 UP
CAPTURE1 D_CAM1
LIGHT UP
CAPTURE1 D_CAM2
LIGHT UP
SIDE BLOW
KM10A
POWER CIRCUIT
See Page 26
J0047
CONVEYOR
CONVEYOR MOTOR
ERROR LAMP(OPTION)
KGT-M4580-0XX
FIX24 & FES20 & FES24
GS21
POWER CIRCUIT
See Page 26
See Page 6
I/O HEAD BOARD
CN5
YV001
YV002
YV003
YV004
YV005
YV006
YV021
YV022
YV031
YV032
YV082
See dYTF,sATS
F1 SW DO
F2 SW DO
R1 SW DO
R2 SW DO
F BUZZER
R BUZZER
WAIT POS,MNT POS1&2,WORK OUT1&2
OPEN
SUB
EXIT
REAR LEFT
FRONT CENTER
REAR CENTER
FRONT LEFT
REAR RIGHT USB
FRONT CENTER
REAR CENTER
J0084J0082 J0083
J0087 J0088 J0098 J0096
COVER EARTH
FRONT RIGHT
J0086
J0099
CONVEYOR DRIVER 1
HL12
HL13
FRONT
REAR
ERROR LAMP(YELLOW)
ERROR LAMP(YELLOW)
HL12
HL13
ON
OFF
DIP SW(S2)
3
ON
OFF
1 2
DIP SW(S1)
4 5 6
V1
3
I/O CONVEYOR -1-
YG100R