SM411 Service Manual(CHI) - 第413页
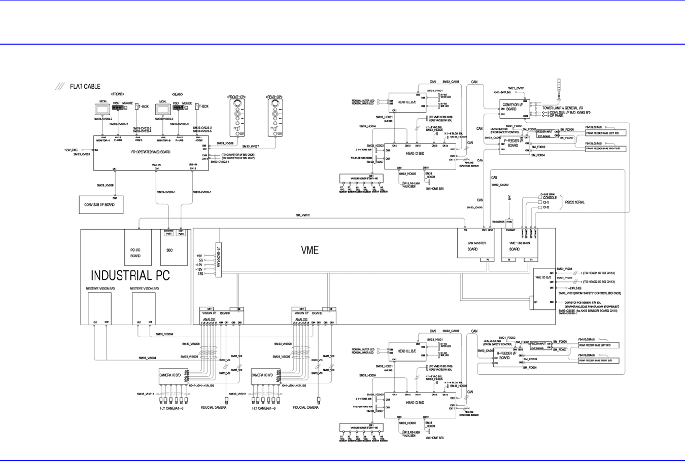
Electric Device 10-1 第 10 章 . Electric Device 10.1. System Wiring Diagram

Electric Device
10-1
第 10 章. Electric Device
10.1. System Wiring Diagram

Samsung Component Placer SM411 Service Manual
10-2
Electric Device 10-1 第 10 章 . Electric Device 10.1. System Wiring Diagram

