文档中心
/
SM411 Service Manual(CHI)
SM411 Service Manual(CHI) - 第418页
Samsung Component Placer SM41 1 Service Manual 10-6
目录
100%
显示:宽度
宽度
1 / 532
回到旧版
旧版
?
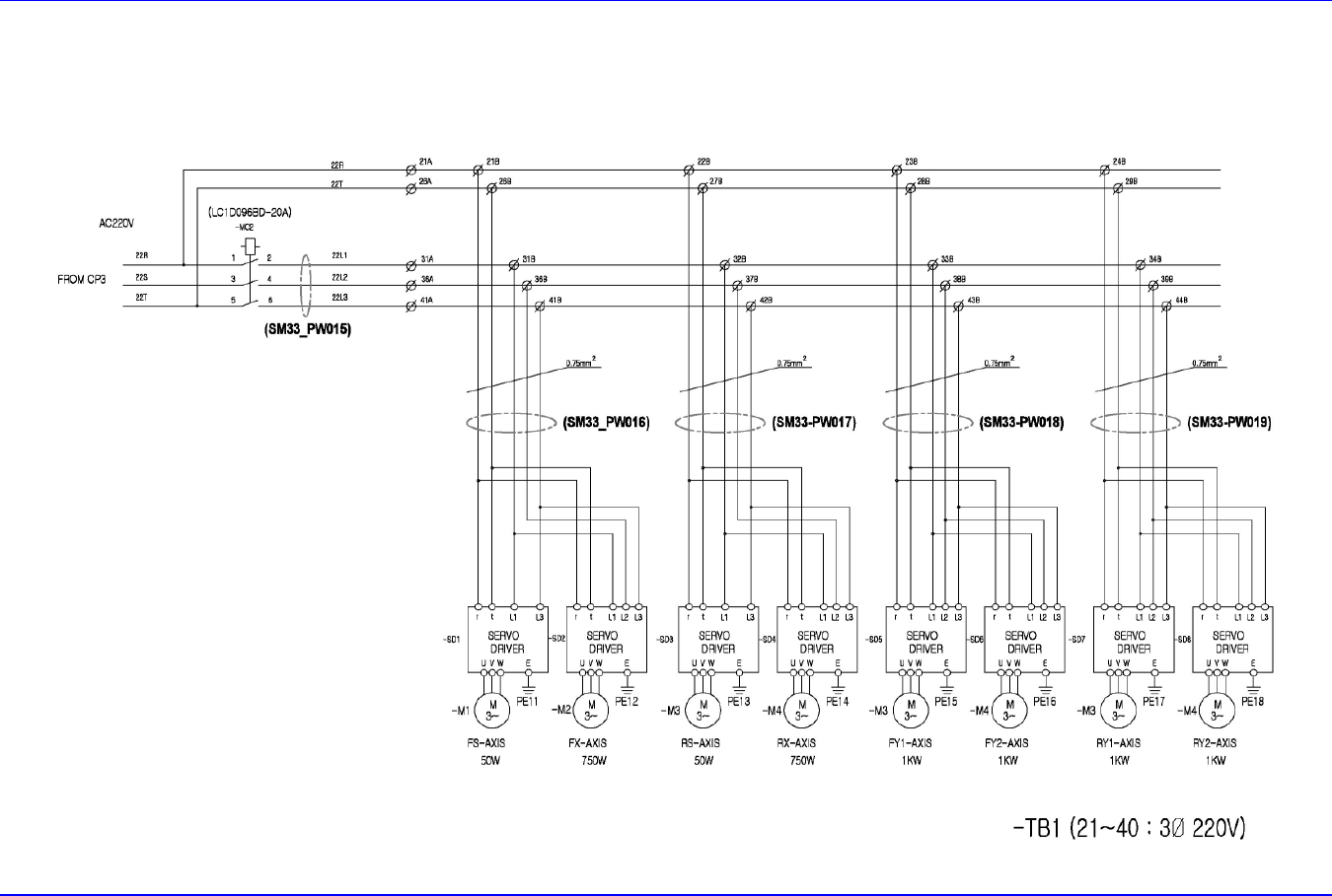
Electric Device
10-5
Samsung Component Placer SM41
1 Service Manual
10-6
Electric Device
10-7
该页面需要启用 JavaScript 才能进行交互式预览。