NPM-TT2 PARTS LIST1811.pdf - 第336页
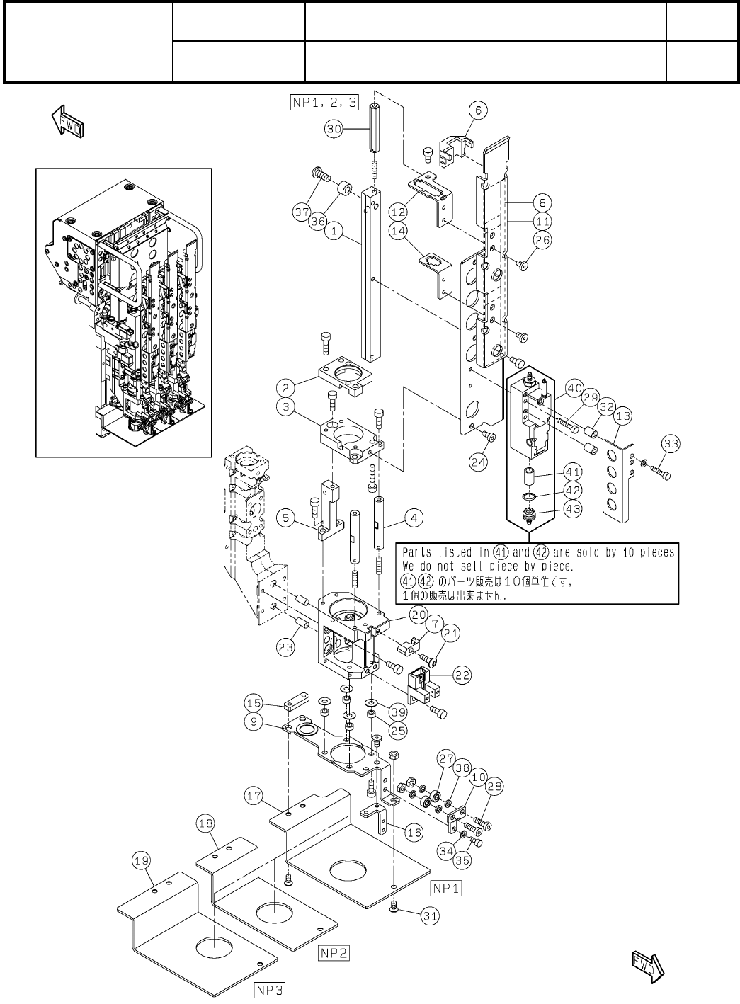
43-E 3ノズルヘ ッド V 2 3 Nozzle H ead V2 パーツレイアウト Kit No. キット 品番 Kit Name キット名称 MTKA009365AA セクションNo. PARTS LAYOUT Section No. - - O149 ( KMTKA009365AA-07-5 )

Ref
No.
Remarks R
1
Q'ty
43-D
3ノズルヘッド V2
3 Nozzle Head V2
イラスト
No.
Part No.
品 名品 番 数量
R
2
パーツリスト
Kit No.
キット品番
Kit Name
キット名称
MTKA009365AA
Part Name
備 考
セクションNo.
PARTS LIST
Section No.
R
3
PLATE
3
1 MTPS000820AA
COUPLING
3
2 N210199414AD
BRACKET
3
3 MTKA014917AA
WASHER
3
4 N210200236AA
DOG
3
5 N210199428AB
HOLDER
3
6 MTKP006175AA
BLOCK
3
7 MTKP003184AC
MOTOR
3
8 MTNM000021AB
S
R2GA02D15FCSP2
NUT
3
9 MTNK001843AA KR20 LOCKNUT SET(RN5+M2.6TAP1)-3342908
BEARING
3
10 N510069570AA AC5-14DF
SCREW
9
11 N510018225AA
Cross recessed Truss head machine screw M2.5X4-4.8 A2J (Trivalent)
LINEAR-WAY
3
12 MTNB000069AA MXD10C2R182SLE005
PIN
1
13 KXF0DAHAA00 1624701-30060
SPACER
3
14 MTNK000577AA ASL-317.5E
BOLT
6
15 N510017247AA
Hexagon socket head cap screw M2.5X8-10.9 A2J (Trivalent)
PIN
9
16 N510020589AA MMS3-8
BOLT
6
17 N510067765AA Low Head Cap Screw M3X8-8.8 A2J(Trivalent)
SPRING-PIN
3
18 N510029368AA 1017003-20012
WASHER
24
19 N510018476AA
Small round-plain washer 2.6 10H A2J (Trivalent)
SCREW
6
20 N510018251AA
Cross recessed Truss head machine screw M3X5-4.8 A2J (Trivalent)
BALL-SCREW
3
21 N510069546AC BLK0608S-3.3GT+154LCp5R(B)(33095316K014)
BOLT
24
22 N510017252AA
Hexagon socket head cap screw M2.6X8-10.9 A2J (Trivalent)
BOLT
6
23 N510018824AA
SSS 003 Hexagon socket button head screw M3X12-10.9 A2J (Trivalent)
WASHER
3
24 N510033229AA CC-0308-05
SENSOR
3
25 MTNS000145AA PM-K65
O148
--
( KMTKA009365AA-07-4 )

43-E
3ノズルヘッド V2
3 Nozzle Head V2
パーツレイアウト
Kit No.
キット品番
Kit Name
キット名称
MTKA009365AA
セクションNo.
PARTS LAYOUT
Section No.
--
O149
( KMTKA009365AA-07-5 )

Ref
No.
Remarks R
1
Q'ty
43-E
3ノズルヘッド V2
3 Nozzle Head V2
イラスト
No.
Part No.
品 名品 番 数量
R
2
パーツリスト
Kit No.
キット品番
Kit Name
キット名称
MTKA009365AA
Part Name
備 考
セクションNo.
PARTS LIST
Section No.
R
3
BAR
3
1 MTKA014911AA
PLATE
3
2 MTPS000820AA
PLATE
3
3 MTKA014912AA
POST
6
4 N210199401AC
POST
3
5 MTKA014916AA
GUIDE-BLOCK
3
6 MTPA011062AB
GUIDE-BLOCK
3
7 MTPA011063AA
SHEET
3
8 MTPA014680AA
BRACKET
3
9 MTPB012027AA
BRACKET
3
10 N210199438AC
BRACKET
3
11 N210200194AG
BRACKET
3
12 N210199424AE
BRACKET
3
13 MTPB001095AD
BRACKET
3
14 MTPB001096AC
NUT-PLATE
3
15 MTPB004923AA
BRACKET
3
16 MTPB002470AB
REFLECTOR
1
17 MTKP004357AB
REFLECTOR
1
18 MTKP004358AB
REFLECTOR
1
19 MTKP004359AB
HOUSING
3
20 MTKP003186AD
SCREW
3
21 N510018232AA
Cross recessed Truss head machine screw M3X10-4.8 A2J (Trivalent)
SENSOR
3
22 MTNS000148AA PM-Y65
PIN
6
23 N510020597AA MMS4-8
BOLT
3
24 N510067764AA Low Head Cap Screw M3X6-8.8 A2J(Trivalent)
SPACER
12
25 MTNK001899AA CB-302.5-5E
BOLT
18
26 N510067884AA Ultra Low Head Cap Screw M3X5-8.8 SOB
BEARING
6
27 KXF0C8ZAA00 683ZZ
BOLT
6
28 N510067767AA Low Head Cap Screw M3X10-8.8 A2J(Trivalent)
BOLT
6
29 N510017239AA
Hexagon socket head cap screw M2.5X14-10.9 A2J (Trivalent)
SPACER
3
30 N510067454AA ASL-335E
SCREW
9
31 N510018160AA
Cross recessed Countersunk head machine screw M3X6-4.8 A2S (Trivalent
SPACER
6
32 MTNK000282AA CL-2607KE
BOLT
6
33 N510017237AA
Hexagon socket head cap screw M2.5X12-10.9 A2J (Trivalent)
WASHER
12
34 N510041286AA
Small round-plain washer 2.5 10H A2J (Trivalent)
BOLT
6
35 N510017246AA
Hexagon socket head cap screw M2.5X6-10.9 A2J (Trivalent)
SPACER
3
36 MTNK003192AA CL-405E
BOLT
3
37 N510017516AA
SSS 003 Hexagon socket button head screw M4X10-10.9 A2J (Trivalent)
COLLAR
12
38 MTPA030203AA
WASHER
12
39 MTNK001897AA UW-0308-03
SENSOR
3
40 MTKP000743AC
ELEMENT
10
41 MTNP000972AA ZS-36-A-X349
O-RING
10
42 MTNP001033AA ZS-36-A-X350
CAP
1
43 MTNK004336AA ZS-36-A-X351
O150
--
( KMTKA009365AA-07-5 )