NPM-TT2 PARTS LIST1811 - 第385页
Ref No. Remarks R 1 Q'ty 55-G 汎用型転写ユニット(メカ):NPM MULTIFUNCT IONAL TRANSFER UNIT:NPM イラスト No. Part No. 品 名 品 番 数量 R 2 パーツリスト Kit No. キット品番 Kit Name キット名称 N610095857AB Part Nam e 備 考 セク ション No . PARTS LIST Section No. …

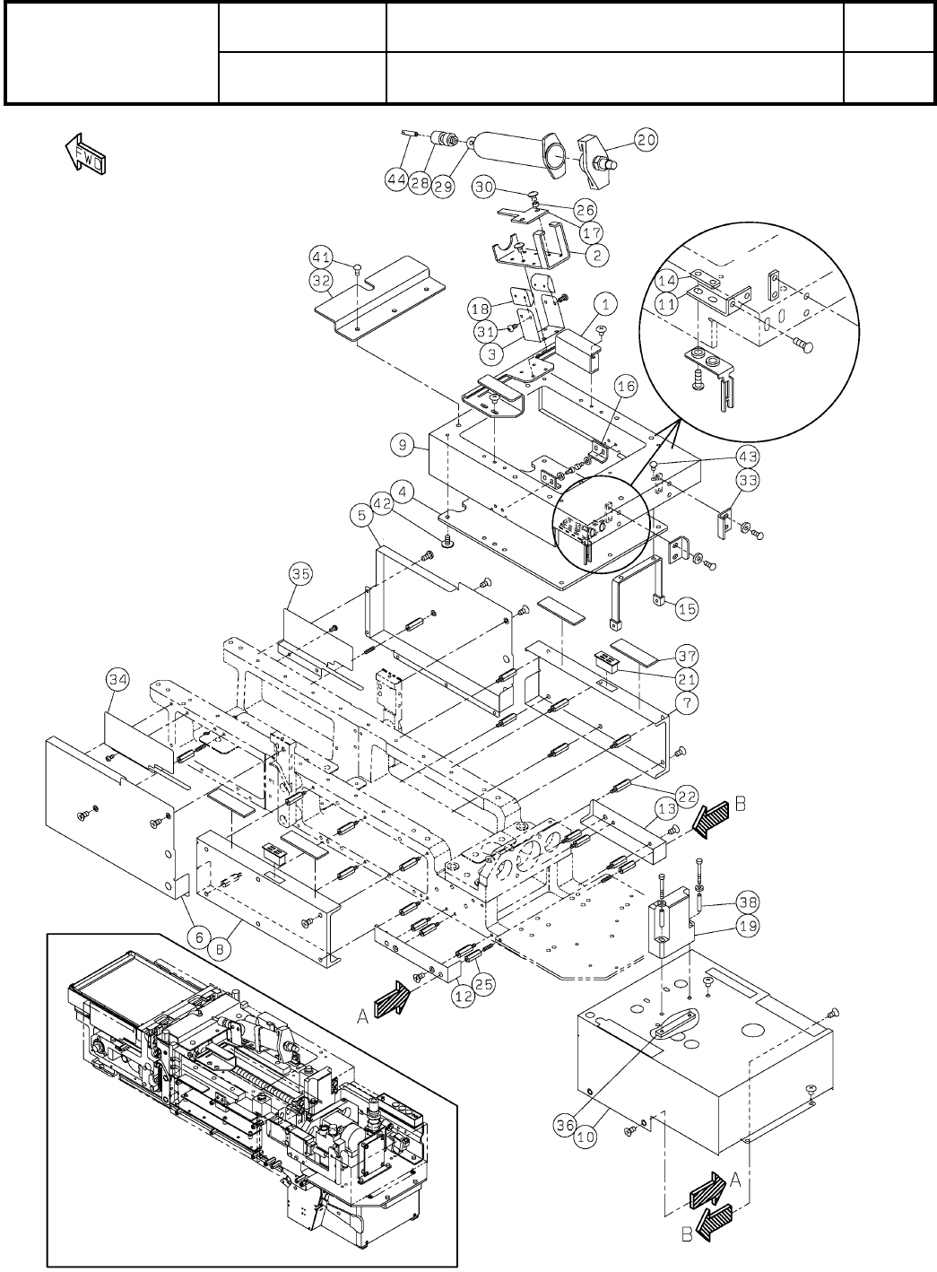
55-G
汎用型転写ユニット(メカ):NPM
MULTIFUNCTIONAL TRANSFER UNIT:NPM
パーツレイアウト
Kit No.
キット品番
Kit Name
キット名称
N610095857AB
セクションNo.
PARTS LAYOUT
Section No.
--
O191
( KN610095857AB-05-7 )

Ref
No.
Remarks R
1
Q'ty
55-G
汎用型転写ユニット(メカ):NPM
MULTIFUNCTIONAL TRANSFER UNIT:NPM
イラスト
No.
Part No.
品 名品 番 数量
R
2
パーツリスト
Kit No.
キット品番
Kit Name
キット名称
N610095857AB
Part Name
備 考
セクションNo.
PARTS LIST
Section No.
R
3
SLIDE-KIT
1
1 N610104543AB
GUIDE
4
2 N210005451AB
PLATE
6
3 N210005450AB
BLOCK
2
4 N610067710AB
BLOCK
1
5 N210084487AB
PIN
1
6 KXF0E36CA00 1010801-30012
COLLAR
2
7KXFA1Q1CA00
O192
--
( KN610095857AB-05-7 )

55-H
汎用型転写ユニット(メカ):NPM
MULTIFUNCTIONAL TRANSFER UNIT:NPM
パーツレイアウト
Kit No.
キット品番
Kit Name
キット名称
N610095857AB
セクションNo.
PARTS LAYOUT
Section No.
--
O193
( KN610095857AB-05-8 )