NPM-TT2 PARTS LIST1811 - 第83页
Ref No. Remarks R 1 Q'ty 20-B ヘッドオプション駆動ユニット:NPM-W2 Head Option Driv ing Unit:NPM -W 2 イラスト No. Part No. 品 名 品 番 数量 R 2 パーツリスト Kit No. キット品番 Kit Name キット名称 MTKA000962AB Part Nam e 備 考 セク ション No . PARTS LIST Section …

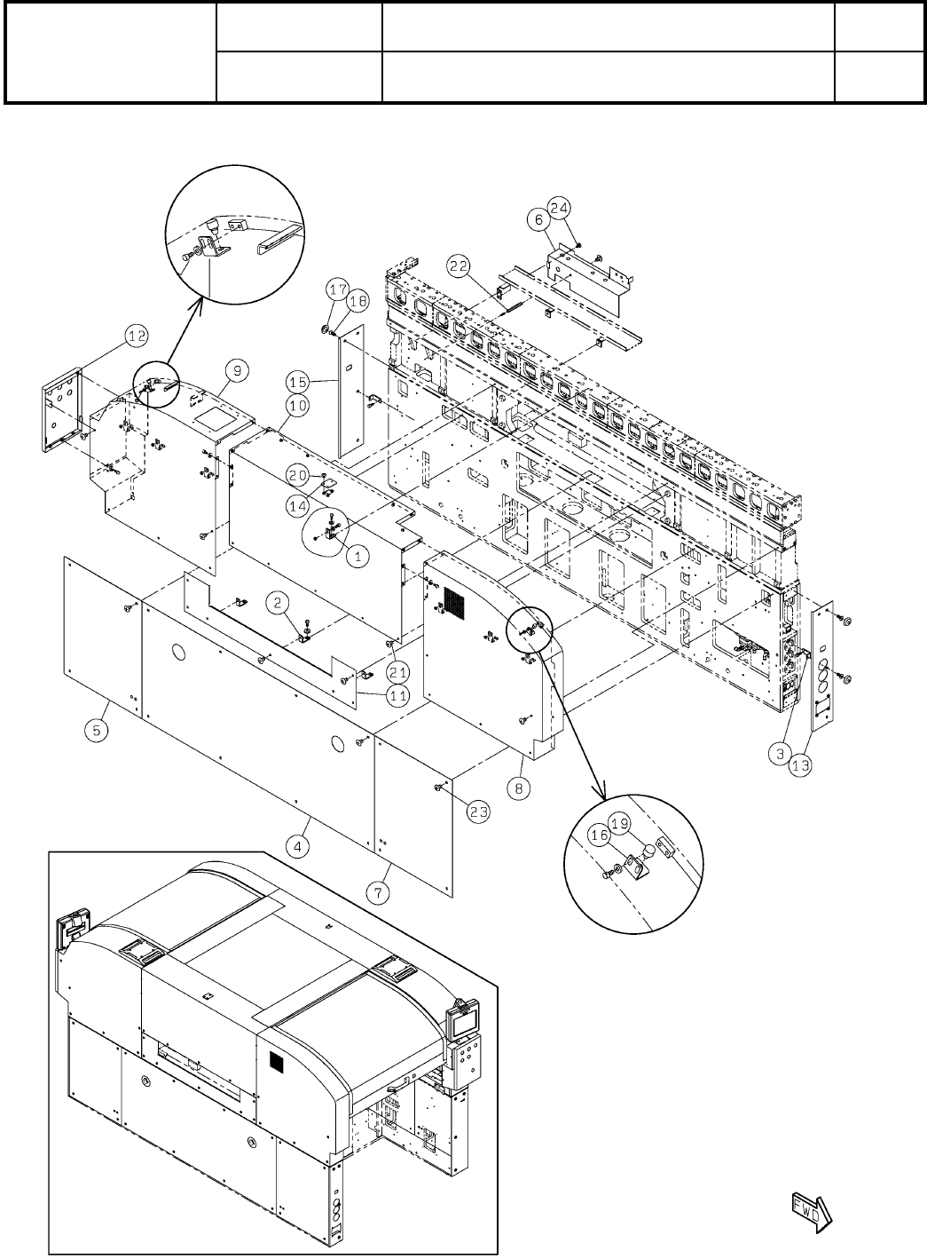
20-B
ヘッドオプション駆動ユニット:NPM-W2
Head Option Driving Unit:NPM-W2
パーツレイアウト
Kit No.
キット品番
Kit Name
キット名称
MTKA000962AB
セクションNo.
PARTS LAYOUT
Section No.
--
S61
( KMTKA000962AB-01-2 )

Ref
No.
Remarks R
1
Q'ty
20-B
ヘッドオプション駆動ユニット:NPM-W2
Head Option Driving Unit:NPM-W2
イラスト
No.
Part No.
品 名品 番 数量
R
2
パーツリスト
Kit No.
キット品番
Kit Name
キット名称
MTKA000962AB
Part Name
備 考
セクションNo.
PARTS LIST
Section No.
R
3
BLOCK
1
1 N210096734AA
WASHER
1
2 N210117330AA
SPRING
1
3 N210096545AA
GUIDE
1
4 N210096547AA
BLOCK
1
5 N210106405AA
BRACKET
1
6 N210142857AD
HANDLE
1
7 N210114670AD
PLATE
1
8 N210097401AD
JOINT
1
9 N510066662AA KQ2L04-M5A
VALVE
1
10 MTNP000891AA VQZ115-5MOZ1-M5-PR-X550
SILENCER
1
11 KXF00WCAA00 AN120-M5
JOINT
1
12 N510066461AA KQ2L06-M5A
SPACER
2
13 N510030918AA CB-301E
BEARING
2
14 N510039650AA 693T12AZZMC3
SPACER
2
15 N510029528AA CF-309E
WASHER
1
16 N510026609AA LLRB8-0.5
SPEED-CONTROLLER
2
17 N510040546AA AS1211F-M5-04-15-X250
JOINT
1
18 N510066708AA KQ2R06-04A
SILENCER
1
19 N510064383AA AN10-C06
BOLT
1
20 N510017536AA
SSS 003 Hexagon socket button head screw M4X8-10.9 A2J (Trivalent)
CLIP
1
21 KXF0BLPAA00 TA1S8-M
CYLINDER(300mm)
1
22 N610123946AC
S62
--
( KMTKA000962AB-01-2 )

21-A
全体カバー:NPM-TT2
Whole Cover:NPM-TT2
パーツレイアウト
Kit No.
キット品番
Kit Name
キット名称
MTKA007681AA
セクションNo.
PARTS LAYOUT
Section No.
--
S63
( KMTKA007681AA-09-1 )