NPM-TT2 PARTS LIST1811 - 第87页
Ref No. Remarks R 1 Q'ty 21-B 全体カバー:NPM-TT2 W hole Cover:NPM -TT 2 イラスト No. Part No. 品 名 品 番 数量 R 2 パーツリスト Kit No. キット品番 Kit Name キット名称 MTKA007681AA Part Nam e 備 考 セク ション No . PARTS LIST Section No. R 3 COVER 1 1 MT…

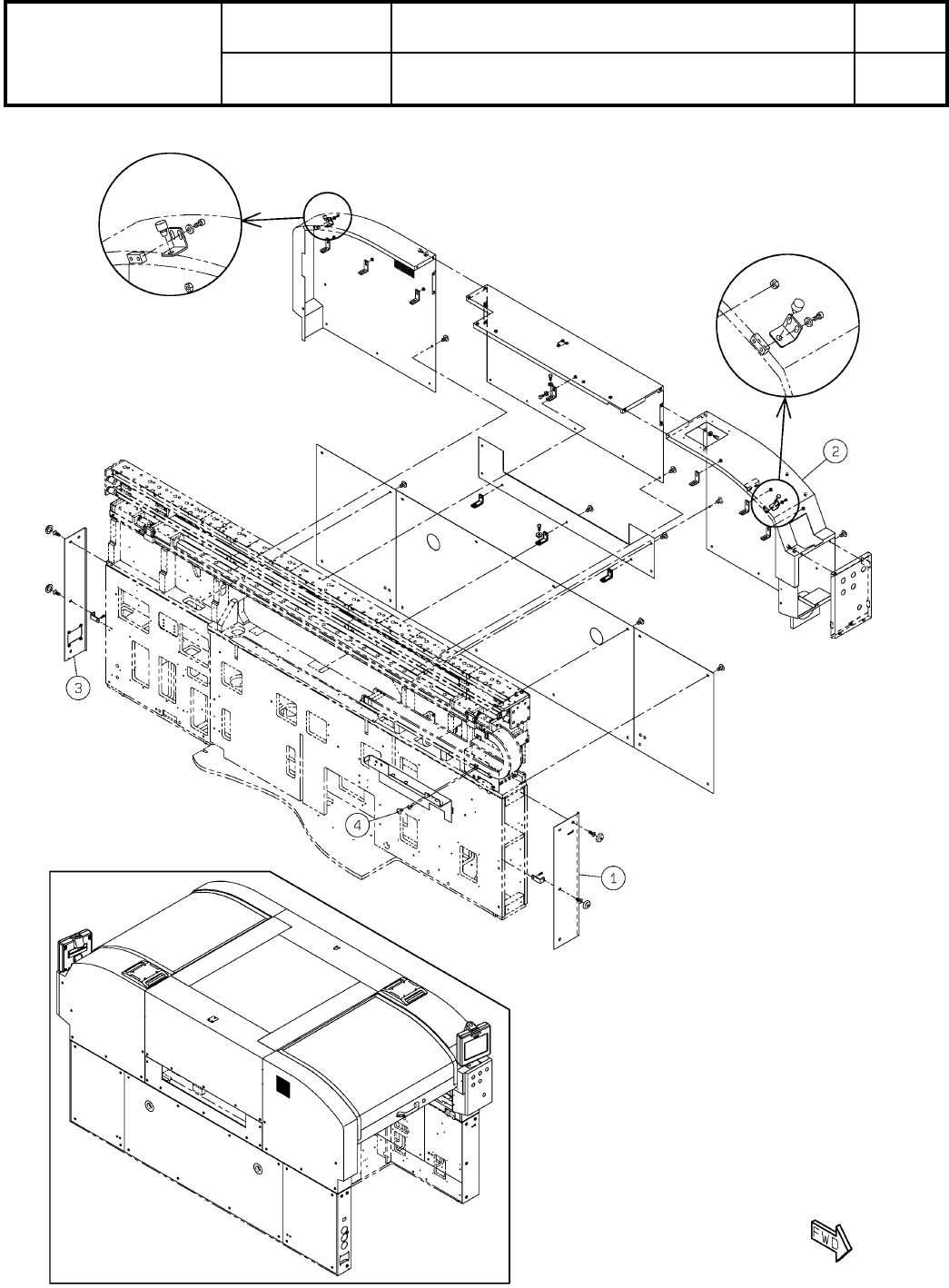
21-B
全体カバー:NPM-TT2
Whole Cover:NPM-TT2
パーツレイアウト
Kit No.
キット品番
Kit Name
キット名称
MTKA007681AA
セクションNo.
PARTS LAYOUT
Section No.
--
S65
( KMTKA007681AA-09-2 )

Ref
No.
Remarks R
1
Q'ty
21-B
全体カバー:NPM-TT2
Whole Cover:NPM-TT2
イラスト
No.
Part No.
品 名品 番 数量
R
2
パーツリスト
Kit No.
キット品番
Kit Name
キット名称
MTKA007681AA
Part Name
備 考
セクションNo.
PARTS LIST
Section No.
R
3
COVER
1
1 MTKP003708AA
COVER
1
2 MTKP003710AC
COVER
1
3 MTKP003712AB
SCREW
1
4 N510018303AA
Cross recessed Truss head machine screw M5X8-4.8 A2S (Trivalent)
S66
--
( KMTKA007681AA-09-2 )

21-C
全体カバー:NPM-TT2
Whole Cover:NPM-TT2
パーツレイアウト
Kit No.
キット品番
Kit Name
キット名称
MTKA007681AA
セクションNo.
PARTS LAYOUT
Section No.
--
S67
( KMTKA007681AA-09-3 )