ASM贴片机SX2机型电路图 - 第47页
electric_schematic_SX12_V3 90013315-010101LE3 Replaced by DC 300 V Replaced by Weitergabe sowie Vervielfältigung dieser Unterlage, Verwertung und Mitteilung des Inhalts nicht gestattet, soweit nicht ausdrücklich zugestan…

electric_schematic_SX12_V3
90013315-010101LE3
Replaced by
Mains input
Replaced by
Weitergabe sowie Vervielfältigung dieser Unterlage, Verwertung und
Mitteilung des Inhalts nicht gestattet, soweit nicht ausdrücklich zugestanden.
Proprietary Data, company confidential.
All rights reserved
Copying of this document, giving it to others and the use or
communication of the contents thereof, are forbidden without express authority.
Doc. No.
0 1 2 3 4 5 6 7 8 9
Privileged business information.
Do not release
Offenders are liable to payment of damages. All rights are reserved in the
event of the grant or the registration of a utility model or design.
Zuwiederhandlungen verpflichten zu Schadenersatz. Alle Rechte vorbehalten,
insbesondere für den Fall der Patenterteilung oder GM-Eintragung vorbehalten.
Page:
Function: Power Supply SX12 V3, switched mode
==PS002=SX12_V3/42
drawing number:
03233467-010101LE3
GmbH & Co KG
ASM
Assembly Systems
Copyright reserved
Ed.
Original
maettig
Date
Date
Modification
Appr
04.05.2020
Name
starting MC-Nr.: 2018/Q3 G. Pingist
Size DIN A2
Sheet
42
/
3
Q2-L1
Q2-L2
Q2-L3
Q2-PE
Q2-L3
Q2-L2
Q2-PE
Q2-L1
CORE
Q2-L1'
Q2-L2'
Q2-L3'
T1-L1'
T1-L2'
Q2-PE'
T1-L3'
Q2-L1'
Q2-PE'
Q2-L2'
Q2-L3'
T1-L1'
T1-L2'
T1-L3'
T1-PE'
T1-PE'
Mains testing
terminals
Mains supply (TN-C, TN-S, TN-C-S)
3 x 380 V AC .... 3 x 415 V AC +/- 10%
Low Voltage Option
3 x 200 V AC .... 3 x 240 V AC +/- 10%
50 / 60 Hz 2.1 .. 2.4 kVA
T1-PE
T1-L1
T1-L2
T1-L3
-X1.FLR
Cable lug
Floor
M5
1
2
3
4
5
-X2
Mains Connection
CEEE05S
L1/L2/L3/N/PE
3
L3
4
N
2
L2
-X94
1
L1
X1
3
MGP
X1
2
MGP
-X101
1
2
3
4
5
6
7
8
1000 mm
4G2,5
ÖLFLEX® 191 UL/CSA
03110977-02
-W2.1
1
2
3
GNYE
-S1
25 A
Main power switch
EAT.P1-25/SVB-MCS
1
2
3
4
5
6
3
L3
2
L2
-X96
X96-L1
Interruptable Power distribution
*** Optional ***
If complete machine
has to be switched off
using only one control
1
L1
-MGP-PE
Main_ground_point
ÖLFLEX® 191 UL/CSA
4G2,5
1100 mm
03110977 -02
-W2.2
1
2
3
GNYE
-X101BR
Supply Bridge (Plug)
1
2
3
4
5
6
7
8
5 5
Single-wire
4x2,5
100 mm
03110977 -02
-W3
1
2
3
GNYE
-F1
16 A C
Line protection
EAT.FAZ-C16/3-NA
1
2
3
4
5
6
X1
1
MGP
3+PE
3~
M
-qr
3
L3
2
L2
-X95
1
L1
#03232247
retrofitkit_vacuumpump_IE3_SX12_V3
-X1.CVR
Cable lug
Front door
M5
3x4,0
single core
03124591 -02
-W25.1
4,0 OG
4,0 OG
4,0 OG
3x2,5
single core
03124591 -02
-W25.2
3x2,5
single core
03124591 -02
-W25.3
2,5 BK
2,5 BK
2,5 BK
3x2,5
single core
03124591 -02
-W25.4
2,5 GNYE
2,5 BU
2,5 OG
5x2,5
single core
03124591 -02
-W25.5
2,5 GNYE
2,5 GNYE
2,5 GNYE
2,5 GNYE
2,5 GNYE
2,5 OG
2,5 OG
2,5 OG
4x2,5
single core
03124591 -02
-W25.2
2,5 OG
2,5 OG
2,5 OG
X95
4
MGP
U`
U
V`
V
W`
W
1U1; ;415 V
1U2208 V
1V1415 V
1V2; 208 V
1W1; 415 V
1W2; 208 V
-T1
3P208V/400V/5,05A
-A100
Inrush
current limiter
-OPT_LowVoltage
Low Voltage adaption kit (Option)
3P208V/400V/5,05A
03107593
PEPE
-R
-K1
1
2
3
4
5
6
2,5 BK
2,5 BK
2,5 BK
1U 2 3
PE
200 V input
1U 2 3
2,5 GNYE
2U2U
-F1
Fuse 6,3 A T
400 V output
2V2V
-F2
Fuse 6,3 A T
2W2W
-F3
Fuse 6,3 A T
-X101.TR
Low Voltage
Option
Converter
Connection
- Optional-Connection -
1
2
3
4
6
7
8
5
9
ÖLFLEX® 191 UL/CSA
4G2,5
1100 mm
03121277 -02
-W1.2
1
2
3
GNYE
1100 mm
4G2,5
ÖLFLEX® 191 UL/CSA
03121277-02
-W1.1
1
2
3
GNYE
==Intern
Cable mains connection
OPTIONAL
6000 mm
5G4,0
ÖLFLEX® 191
00335210 -02
-W1
BK1
BK2
BN
GNYE
BU
L2 L3 N PEL1
-X94
-MGP-PE
PE DIN-Rail
2,5 GNYE
3
PE
2
N
-X98
1
L
WAGO in a row:
- 2004-1401(GY)
- 2004-1404(BU)
- 2004-1407(GNYE)
- 2004-1492 (End_plate OG)
X94
5
MGP
X301
4
MGP
PE_CAP
/43.1
PE_CSB.A2
==PS+-VP_PE
+VAC_P/45.6
==PS+-VP_L3
+VAC_P/45.5
==PS+-VP_L2
+VAC_P/45.5
==PS+-VP_L1
+VAC_P/45.5
PE_FD.A1
/44.4
PE_MGCU1
==CH+CSB/53.1
PE_MGCU2
==CH+CSB/53.2
PS2-PE
/43.2
PS3-PE
/43.2
PS1-PE
/43.2
T1-PE
/43.2
-Mains-Sub
/43.3

electric_schematic_SX12_V3
90013315-010101LE3
Replaced by
DC 300 V
Replaced by
Weitergabe sowie Vervielfältigung dieser Unterlage, Verwertung und
Mitteilung des Inhalts nicht gestattet, soweit nicht ausdrücklich zugestanden.
Proprietary Data, company confidential.
All rights reserved
Copying of this document, giving it to others and the use or
communication of the contents thereof, are forbidden without express authority.
Doc. No.
0 1 2 3 4 5 6 7 8 9
Privileged business information.
Do not release
Offenders are liable to payment of damages. All rights are reserved in the
event of the grant or the registration of a utility model or design.
Zuwiederhandlungen verpflichten zu Schadenersatz. Alle Rechte vorbehalten,
insbesondere für den Fall der Patenterteilung oder GM-Eintragung vorbehalten.
Page:
Function: Power Supply SX12 V3, switched mode
==PS002=SX12_V3/43
drawing number:
03233467-010101LE3
Power_supply SMPS
GmbH & Co KG
ASM
Assembly Systems
Copyright reserved
Ed.
Original
maettig
Date
Date
Modification
Appr
04.05.2020
Name
starting MC-Nr.: 2018/Q3 G. Pingist
Size DIN A2
Sheet
43
/
3
P_160
P_GND_2
P_GND_1
Discharge
Control
Diagnostic
Master
24V
5 V
Bus Master +
Controller -->
discharge logic
CAP value detection
I/O
ADC:
U, I
RS485
driver
T1-L2
T1-L1
PS2-L1
PS3-L1
PS3-L2
PS2-L3
PS3-PE
Overload
DC ok
GND
GND
RS485
driver
Remark:
No shielded connector at
diagnostic master
Shield is connected to GND
at IOCU
PS2-L2
T1-PE
T1-L3
PS3-L3
PS2-PE
-X1
Power DC-Out
160V/300V
1 2 3 4 5
-X1.CAP1
Phoenix Mini Combicon
QT40 Diagnostic
1234
-X2
Diagnostic Interface
1 2 3 4
-X2
DC-Power out
160V/300V
1 2 3 4
Voltage testing point
Use for testing purpose only!
Voltage testing point
Use for testing purpose only!
1 2 3 4 5 6 87
RJ45
Diagnostic
Master
-X0
GND
RS485_OUT_NINV
RS485_OUT_INV
+24V
RS485_IN_NINV
RS485_IN_INV
+24V
GND
-X0.CAP1
RJ45
Diagnostic Master
1 2 3 4 5 6 7 8
RS485_IN_NINV
GND 1
+24V 2
RS485_IN_INV
GND 2
+24V 1
RS485_OUT_NINV
RS485_OUT_INV
4
-X2
1
2
3
4
5
6
7
8
-X1
1
2
3
4
5
6
7
8
-X2
1
2
3
4
5
6
7
8
RJ45
-X1
1
2
3
4
5
6
7
8
+24V 2
RS485_OUT_NINV
RS485_IN_INV
GND 1
RS485_IN_NINV
GND 2
RS485_OUT_INV
+24V 1
P_300
P_300
P_GND_2
P_160
P_GND_1
-X2.PS1
Diagnostic
1 2 3 4
-X1.PS1
Power
1 2 3 4 5
-X3.CAP1
Power
1 2 3 4 5
1 2 3 4 5
-X1
Diagnostic 1
1234
-X2.CAP1
DC-Power out
1 2 3 4
-PS1
Power Supply 3AC 380-480V
Uout = 300 V DC / 160 V DC
PULS.QT40-999-70
03103087
PE L1 L2 L3
+5 V
D+
PWR_GND
+ 160 V
+300V
D+
D- D-
GND
+5 V
GND
40 mF
-C1
+
Discharge
internal CAP
-R3
-X1:PE
ON
PWR GND
+160 V
+300 V
2 3
+24V
+24V
GND
-X3
DC-IN
160V/300V
PWR GND
-CAP1
DC 300/150
Capcitor Bank
40 mF
PULS.PCS417.381
03103081
480 mm
3x1,5
Single core
03110978-03
-W3.1
500 mm
2x2x0,23
UNITRONIC® LiYCY (TP) A
03110979-02
-W4.1
Use twisted pair cables!
500 mm
5x4
Single Wire
03110981-02
-W5.1
-X302
1
BK BK BK
BK BK BK
#03110979-R1
Termination Resistor
-X303
Service Testing point
DC300 PS1/QT40
WAGO.2007-8801
03114296
1
BK
BK
4x1,5
Single core
-X304
TP2 Service Testing point
DC300 PCS417
WAGO.2007-8801
03114296
1
2x4,0
Single wire
BK
BK
WH GN YE BN
SH
Single wire connections
#03121661-W11.1
2,5 GNYE
2,5 GNYE
2,5
GNYE
2,5
BK
2,5
BK
2,5
BK
-AD1
RJ45 Adapter
EFB.37508.1V2
03098672
1 m
Crossover Cable
03119414
-W23
USE 100 or 1000 Base-T
crossover line ONLY
crossed = Pin 1-3, 2-6
WH-OG
OG
WH-GN
BU
WH-BU
GN
WH-BN
BN
-X14qb
1
2
3
4
5
6
7
8
3,44 m
Patchkabel Cat.5e S-FTP
03112249
-W1
WH-OG
OG
WH-GN
BU
WH-BU
GN
WH-BN
BN
-X305
Service Testing point
DC300 PS1/QT40
WAGO.2007-8801
03114296
1
GND
BK
BK
QT40 to Diagnostic Master Data Connection
#03110979-W4.2
OUT V2(160V)
5
P_GND
6
P_GND
7
OUT V1 (300V)
8
ON
9
-CAP1-X1.CAP
Cable lug M4
crimp 2.5 mm²
M4
Power input
-X19.CSB
A1 A2 B1 B2A3 B3
-Mains-Sub
#03110977-X101:7 /42.5
-Mains-Sub-1
/44.0
PE_CAP
/42.8
RS485_PSU
from Distributor IOCU
==DI+DI/48.4
-PWR-160/300V
==CSB/47.4
PS2-PE
/42.9
PS3-PE
/42.9
T1-PE
/42.5
PS1-PE
/42.9

electric_schematic_SX12_V3
90013315-010101LE3
Replaced by
Low Voltage supply -Fusing
Replaced by
Weitergabe sowie Vervielfältigung dieser Unterlage, Verwertung und
Mitteilung des Inhalts nicht gestattet, soweit nicht ausdrücklich zugestanden.
Proprietary Data, company confidential.
All rights reserved
Copying of this document, giving it to others and the use or
communication of the contents thereof, are forbidden without express authority.
Doc. No.
0 1 2 3 4 5 6 7 8 9
Privileged business information.
Do not release
Offenders are liable to payment of damages. All rights are reserved in the
event of the grant or the registration of a utility model or design.
Zuwiederhandlungen verpflichten zu Schadenersatz. Alle Rechte vorbehalten,
insbesondere für den Fall der Patenterteilung oder GM-Eintragung vorbehalten.
Page:
Function: Power Supply SX12 V3, switched mode
==PS002=SX12_V3/44
drawing number:
03233467-010101LE3
Power_supply SMPS
GmbH & Co KG
ASM
Assembly Systems
Copyright reserved
Ed.
Original
maettig
Date
Date
Modification
Appr
12.05.2020
Name
starting MC-Nr.: 2018/Q3 G. Pingist
Size DIN A2
Sheet
44
/
3
DC Out
PS2-PE
PS2-L1
PS2-L2
PS2-L3
PS3-PE
To XB1a, XB1b, X2, Xb4, X5, Xb5a, XB5bTo Xb4, XB3, XB2, XB1a, XB1b, X24
dU = 12 V
I = 2 A
dt = 0,1 s
Serialize digital inputs
Data bus level adjust done by optocouplers
Signal level: 24 V unipolar
RED: individual voltage monitoring (on Board)
Power Supply
3AC 380-480V
DC Out
DC Voltage conversion
27V --> 24 V
240 W
RS485
driver
CLKSDATACS
To X2, Xb4, Xb5, X24
discharge-
Head-Puffer
internal connections
between GND layers
and PE layer
NOT DISCONNECTABLE
Board ID
32 bits
GREEN: Diagnostic OK
Display logic
GREEN:
RED:
Diagnostic module OK
ON: main operation OK
OFF: Error in diagnostic module
Individual error detection
ON: output voltage of channel monitored
dropped below -20% of nominal voltage
OFF: output voltage of channel monitored
within nominal limits
to Gantry interface 1
see Machine cable harness
dU = 50 V
I = 1 A
dt = 0,1 s
dt = dU/I * C
C = dt * I/dU=
= 0.1 * 1 / 50 = 0.002 [F]
GND160
3AC 380-480V
Power Supply
Overload
DC ok
Overload
DC ok
dt = dU/I * C
C = dt * I/dU=
= 0.1 * 2 / 12=
= 0.016 [F]
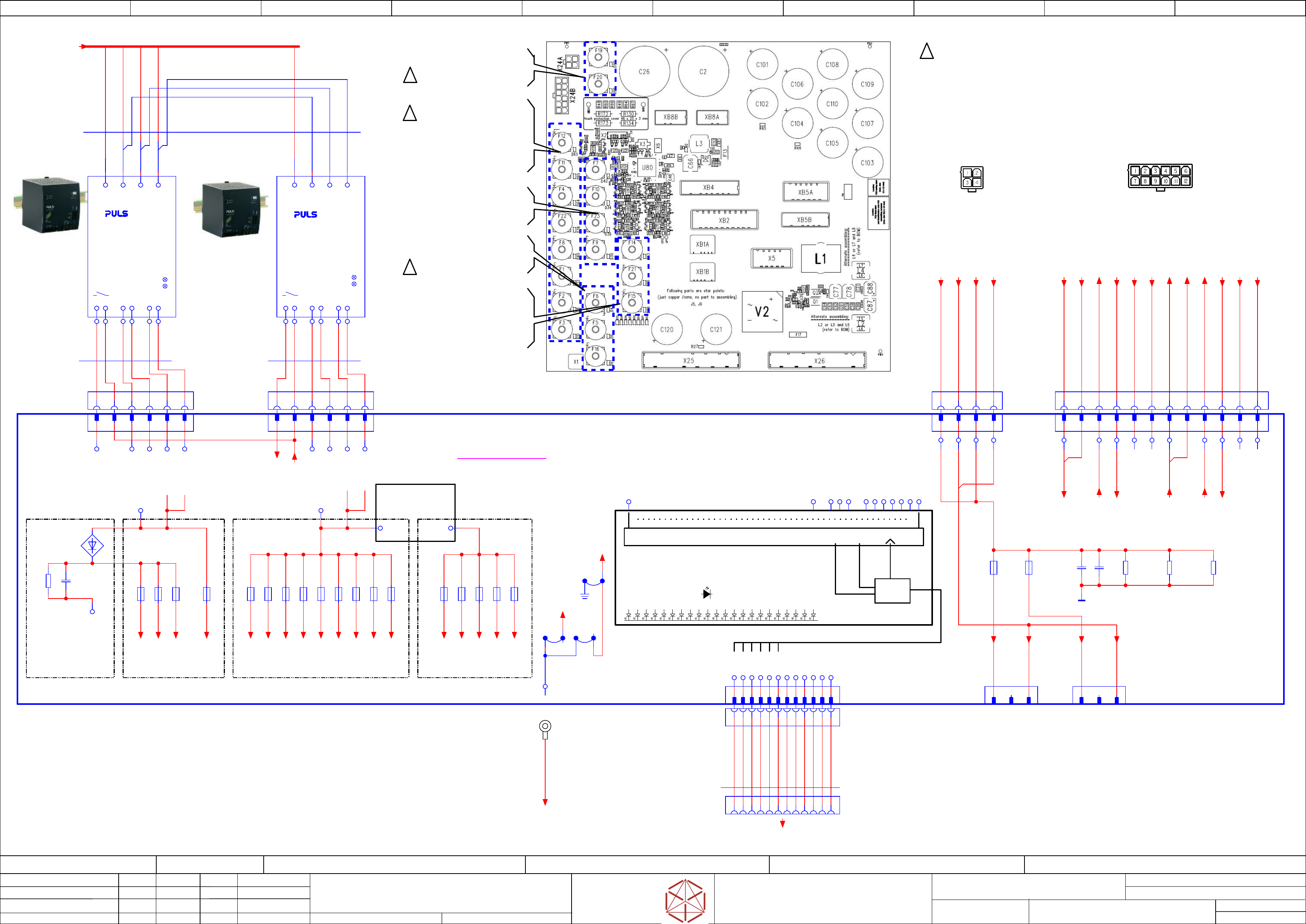
-X24A
Star Voltage
1 2 3 4
Calculation of
buffer Cap value
F12: CSB supply
F11: SSK-ready CSB
F4: Distributor/POWER_FAIL
F22: FCU1
F8: Y Sensor 1;
Vision Base Interface VBI 1
F1: MGCU1
F2: not used
F3: MGCU2
F7: Conveyor control
F10: internal
F23: FCU2
F9: Y Sensor 2;
Vision Base Interface VBI 2
F14: Head Supply 1
F21: Vision
F15: Head Supply 2
Fuses
to Gantry interface 2
see Machine cable harness
F19: Head Axis 1
F20: Head Axis 2
F6: PC option
F5: PC
F16: Conveyor drives
Safety Breaker
controlled
voltage
S
S
S
S
....
03104070-020101le3
-X24B
Control
1 2 3 4 5 6 7 8 9 10 11 12
-X25.FD
DC 42V in
1 2 3 4 5 6 1 2 3 4 1 2 3 4 5 6 7 8 9 10 11 12
-XB8a
Head
supply
1 2 3
-XB8b
Head
supply
1 2 3
14 13
-PS2
Conveyor and Head supply
Uout = 42 V +/- 500mV
PULS.QT40.361
03103331
- - + +
-X26.FD
X coded
DC 27 V IN
1 2 3 4 5 6
14 13
-PS3
Electronics supply
Uout = 27 V +/- 200 mV
PULS.QT40.241
03104141
- - + +
-X25
DC 42 V in
20 A con
1 2 3 4
-X26
DC 27 V in
40 A con
1 2
-FD.A1
Fuse and distribution
DC 42V in 1
DC 42V in 2
GND42
GND42
DC 27 V_1
GND27
-F5
PC
6,3 A T
-F7
Conveyor control
6.3 A T
-F6
PC_opt
6,3 A T
-F4
Distributor
6.3 A T
-F2
not used
6,3 A T
-F1
MGCU 1
6,3 A T
-F3
MGCU 2
6,3 A T
-F8
Y Sensor 1; VBI 1
6,3 A T
-F9
Y Sensor 2; VBI 2
6,3 A T
-F10
internal
6.3 A T
-F11
SSK-ready CSB
6.3 A T
-F16
Conveyor drives
10A T
-F15
Head supply 2
6.3 A T
-F12
CSB supply
6.3 A T
-F14
Head supply 1
6.3 A T
-F21
Vision
6.3 A T
3
-C101_110
10x 2200µF
+
GND
4
DC 27 V-2
GND27
55 6
+42V
-F23
FCU 2
10 A T
-F22
FCU 1
10 A T
+27V
F1
PWR_Fail_27V_in (default: FAIL)
PWR_Fail_42V_in (default: FAIL)
F23
PWR_Fail_in (default: FAIL)
PE
GND27
PE
X1:PE
6
>27V >24V
K1_OK (default: NOK)
K2_OK (default: NOK)
ID0
ID1
ID2
ID3
K2_OK (default: NOK)
6x(2x1,5/4x4,0)
Single wire
03110991-02
-W7
BK 4,0
BK 4,0
BK 4,0
BK 4,0
BK 1,5
BK 1,5
-F20
Gantry 2
-F19
Gantry 1
-C26
2x 1200µF
Buffer 160 V
+
-R48
3x 47K/0,5W
For safe discharge
1 minute
board standalone
only
+ 160 V
GND160
+ 42 V
+ 42 V Safety
PCC_PWR_OK
PWR_ENA
+ 24 V
CH1_OK
CH2_OK
24V_Safety
+ 160 V
GND
+ 24 V
GND160
1
GND160
-C2
+
-R49
47K/0,5W
-J2
-J3
LGND
GND27
-J1
-V2
-R45_46
2x10K 1,4W
-R50
47K/0,5W
530 mm
6x(2x1,5/4x4,0)
Single wire
03110992-02
-W8
BK 4,0
BK 4,0
BK 4,0
BK 4,0
BK 1,5
BK 1,5
PWR_OK_PS2
PE L1 L2 L3 PE L1 L2 L3
1 2 3 4 5 6 7 8 9 10 11 12
MOSI
CLK
/CS
CS
/CLK
/MOSI
-X2
1 2 3 4 5 6 7 8 9
-X2.FD
Diagnostic
serial interface
NC
NC
10 11 12
+ 5V
GND
NC
GND
1
-X11qp
Diagnostic
serial interface
Distributor
Socket housing DF11 12-pin 2mm pitch
2 3 4 5 6 7 8 9
10 11 12
WH
BN
GN
YE
GY
BU
RD
BK
VT
GYPK
RDBU
3900 mm
12x0,14
UNITRONIC® LiYY A
03119738-01
-W24
PK
Safety 160V in
-X24A.FD
Control
/44.8
-X24B.FD
-X1.FD
Cable lug 2.5 mm² M5
crimp 2.5 mm²
M5
Single wire connections
3x2,5
Single core
#03121661-W11.2
2,5 BK
2,5 BK
2,5 BK
2,5 BK
2,5 BK
2,5 BK
-Mains-Sub-1
/-X302:1 /43.0
PE_FD.A1
/42.8
42V(F14)
==CH+PS/52.5
42V(F15)
==CH+PS/52.8
42V(F21)
==CH+PS/51.2
==CH+PS/52.5
42V(F16)
/44.8
27V(F1)
==CH+PS/52.0
27V(F2)
==CH+PS/52.1
27V(F3)
==CH+PS/52.2
27V(F5)
==CH+PS/51.1
27V(F6)
==CH+PS/51.2
27V(F8)
==CH+PS/52.5
27V(F9)
==CH+PS/52.8
27V(F22)
==CH+PS/51.5
27V(F23)
==CH+PS/51.5
24V(F4)
==CH+PS/51.1
24V(F11)
/44.8
24V(F10)
/44.2
24V(F12)
/44.9
24V(F7)
==CH+PS/51.8
PWR_OK
==CH+PS/51.8
==CH+PS/52.1
24V(F10)
/44.3
42V(F16)_S
==CH+PS/51.8
24V(F12)_S
==CH+PS/51.8
PWR_ENA
==CH+PS/51.9
==CH+PS/52.1
24V(F12)
/44.3
24V(F11)
/44.3
42V(F16)
/44.1
==+FD-42V(F16).1
==CH+CSB/53.8
==+FD-PWR_ENA
==CH+CSB/53.8
==+FD-42V(F16).2
==CH+CSB/53.8
==+FD-24V(F11)
==CH+CSB/53.8
Safety supply
==+FD-GND24
==CH+CSB/53.8
==+FD-42V(F16)_S.1
==CH+CSB/53.7
DC 42 V power supply
==+FD-42V(F16)_S.2
==CH+CSB/53.8
DC 42 V power supply
==+FD-PCC_PWR_OK
==CH+CSB/53.8
==+FD-24V(F12)_S
==CH+CSB/53.9
==+FD-24V(F12)
==CH+CSB/53.9
DC 42 V power supply
==+FD-CH1-OK
==CH+CSB/53.9
==+FD-CH2-OK
==CH+CSB/53.9
==+FD-DC160V_S.1
==CH+CSB/53.6
==+FD-DC160V_S.2
==CH+CSB/53.6
==+FD-GND160.1
==CH+CSB/53.6
==+FD-GND160.2
==CH+CSB/53.7
-RS485_DIAG_FD
Software diagnostic to I/O-CU
==DI+DI/48.2
GND42
==CH+PS/51.2
==CH+PS/52.5
GND27
==CH+PS/51.1
==CH+PS/52.1
P160V(F19)
==CH+PS/52.4
GND160.1
==CH+PS/52.4
P160V(F20)
==CH+PS/52.7
GND160.2
==CH+PS/52.7