ASM贴片机SX2机型电路图 - 第62页
electric_schematic_SX12_V3 90013315-010101LE3 Replaced by Power/Control Computer & Monitor 12" Replaced by Weitergabe sowie Vervielfältigung dieser Unterlage, Verwertung und Mitteilung des Inhalts nicht gestatte…

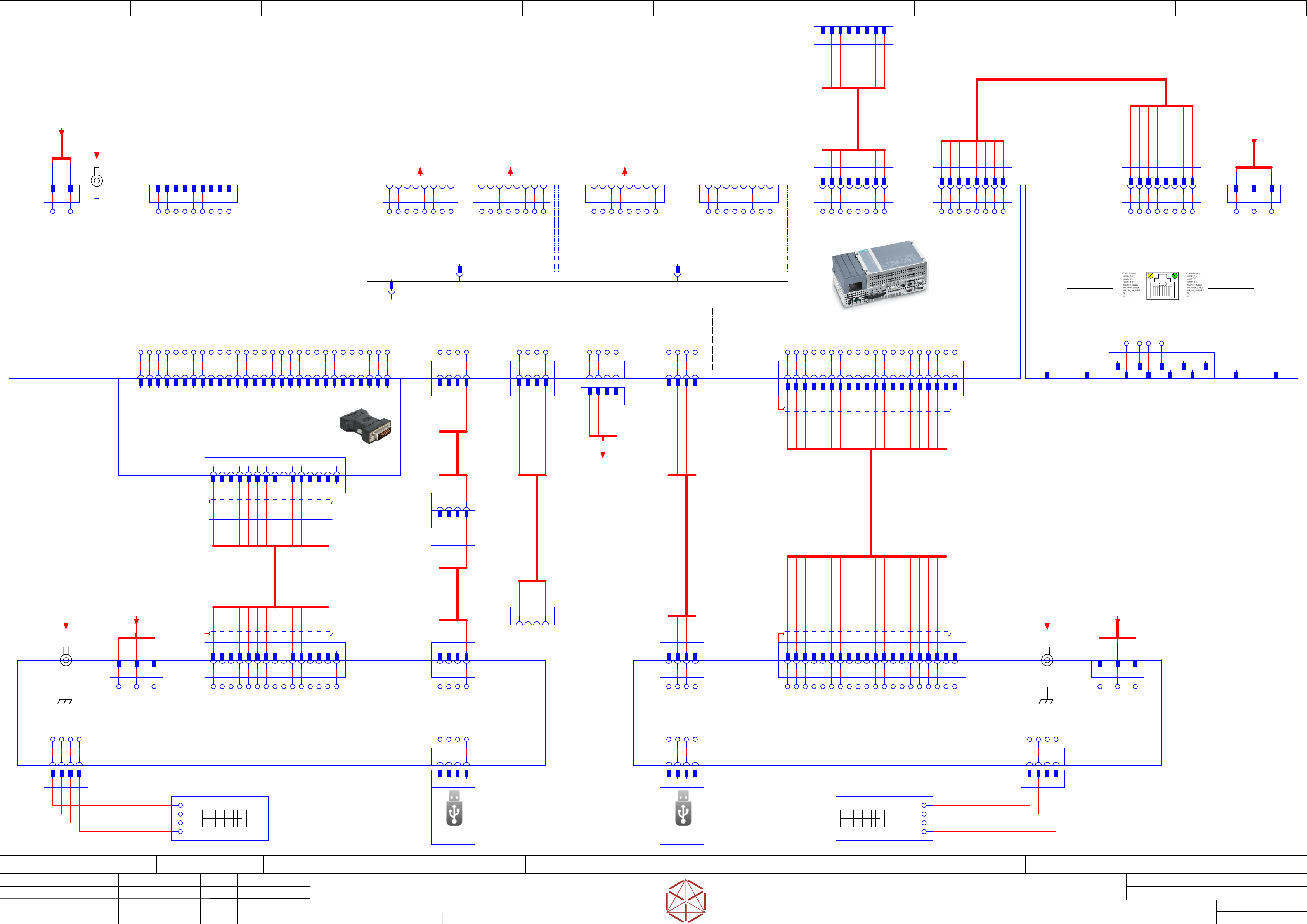
electric_schematic_SX12_V3
90013315-010101LE3
Replaced by
Cable harness distributor
balast-resistor, Hood_Fans,
Control_elements
Connector X11, X12, X18, X19, X20
Replaced by
Weitergabe sowie Vervielfältigung dieser Unterlage, Verwertung und
Mitteilung des Inhalts nicht gestattet, soweit nicht ausdrücklich zugestanden.
Proprietary Data, company confidential.
All rights reserved
Copying of this document, giving it to others and the use or
communication of the contents thereof, are forbidden without express authority.
Doc. No.
00 01 02 03 04 05 06 07 08 09
Privileged business information.
Do not release
Offenders are liable to payment of damages. All rights are reserved in the
event of the grant or the registration of a utility model or design.
Zuwiederhandlungen verpflichten zu Schadenersatz. Alle Rechte vorbehalten,
insbesondere für den Fall der Patenterteilung oder GM-Eintragung vorbehalten.
Page:
Function: Cable Harness
==CH=SX12_V3+DI/57
drawing number:
03200800-010301LE3
Cable_harness Distributor
GmbH & Co KG
ASM
Assembly Systems
Copyright reserved
Ed.
Original
Langerd
Date
Date
Modification
Appr
05.05.2020
Name
starting MC-Nr.: 2018/Q3 G. Pingist
Size DIN A2
Sheet
57
/
4
AlarmAlarm AlarmAlarm
- not used -
-X20qa
3 4 8 91 2 6 75
-X53
61 2 3 4 5
-X63
61 2 3 4 5
-X63
CTRL left
1 2 3 4 5 6
-X53
CTRL right
1 2 3 4 5 6
- not used -
-X12qa
Fan
ballast_resistor
3 51 2 4 6
-X11qa
Power
coplan_sensor
3 51 42 6
-X20qa
Control_elements_left/right
Monitor-1/2
3
Start_Button_1
4 85 91 2 6 7
1760 mm
5x0,5
Single core
03052261
-W1.1
BK
BK
BK
BK
BK
4770 mm
5x0,5
Single core
03052261
-W1.2
BK
BK
BK
BK
BK
400 mm
7x0,34
UNITRONIC® LiYY A
03173673
-W1
BN
GN
YE
WH
GY
PK
(Monitor 2)
03173673
Controls start/stop on the left
+CTRL_L
(Monitor 1)
03173673
Controls start/stop on the right
+CTRL_R
BU
13
14
-S3
1NO
STOP
23
24
-S1
2NO
START
53
54
-nc
-nc
400 mm
7x0,34
UNITRONIC® LiYY A
03173673
-W1
BN
GN
YE
WH
GY
PK
BU
13
14
-S3
1NO
STOP
23
24
-S1
2NO
START
53
54
-nc
-nc
-X18qa
Special and optional
applications
6 7 8 91 2 3 4 5
-qa
Distributor unit SX1/2 V3
03218436
==PS002+VAC_P/45.01
0,5 BK
0,5 BK
0,5 BK
0,5 BK
0,5 BK
0,5 BK
0,5 BK
1,0 WH
1,0 WH
1,0 OG
0,5 BK
1,0 OG
0,5 BK
0,5 BK
0,5 BK
0,5 BK
0,5 BK
1,0 WH
1,0 OG
1,0 WH
1,0 WH
1,0 OG
1,0 OG
0,5 BK
RD
1 2 3
WH
4314 N/19M-00068
24V / 2,4W / 148m³/h
+ UB - GND
M
290 mm
3xAWG22
-W1
BU
Sector 1
03204314
-M1
-X1.FAN
RD
Sector 4
03204314
-M4
1 2 3
-X1.FAN
WH
4314 N/19M-00068
24V / 2,4W / 148m³/h
+ UB - GND
M
290 mm
3xAWG22
-W1
BU
RD
Sector 3
03204314
-M3
1 2 3
-X1.FAN
WH
4314 N/19M-00068
24V / 2,4W / 148m³/h
+ UB - GND
M
290 mm
3xAWG22
-W1
BU
RD
Sector 2
03204314
-M2
1 2 3
-X1.FAN
WH
4314 N/19M-00068
24V / 2,4W / 148m³/h
+ UB - GND
M
290 mm
3xAWG22
-W1
BU
-X1.FAN4
21 3
11
-X19qa
1 3
5
7 9
10
13
15
-X1.FAN1
21 3
-X1.FAN3
21 3
-X1.FAN2
21 3
2 4 6 8 12 14
4540 mm
3x0,5
Single core
03230832-01
-W1.1
Hood fans &
Monitoring
BK
BK
BK
4320 mm
3x0,5
Single core
03230832-01
-W1.2
Hood fans &
Monitoring
BK
BK
BK
3520 mm
3x0,5
Single core
03230832-01
-W1.3
Hood fans &
Monitoring
BK
BK
BK
1510 mm
3x0,5
Single core
03230832-01
-W1.4
Hood fans &
Monitoring
BK
BK
BK
-X19qa
HOOD_fans &
Monitoring
111
1,0 OG
1,0 WH
0,5 BK
7
1,0 OG
1,0 WH
0,5 BK
3 13
1,0 OG
1,0 WH
0,5 BK
9
1,0 OG
1,0 WH
0,5 BK
5 10 152 4 6 8 12 14
==COP+-24V_16c
==COP+Loc1/121.08
==COP+-GND_8d
==COP+Loc1/121.08
==COP+-24V_switched_23a
==COP+-GND_7d
==COP+Loc1/121.08
** Optional **
3D_coplanarity_sensor
-GND_7d
==DI/48.01
-24V_16c
-GND_8d
==DI/48.01
-24V(F12)_S_23a
-GND_8c
==DI/48.01
-24V_16d
-DI3_Ballast_Temp
==DI/48.03
-24V_17a
-Start_Button_26d
/
/ -X1qa:26d
-SW_Control_ON_29b
/
==DI/48.04 / -X1qa:29b
-24V_18c
/
/ -X1qa:18c
-DI23_Status_signal_1
/
==DI/48.05 / -X5qb:1
-24V_18b
/
/ -X1qa:18b
-GND_9d
/
==DI/48.01 / -X1qa:9d
-DI22_Clinch_Tool
/
==DI/48.05 / -X5qb:2
-DO4_Interior_lighting
/
==DI/48.06 / -X7qb:4
-DO2_Clinch_Tool
/
==DI/48.06 / -X7qb:6
-GND_10d
/
==DI/48.01 / -X1qa:10d
-Start_Button_26c
/
/ -X1qa:26c
-Stop_Button_27c
/
/ -X1qa:27c
-DO1_SW_Control_ON
/
==DI/48.06 / -X7qb:7
-SW_Control_ON_29c
/
==DI/48.04 / -X1qa:29c
-Stop_Button_27d
/
/ -X1qa:27d
-24V(F12)_S_25a (Fan_4, Sector 4)
==DI-X1qa:25:a ==DI/48.03
-GND_11a
==DI-X1qa:11:a ==DI/48.01
-DI35_FAN_4 (Sector 4)
==DI-X18qb:7 ==DI/48.01
-24V(F12)_S_25b (Fan_1, Sector 1)
==DI-X1qa:25:b ==DI/48.03
-GND_11b
==DI-X1qa:11:b ==DI/48.01
-DI32_FAN_1 (Sector 1)
==DI-X18qb:1 ==DI/48.00
-24V(F12)_S_25c (Fan_3, Sector 3)
==DI-X1qa:25:c ==DI/48.03
-GND_11c
==DI-X1qa:11:c ==DI/48.01
-DI34_FAN_3 (Sector 3)
==DI-X18qb:5 ==DI/48.01
-24V(F12)_S_25d (Fan_2, Sector 2)
==DI-X1qa:25:d ==DI/48.03
-GND_11d
==DI-X1qa:11:d ==DI/48.01
-DI33_FAN_2 (Sector 2)
==DI-X18qb:3 ==DI/48.00

electric_schematic_SX12_V3
90013315-010101LE3
Replaced by
Power/Control Computer & Monitor 12"
Replaced by
Weitergabe sowie Vervielfältigung dieser Unterlage, Verwertung und
Mitteilung des Inhalts nicht gestattet, soweit nicht ausdrücklich zugestanden.
Proprietary Data, company confidential.
All rights reserved
Copying of this document, giving it to others and the use or
communication of the contents thereof, are forbidden without express authority.
Doc. No.
00 01 02 03 04 05 06 07 08 09
Privileged business information.
Do not release
Offenders are liable to payment of damages. All rights are reserved in the
event of the grant or the registration of a utility model or design.
Zuwiederhandlungen verpflichten zu Schadenersatz. Alle Rechte vorbehalten,
insbesondere für den Fall der Patenterteilung oder GM-Eintragung vorbehalten.
Page:
Function: Cable Harness
==CH=SX12_V3+CTRL/58
drawing number:
03200800-010301LE3
Cable_harness CTRL
GmbH & Co KG
ASM
Assembly Systems
Copyright reserved
Ed.
Original
Langerd
Date
Date
Modification
Appr
14.05.2020
Name
starting MC-Nr.: 2018/Q3 G. Pingist
Size DIN A2
Sheet
58
/
2
31
GND-Red
GND-Green
VGreen
GND-VSync
VGreen
VBlue
ID0_Res
GND-HSync
SDA
GND-Red
GND-Green
HSync
GND-Blue
VRed VRed
VSync VSync
GND-Blue
GND-HSync
ID2_Res
GND-VSync
VBlue
ID0_Res
HSync
ID2_Res
SDA
VCC
GND
D-
D+
VCC
GND
D-
D+
VCC
GND
D-
D+
VCC
GND
D-
D+
-FRAME.MON2
M4
2
-KBD2
USB keyboard with touch pad
(only for service)
03059594
31
-FRAME.MON2
M4
2
-KBD1
USB keyboard with touch pad
(only for service)
03059594
VCC
GND
D-
D+
VCC
GND
D-
D+
D2+
D3+
D2-
D4+
D1+
D3-
D4-
D1-
D2+
D3+
D2-
D4+
1 2
ON ON
OFF OFF
X-Ser S
SX1/2
3 4
ON ON
OFF OFF
X-Ser S
SX1/2
LAN120Ohm 120Ohm
21
31 2
D1+
D3-
D4-
D1-
D2+
D2-
D4+
D3+
D1+
D3-
D4-
D1-
D2+
D3+
D2-
D4+
D1+
D3-
D4-
D1-
1
DisplayPort
-X71
2 3 4 5 6 7 8 9 10 11 12 13 14 15 16 17 18 19 20
ML_Lane0+
AUX_CH-
ML_Lane3+
ML_Lane0-
GND
ML_Lane3-
GND
CONFIG2
ML_Lane2+
GND
ML_Lane2-
GND
Hot Plug Detect (HPD)
GND
ML_Lane1+
DP_PWR
CONFIG1 CAD
ML_Lane1-
AUX_CH+
GND
1
DVI-I
-X70
2 3 4 5 6 7 8 9 10 11 12 13 14 15 16 17 18 19 20 21 22 23 24 C1 C2 C3 C4 C5
D2-
D0-
D1+
GND_2_4
GND_0_5
D3-
D4+
D5+
+5V
DDC_Data
Clock+
Hotplug-Detect
Red
Blue
GND
D1-
D2+
D0+
GND_1_3
D4-
D5-
D3+
DDC_Clock
GND_Clock
GND_5V
V-Sync
Clock-
Green
H-Sync
** Optional **
-PC.FG
ML_Lane1+
ML_Lane2+
ML_Lane0-
ML_Lane1-
GND2
GND5
GND8
AUX_CH+
AUX_CH-
GND11
GND16
HPD
ML_Lane3+
ML_Lane0+
GND19
ML_Lane3-
ML_Lane2-
CONFIG1 CAD
CONFIG2
ML_Lane0-
HPD
GND2
AUX_CH-
ML_Lane3+
ML_Lane2+
AUX_CH+
ML_Lane1-
CONFIG2
GND16
ML_Lane3-
GND19
GND11
ML_Lane1+
ML_Lane2-
GND5
GND8
ML_Lane0+
CONFIG1 CAD
VCC
GND
D-
D+
VCC
GND
D-
D+
VCC
GND
D-
D+
- see CAN-Wiring - not used
4x USB 3.0
1 2 3 4
-X5.MON1
USB B Plug
-XUSB1.PC
USB A plug
1 2 3 4
RD
WH
GN
BK
-W1
03112236
USB cable A-plug - B-plug
5 m
1 2 3 4 5 6 7 8 10 11 12 13 14 15
-X3.MON1
SVGA
1 2 3 4 5 6 7 8 10 11 12 13 14 15
-XVGA1.PC
SVGA
-W1
03112234
VGA Monitor connection cable
5 m
GNc
BUc
BN
BK
RDsh
GNsh
BUsh
OG
WH
YE
GN
RD
RDc
1 2 158 14131273 94 105 6 11
-X3
SVGA
Video-Red
GND
Video-Blue
nc
nc
nc
Video-Green
nc
nc
HSync
VSync
GND-Green
GND-Red
nc
GND-Blue
-X60.PC
USB A plug
1 2 3 4
RD
WH
GN
BK
-W1
03233565
USB extension cable
0,5 m
-XUSB1_2.PC
USB A Jack
21 3 4
03156514
Monitor DV1225-007 12.1 inch multi-touch
-PH.MON2
USB A plug (OUT)
-X6
Service (keyboard)
1 2 3 4
D-
D+
VCC
GND
-X1
Power
1 2 3
PE
24V
3
GND
-X5
USB B Plug (IN)
4321
VCC
D+
D-
GND
D-
D+
VCC
GND
1 2 3 4
USB A plug (OUT)
-X7
Service
(Data_handling)
-X1
USB A plug
USB-STICK
3.0(2.0)
Service (Data-handling)
1 2 3 4
-X1
USB A plug
Service
(keyboard)
1 2 3 4
VCC
D+
D-
GND
03156514
Monitor DV1225-007 12.1 inch multi-touch
-PH.MON1
-X5
USB B Plug (IN)
4321
VCC
D+
D-
GND
-X1
Power
1 2 3
PE
24V
3
GND
1 2 3 4
USB A plug (OUT)
-X7
Service
(Data_handling)
-X1
USB A plug
USB-STICK
3.0(2.0)
Service (Data-handling)
1 2 3 4
D-
D+
VCC
GND
USB A plug (OUT)
-X6
Service (keyboard)
1 2 3 4
D-
D+
VCC
GND
-X1
USB A plug
Service
(keyboard)
1 2 3 4
GND
D+
D-
VCC
-X61.PC
USB A plug
1 2 3 4
RD
WH
GN
BK
-W1
03233431
USB extension cable
5 m
-X1.KBD1
USB A Jack
21 3 4
1 2 158 14131273 94 105 6 11
-X3
DisplayPort
ML_Lane0+
ML_Lane3+
ML_Lane0-
ML_Lane3-
GND
ML_Lane2-
GND
GND
ML_Lane1+
CONFIG1 CAD
CONFIG2
ML_Lane2+
ML_Lane1-
AUX_CH+
GND
BI_DA+
BI_DB-
BI_DA-
BI_DD-
BI_DC+
BI_DD+
BI_DB+
BI_DC-
-LAN
03108598
CAN Interface CIN
-CIN
-POWER.CIN
24V
1 2 3
0V
PE
24V
1 m
Patch cable CAT.5e S-FTP
03112243
-W1
WH-OG
OG
WH-GN
BU
WH-BU
GN
WH-BN
BN
1 2 3 4 5 6 7 8
RJ45
-X1P1.PC
1 2 3 4 5 6 7 8
RJ45
-LAN.CIN
-CAN3-CAN1 -CAN4-CAN2
1 2 3 4 5
6 7 8 9
GND
GND
CAN1_L
CAN1_H
1 2 3 4 5 6 7 8
-X1
RJ45
LAN2
to line computer
1 2 3 4 5 6 7 8
RJ45
-X2P1.PC
1 2 3 4 5 6 7 8
-W1
03010478
Patchkabel Cat.5e FTP
15 m
WH-OG
OG
WH-GN
BU
WH-BU
GN
WH-BN
BN
03114177
Control computer BoxPC-427D i3 2xPCIe
Control Computer
-PC
24V
GND
1 2
USB2
-X61
1 2 3 4
GND
VCC
D-
D+
USB4
-X63
1 2 3 4
GND
VCC
D-
D+
DCD
DSR
RxD
CTS
DTR
RI
RTS
TxD
GND
-X30
COM1
1 2 3 4 5 6 7 8 9
1 2 3 4
GND
VCC
D-
D+
1 2 3 4
GND
VCC
D-
D+
BI_DA+
BI_DB-
BI_DA-
BI_DD-
BI_DC+
BI_DD+
BI_DB+
BI_DC-
BI_DA+
BI_DB-
BI_DA-
BI_DD-
BI_DC+
BI_DD+
BI_DB+
BI_DC-
1 2 3 4 5 6 7 8 1 2 3 4 5 6 7 8
03198999
LAN card PCI Express 2x Gigabit LAN
-PC.LAN
03115569
GigE Ethernet Adapter dual-Port PCI-E I350T2BLK
-PC.GigE
BI_DA+
BI_DB-
BI_DA-
BI_DD-
BI_DC+
BI_DD+
BI_DB+
BI_DC-
BI_DA+
BI_DB-
BI_DA-
BI_DD-
BI_DC+
BI_DD+
BI_DB+
BI_DC-
D3+
D2+
D2-
D4-
D1+
D1-
D3-
D4+
D3+
D2+
D2-
D4-
D1+
D1-
D3-
D4+
1 2 3 4 5 6 7 81 2 3 4 5 6 7 81 2 3 4 5 6 7 8 1 2 3 4 5 6 7 8
PCIe-Slot1 x2 PCIe-Slot2 x1
PCIe Riser-extension
-X1P1
LAN1
-X2P1
LAN2
-X1
GigE 1
RJ45
-X2
GigE 2
RJ45
-X3P1
LAN3
RJ45
-X4P1
LAN4
RJ45
-X80
Power
max 4A
100W
1 2 3 4 5 6 7 8 9 10 11 12 13 14 15 16 17 18 19 20 21 22 23 24 C1 C2
-X70.PC
DVI
1
-XVGA2.PC
VGA
2 3 4 5 6 7 8 9 10 11 12 13 14 15
-U1
Adapter VGA female - DVI 24+5 male
03195016
C3 C4 C5
PE
Housing M4
-X71.PC
DisplayPort
1 3 5 7 9 11 13 15 17 192 4 6 8 10 12 14 16 18 20
SH
16 17 18 19 20
GND
AUX_CH-
Hot Plug Detect (HPD)
GND
DP_PWR
1 2 3 4 5 6 7 8 9 10 11 12 13 14 15 16 17 18 19 20
DisplayPort
-X3.MON2
SH
4 m
Connection cable DisplayPort
03233156
-W1
Cable: Monitor 2 (DP-DP)
2
3
6
7
9
10
11
14
16
17
18
15
1
19
4
5
8
12
13
USB1
-X60
USB3
-X62
1 2 3 4
-X5.MON2
USB B Plug
-X63.PC
USB A plug
1 2 3 4
RD
WH
GN
BK
-W1
03233152
USB cable A-plug - B-plug
5 m
-X62.PC
USB A plug
1 2 3 4
[Monitor 2]
==+MON2-X1
+DI/54.03
-MON2_FRAME
+DI/54.03
[Monitor 1]
==+MON1-X1
+DI/54.01
-MON1_FRAME
+DI/54.01
LAN3
** Optional **
Code-reader Lector260
or
3D_coplanarity_sensor
==COP+Loc1/121.03
==CR+Lector620/125.07
[Control computer]
==+PC-POWER
=SX12+DI#03233424-X80.PC +DI/54.02
[CAN Interface CIN]
==+CIN-POWER
+DI/54.01
==GA=+-VBI_1
Vision Base Interface-1
+GA/63.08
==GA=+-VBI_2
Vision Base Interface-2
+GA/65.08
-USB_Code_Reader.1
*** Optional Code-Reader ***
==OV+CH/11.02
==DS1500+/123.07
-PC.FG
+DI/54.02
Housing M4

electric_schematic_SX12_V3
90013315-010101LE3
Replaced by
Power/Control Computer & Option Monitor
15"
Replaced by
Weitergabe sowie Vervielfältigung dieser Unterlage, Verwertung und
Mitteilung des Inhalts nicht gestattet, soweit nicht ausdrücklich zugestanden.
Proprietary Data, company confidential.
All rights reserved
Copying of this document, giving it to others and the use or
communication of the contents thereof, are forbidden without express authority.
Doc. No.
00 01 02 03 04 05 06 07 08 09
Privileged business information.
Do not release
Offenders are liable to payment of damages. All rights are reserved in the
event of the grant or the registration of a utility model or design.
Zuwiederhandlungen verpflichten zu Schadenersatz. Alle Rechte vorbehalten,
insbesondere für den Fall der Patenterteilung oder GM-Eintragung vorbehalten.
Page:
Function: Cable Harness
==CH=SX12_V3+CTRL/59
drawing number:
03200800-010201LE3
Cable_harness CTRL
GmbH & Co KG
ASM
Assembly Systems
Copyright reserved
Ed.
Original
Langerd
Date
Date
Modification
Appr
14.05.2020
Name
starting MC-Nr.: 2018/Q3 G. Pingist
Size DIN A2
Sheet
59
/
2
31
VCC
GND
D-
D+
VCC
GND
D-
D+
VCC
GND
D-
D+
VCC
GND
D-
D+
VCC
GND
D-
D+
VCC
GND
D-
D+
VCC
GND
D-
D+
VCC
GND
D-
D+
-FRAME.MON1
M4
2
Option
Touch Screen Monitor (15″)
SCD1520-TDC
03078913
Option
Touch Screen Monitor (15″)
SCD1520-TDC
03078913
-FRAME.MON2
M4
Mini Desk Keyboard
with integrated Touchpad
AK-4400
03059594-xx
- Option - - Option -
Control computer BoxPC-427D i3 2xPCIe
03114177-xx
Mini Desk Keyboard
with integrated Touchpad
AK-4400
03059594-xx
31 2
Overview Option
Touch Screen
Monitor (15″)
SCD1520-TDC
03078913
GND-Red
GND-Green
VGreen
GND-VSync
VGreen
VBlue
ID0_Res
GND-HSync
SDA
GND-Red
GND-Green
HSync
GND-Blue
VRed VRed
VSync VSync
GND-Blue
GND-HSync
ID2_Res
GND-VSync
VBlue
ID0_Res
HSync
ID2_Res
SDA
1
DisplayPort
-X71
2 3 4 5 6 7 8 9 10 11 12 13 14 15 16 17 18 19 20
ML_Lane0+
AUX_CH-
ML_Lane3+
ML_Lane0-
GND
ML_Lane3-
GND
CONFIG2
ML_Lane2+
GND
ML_Lane2-
GND
Hot Plug Detect (HPD)
GND
ML_Lane1+
DP_PWR
CONFIG1 CAD
ML_Lane1-
AUX_CH+
GND
1
DVI-I
-X70
2 3 4 5 6 7 8 9 10 11 12 13 14 15 16 17 18 19 20 21 22 23 24 C1 C2 C3 C4 C5
D2-
D0-
D1+
GND_2_4
GND_0_5
D3-
D4+
D5+
+5V
DDC_Data
Clock+
Hotplug-Detect
Red
Blue
GND
D1-
D2+
D0+
GND_1_3
D4-
D5-
D3+
DDC_Clock
GND_Clock
GND_5V
V-Sync
Clock-
Green
H-Sync
VCC
GND
D-
D+
VCC
GND
D-
D+
GND
VCC
D+
D-
GND-Red
GND-Green
VGreen
GND-VSync
VGreen
VBlue
ID0_Res
GND-HSync
SDA
GND-Red
GND-Green
HSync
GND-Blue
VRed VRed
VSync VSync
GND-Blue
GND-HSync
ID2_Res
GND-VSync
VBlue
ID0_Res
HSync
ID2_Res
SDA
4x USB 3.0
-X5
USB(IN)
4321
1 2 3 4
-X5.MON1
USB B Plug
-XUSB1.PC
USB A plug
1 2 3 4
RD
WH
GN
BK
-W1
03112236
USB cable A-plug - B-plug
5 m
-KBD1
USB keyboard with touch pad
03059594
VCC
D+
D-
GND
-X1
USB A plug
1 2 3 4
-X1
Power
1 2 43
GND
PE
24V
-X5
USB(IN)
4321
VCC
D+
D-
GND
1 2 3 4
-X5.MON2
USB B Plug
-X63.PC
USB A plug
1 2 3 4
RD
WH
GN
BK
-W1
03233152
USB cable A-plug - B-plug
5 m
-KBD2
USB keyboard with touch pad
03059594
-X1
USB A plug
3
NC
-X1
Power
1 2 43
PE
24V
3
NC
D-
D+
GND
GND
VCC
1 2 3 4
VCC
D+
D-
GND
-X61.PC
USB A plug
1 2 3 4
RD
WH
GN
BK
-W1
03233431
USB extension cable
5 m
-X1.KBD1
USB A Jack
21 3 4
03078913
Flat Screen SCD1520-TDC
-MON1
03078913
Flat Screen SCD1520-TDC
-MON2
1 2 158 14131273 94 105 6 11
-X3
SVGA
Video-Red
GND
Video-Blue
nc
nc
nc
Video-Green
nc
nc
HSync
VSync
GND-Green
GND-Red
nc
GND-Blue
-X60.PC
USB A plug
1 2 3 4
RD
WH
GN
BK
-W1
03233565
USB extension cable
0,5 m
-XUSB1_2.PC
USB A Jack
21 3 4
-X1.MON
Power 24V
Monitor 1
1 2 3 4
-X1
1 2 3
2
1
600 mm
2x0,75
ÖLFLEX® 150
03223354
-W1
Adapter cable monitor 3-pin to 4-pin
1 2 158 14131273 94 105 6 11
-X3
SVGA
Video-Red
GND
Video-Blue
nc
nc
nc
Video-Green
nc
nc
HSync
VSync
GND-Green
GND-Red
nc
GND-Blue
-X1.MON
Power 24V
Monitor 1
1 2 3 4
-X1
1 2 3
2
1
600 mm
2x0,75
ÖLFLEX® 150
03223354
-W1
Adapter cable monitor 3-pin to 4-pin
1 2 3 4 5 6 7 8 10 11 12 13 14 15
-X3.MON1
SVGA
1 2 3 4 5 6 7 8 10 11 12 13 14 15
-XVGA1.PC
SVGA
-W1
03112234
VGA Monitor connection cable
5 m
GNc
BUc
BN
BK
RDsh
GNsh
BUsh
OG
WH
YE
GN
RD
RDc
1 2 3 4 5 6 7 8 9 10 11 12 13 14 15 16 17 18 19 20 21 22 23 24 C1 C2
1
-XVGA2.PC
VGA
2 3 4 5 6 7 8 9 10 11 12 13 14 15
C3 C4 C5
-U1
Adapter VGA female - DVI 24+5 male
03195016
-X70.PC
DVI
USB2
-X61
1 2 3 4
GND
VCC
D-
D+
USB4
-X63
1 2 3 4
GND
VCC
D-
D+
1 2 3 4
GND
VCC
D-
D+
1 2 3 4
GND
VCC
D-
D+
USB1
-X60
USB3
-X62
-U3
USB 3.0 hub 4 port external
03192485
-XUSB1
1 2 3 4
GND
VCC
D-
D+
-X62.PC
USB A plug
1 2 3 4
-W1
03233286
USB extension cable
5 m
RD
WH
GN
BK
-X1.KBD2
USB A Jack
21 3 4
1
2
VCC
D-
-XUSB2
3
4
D+
GND
1
2
VCC
D-
-XUSB3
3
4
D+
GND
1
2
VCC
D-
-XUSB4
3
4
D+
GND
-X62.PC
USB A plug
1 2 3 4
2
3
4
1
-XUSB2
1 2 3 4 5 6 7 8 10 11 12 13 14 15
-X3.MON2
SVGA
1 2 3 4 5 6 7 8 10 11 12 13 14 15
-XVGA2.PC
SVGA
-W1
03233613
VGA Monitor connection cable
5 m
GNc
BUc
BN
BK
RDsh
GNsh
BUsh
OG
WH
YE
GN
RD
RDc
-U2
Adapter DisplayPort 1.2 male - VGA female
03191848
1 3 5 7 9 11 13 15 17 192 4 6 8 10 12 14 16 18 20
-X71.PC
DisplayPort
1
-XVGA2.PC
2 3 4 5 6 7 8 9 10 11 12 13 14 15
[Monitor 1 (15″)]
==+MON_1-X1
+DI/54.01
-MON_1_FRAME
+DI/54.01
[Monitor 2 (15″)]
==+MON_2-X1
+DI/54.04
-MON_2_FRAME
+DI/54.04
-USB_Code_Reader.2
** Optional Code-Reader **
==OV+CH/11.05
==DS1500+/123.07