INTF-E-MP0.pdf - 第131页
Ref No. Remarks R 1 Q't y Tape Feeder; 72 mm; depth 21mm; Type A Part No. R 2 Kit No. Kit Name KXFW1L0UA00 Part Name PARTS LIST Section No. R 3 CLICK 1 1 N610001299AA OPERATING-SW 1 3 N610033141AA COMB 1 4 KXFA1PS2B…

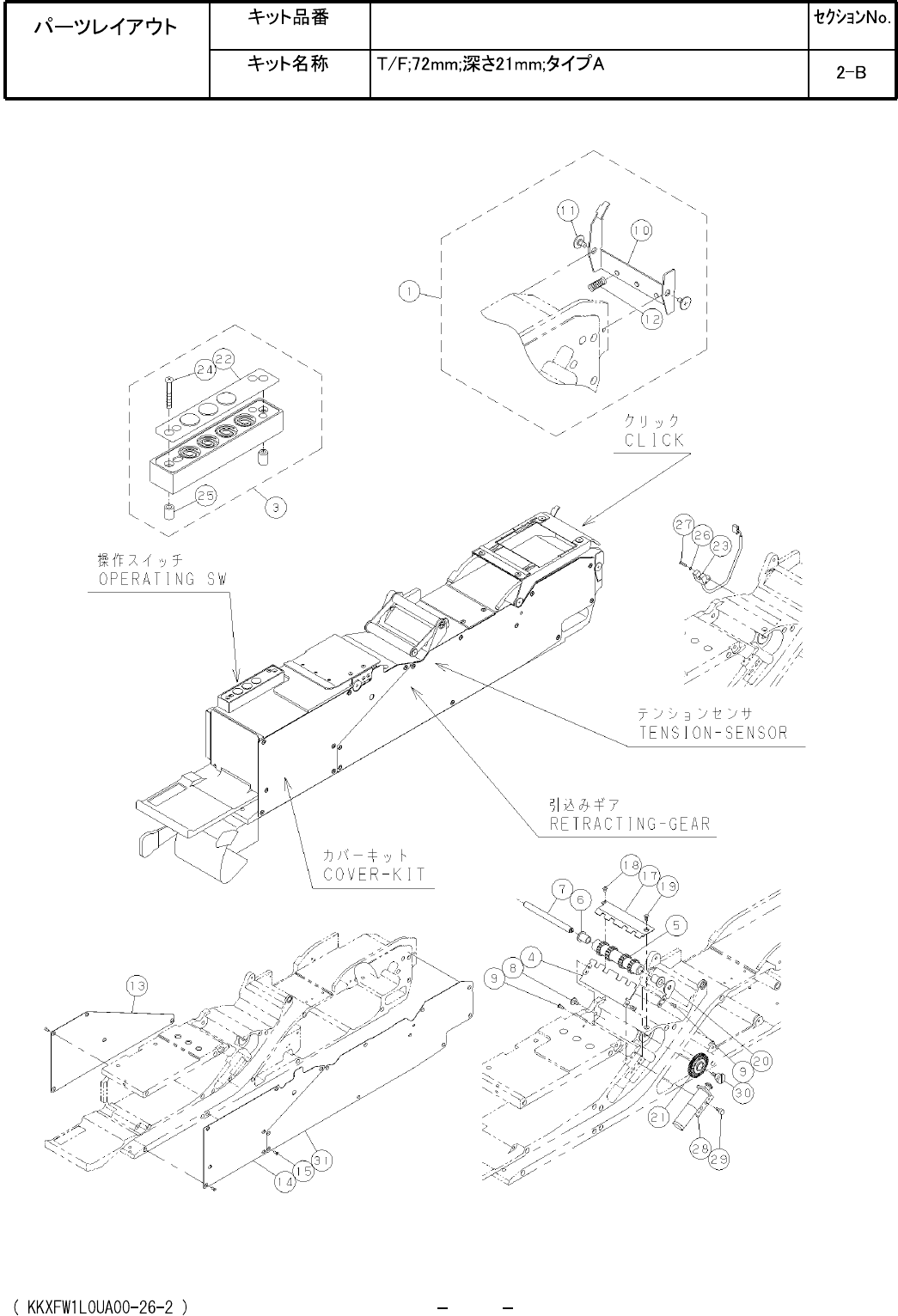
Tape Feeder; 72 mm; depth 21mm; Type A
Kit No.
Kit Name
KXFW1L0UA00
PARTS LAYOUT
Section No.
M7

Ref
No.
Remarks
R
1
Q't
y
Tape Feeder; 72 mm; depth 21mm; Type A
Part No.
R
2
Kit No.
Kit Name
KXFW1L0UA00
Part Name
PARTS LIST
Section No.
R
3
CLICK
1
1 N610001299AA
OPERATING-SW
1
3 N610033141AA
COMB
1
4 KXFA1PS2B00
GEAR
1
5 KXFA1PQ8A02
BUSH
2
6 KXF0CWGAA00 80F-0610
PIN
1
7 KXFA1M8AA00
PIN
1
8 KXFA1KAAA00
SCREW
5
9 XSN25+6VW
Cross recessed Pan head machine screw M2.5X6-A2-70
CLICK
1
10 N210001896AA
PIN
2
11 N210001880AA
SPRING
1
12 KXF0DYJQA00 5544
COVER
1
13 KXFA1N6BA00
COVER
1
14 N210001885AA
SCREW
22
15 XSS25+6VW
Cross recessed Countersunk head machine screw M2.5X6-A2-70
PLATE
1
17 KXFA1PZMB02
SCREW
1
18 XSN25+4VW
Cross recessed Pan head machine screw M2.5X4-A2-70
SCREW
1
19 XSS25+6VW
Cross recessed Countersunk head machine screw M2.5X6-A2-70
BRACKET
1
20 KXFA1NTAA00
GEAR
1
21 N210050452AA
SEAL
1
22 KXF0DWTLA00 (DA KXF0DWTLA00)
SENSOR
1
23 N510037013AA PM-F24-M3
SCREW
2
24 N510018959AA
Cross recessed Pan head machine screw M2.5X18-4.8 A2J (Trivalent)
SPACER
2
25 KXF08WXAA00 C-2607
WASHER
1
26 N510018477AA
Small round-plain washer 2 10H A2J (Trivalent)
SCREW
1
27 N510002401AA SUS M2x8+TB2430
RETRACTING-MOTOR
1
28 N510043589AA
BOLT
2
29 N510017337AA
Hexagon socket head cap screw M3X6-10.9 A2J (Trivalent)
PIN
1
30 KXFA1L0AA00
COVER
1
31 N210001884AA
M8