INTF-E-MP0.pdf - 第17页
Ref No. Remarks R 1 Q't y Tape Feeder; 8 mm Double; Splice sensing; Type A Part No. R 2 Kit No. Kit Name KXFW1KS5A00 Part Name PARTS LIST Section No. R 3 Spring type botto m plate 2 1 N610014970AE COVER 1 2 KXFA1MPB…

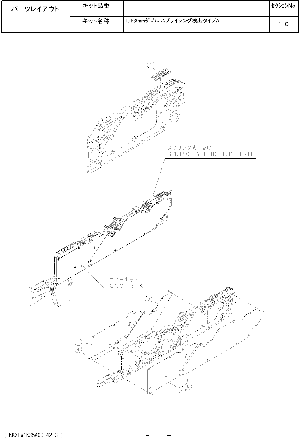
Tape Feeder; 8 mm Double; Splice sensing; Type A
Kit No.
Kit Name
KXFW1KS5A00
PARTS LAYOUT
Section No.
M5

Ref
No.
Remarks
R
1
Q't
y
Tape Feeder; 8 mm Double; Splice sensing; Type A
Part No.
R
2
Kit No.
Kit Name
KXFW1KS5A00
Part Name
PARTS LIST
Section No.
R
3
Spring type bottom plate
2
1 N610014970AE
COVER
1
2 KXFA1MPBA01
COVER
1
3 N210109641AA
SCREW
38
4 XSS25+6VW
Cross recessed Countersunk head machine screw M2.5X6-A2-70
COVER
1
5 KXFA1PQ9A00
COVER
1
6 KXFA1PR0A00
M6

Tape Feeder; 8 mm Double; Type A
Kit No.
Kit Name
KXFW1KSBA00
PARTS LAYOUT
Section No.
M7