INTF-E-MP0.pdf - 第21页
Ref No. Remarks R 1 Q't y Tape Feeder; 8 mm Double; Type A Part No. R 2 Kit No. Kit Name KXFW1KSBA00 Part Name PARTS LIST Section No. R 3 CLICK 1 1 KXFW1KWJA00 OPERATING-SW 1 3 N610033140AA COMB 1 4 N210116210AA COM…

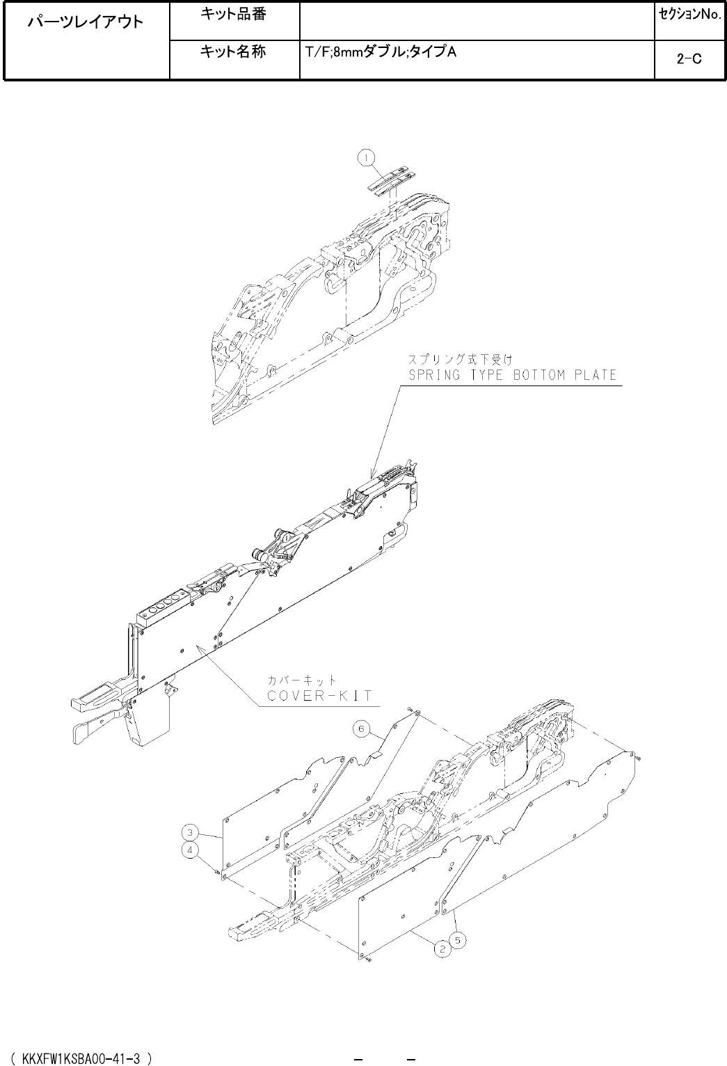
Tape Feeder; 8 mm Double; Type A
Kit No.
Kit Name
KXFW1KSBA00
PARTS LAYOUT
Section No.
M9

Ref
No.
Remarks
R
1
Q't
y
Tape Feeder; 8 mm Double; Type A
Part No.
R
2
Kit No.
Kit Name
KXFW1KSBA00
Part Name
PARTS LIST
Section No.
R
3
CLICK
1
1 KXFW1KWJA00
OPERATING-SW
1
3 N610033140AA
COMB
1
4 N210116210AA
COMB
1
5 N210116211AA
SCREW
4
6 XSN25+3VW
Cross recessed Pan head machine screw M2.5X3-A2-70
GEAR
2
7 N210047118AB
PIN
1
8 KXFA1PS9A00
PIN
1
9 KXFA1L0AA00
PIN
1
10 KXFA1KAAA00
PIN
1
11 KXFA1KBAA00
CLICK
1
12 N210109639AA
CLICK
1
13 N210109640AA
SPRING
2
14 KXF0DRSAA00 (DA 0DRSA)
PLATE
1
15 KXFA1PZHB01
SCREW
2
16 XSN25+4VW
Cross recessed Pan head machine screw M2.5X4-A2-70
RETRACTING-MOTOR
2
21 N510043589AA
GEAR
2
22 N210050452AA
SEAL
1
23 KXF0DWTKA00 (DA KXF0DWTKA00)
SENSOR
2
24 N510037012AA PM-U24-M4
BOLT
4
25 N510017337AA
Hexagon socket head cap screw M3X6-10.9 A2J (Trivalent)
PIN
1
26 KXFA1KLAA00
PIN
1
27 KXFA1KEAA00
SCREW
2
28 N510018959AA
Cross recessed Pan head machine screw M2.5X18-4.8 A2J (Trivalent)
SPACER
2
29 KXF08WXAA00 C-2607
WASHER
4
30 N510018477AA
Small round-plain washer 2 10H A2J (Trivalent)
NUT
2
31 XNG2BVW Hexagon nut Type-2 Best class M2-6H-A2-70
SCREW
2
32 N510002402AA SUS M2x16+TB2430
M10

Tape Feeder; 8 mm Double; Type A
Kit No.
Kit Name
KXFW1KSBA00
PARTS LAYOUT
Section No.
M11