00194313-03 - 第47页
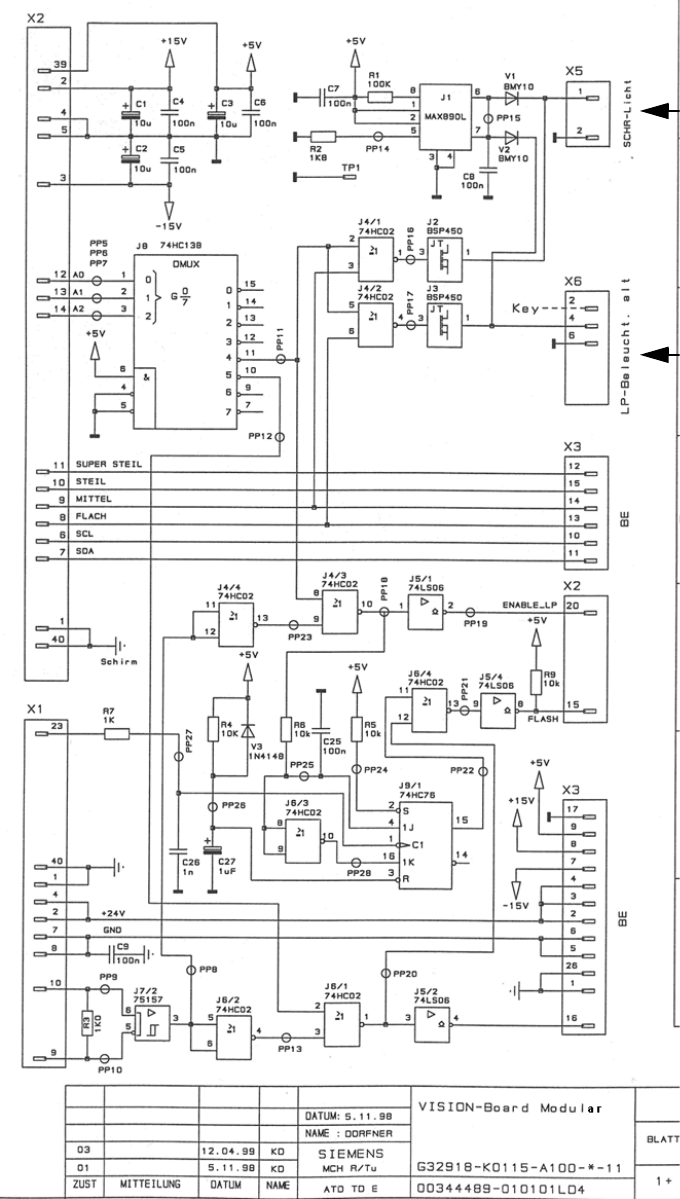
SIPLACE S-25 HM / S-27 HM 1 Montageanleitun g für LP-Kamera Multicolor Ausgabe 02/2007 1.13 Anhang: Platinen, Kabel und Schaltpläne 47 1 Abb. 1.13.5 Schaltplan Vision-Board modular: Ansch luß LP-Kamera (Normallicht) bzw.…

1 Montageanleitung für LP-Kamera Multicolor SIPLACE S-25 HM / S-27 HM
1.13 Anhang: Platinen, Kabel und Schaltpläne Ausgabe 02/2007
46
1
Abb. 1.13.4 Schaltplan Vision-Board modular: Anschluß alte LP-Kamera und Schräglicht

SIPLACE S-25 HM / S-27 HM 1 Montageanleitung für LP-Kamera Multicolor
Ausgabe 02/2007 1.13 Anhang: Platinen, Kabel und Schaltpläne
47
1
Abb. 1.13.5 Schaltplan Vision-Board modular: Anschluß LP-Kamera (Normallicht) bzw. Multicolor
Unterportal-LP-Kamera (Normallicht)
oder der LP-Kamera Multicolor
Kabel "Kamera" der

1 Montageanleitung für LP-Kamera Multicolor SIPLACE S-25 HM / S-27 HM
1.13 Anhang: Platinen, Kabel und Schaltpläne Ausgabe 02/2007
48
1.13.2 Schaltpläne für die Montage an S-25 HM
1
Abb. 1.13.6 Umrüstung 50 V Spannungsmodul, Schaltplan 00357863-010101LD3