00194313-03 - 第89页
SIPLACE S-25 HM / S-27 HM 2 Assembly Inst ructions for PCB Camera, Multicolor 02/2007 Edition 2.13 Attachments: PCBs, Cables and Circuit Diagrams 89 Fig. 2.13.3 PCB Camera Multicolor: Connector Cable and Focus Leve l (PC…

2 Assembly Instructions for PCB Camera, Multicolor SIPLACE S-25 HM / S-27 HM
2.13 Attachments: PCBs, Cables and Circuit Diagrams 02/2007 Edition
88
2
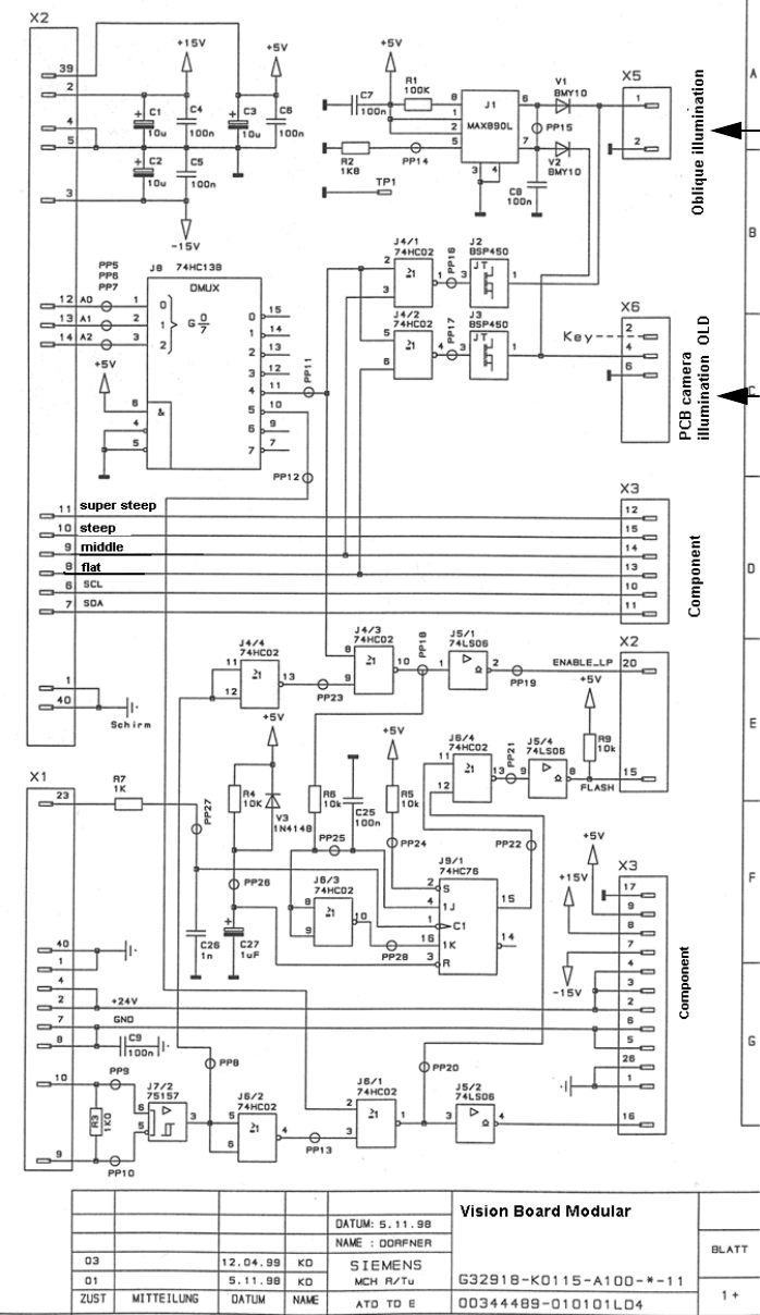
Fig. 2.13.2 Layout: Vision Board, Modular, HS-50 and S-25 HM
2
2
2
2
"Camera" of the
PCB Camera Multicolor
-> X4
Cable

SIPLACE S-25 HM / S-27 HM 2 Assembly Instructions for PCB Camera, Multicolor
02/2007 Edition 2.13 Attachments: PCBs, Cables and Circuit Diagrams
89
Fig. 2.13.3 PCB Camera Multicolor: Connector Cable and Focus Level (PCB’s Lower Edge -> Camera)

2 Assembly Instructions for PCB Camera, Multicolor SIPLACE S-25 HM / S-27 HM
2.13 Attachments: PCBs, Cables and Circuit Diagrams 02/2007 Edition
90
2
Fig. 2.13.4 Circuit Diagr. Vision Board, Modular: Connection of Old PCB Camera and Oblique Illuminat.