00194313-03 - 第90页
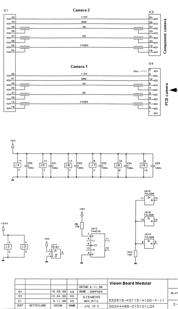
2 Assembly Instructions for PCB Camera, Multicolor SIPLACE S-25 HM / S-27 HM 2.13 Attachments: PCBs, Cables and Circuit Diagrams 02/2007 Edition 90 2 Fig. 2.13.4 Circuit Diagr. V ision Board, Modular: C onnection of Old …

SIPLACE S-25 HM / S-27 HM 2 Assembly Instructions for PCB Camera, Multicolor
02/2007 Edition 2.13 Attachments: PCBs, Cables and Circuit Diagrams
89
Fig. 2.13.3 PCB Camera Multicolor: Connector Cable and Focus Level (PCB’s Lower Edge -> Camera)

2 Assembly Instructions for PCB Camera, Multicolor SIPLACE S-25 HM / S-27 HM
2.13 Attachments: PCBs, Cables and Circuit Diagrams 02/2007 Edition
90
2
Fig. 2.13.4 Circuit Diagr. Vision Board, Modular: Connection of Old PCB Camera and Oblique Illuminat.

SIPLACE S-25 HM / S-27 HM 2 Assembly Instructions for PCB Camera, Multicolor
02/2007 Edition 2.13 Attachments: PCBs, Cables and Circuit Diagrams
91
2
Fig. 2.13.5 Circuit Diagr. Vision Board, Modular: Connect. PCB Camera (Normal Illuminat.) or Multicolor
PCB camera (normal illumination)
or of the PCB camera Multicolor
Cable "Illumination" of the subgantry