444CEMMC-CM202 - 第6页
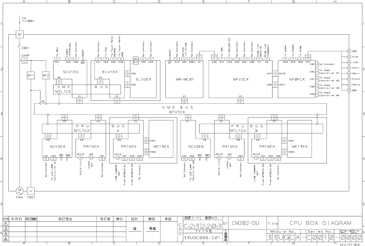
444C-E-MMA0A-A00-00 Appendix C CONTROL BOX C-2 CPU BOX (ONL Y FOR DU SPECIFICA TIONS)

99. 3.11 99. 3.11
444C-E-MMA0A-A00-00
Appendix C
CONTROL BOX
C-2 CPU BOX (ONLY FOR DU SPECIFICATIONS)

T.O
99.9.01 99.9.02
444C-E-MMA0A-A00-00 Appendix C CONTROL BOX C-2 CPU BOX (ONL Y FOR DU SPECIFICA TIONS)

