00193928-01.pdf - 第184页

4 Instalace a uvedení do provozu Návod k o bsluze SIPLA CE HF-série 4.5 Instalace au tomatu Verze software S R.505.xx Vy dání 05/2004 CZ 184 4.5.8.4 Montáž po č íta č ové je dnotky Æ Zvedn ě te op atrn ě po č íta č ovou …

100%1 / 360
Návod k obsluze SIPLACE HF-série 4 Instalace a uvedení do provozu
Verze software SR.505.xx Vydání 05/2004 CZ 4.5 Instalace automatu
183
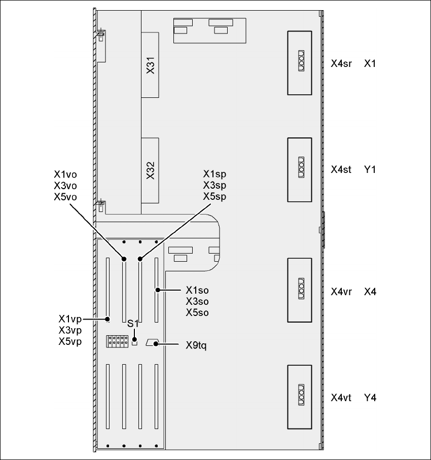
4.5.8.3 Počítačová jednotka HF/3 - připojení konektoru
Æ Elektrické kabely připojte podle následujícího schématu:
4
4
Počítačová jednotka,
čelní strana
Konektor
Připojovací kabel
Pokyn
Konektor Kabel
X5pc
X5pc 03002958 + 03002559 Nasunout až na doraz
X7pc
X7pc 03002967 Zajistit pomocí šroubů
X8pc
X8pc 03002970 Zajistit pomocí šroubů
X6pn
X6pn 03010051 Zajistit pomocí šroubů
X6po
X6po 03010055 Zajistit pomocí šroubů
X6pt
X6pt 03010607 W1+W2 Zajistit pomocí šroubů
X7pt
X7pt 03010608 W1+W2 Zajistit pomocí šroubů
X7pu
X7pu 03002508 W1+W2 Zajistit pomocí šroubů
Počítačová jednotka,
zadní strana
Konektor
Připojovací kabel
Pokyn
Konektor Kabel
X15pz
X15pz 03003434 Připevnit pomocí šroubů
X3pz
X3pz 03004063 Připevnit pomocí šroubů
PE1
Kabelový
kroužek
Zemnící kabel
Připevnit podle obr. 4.5 - 8
,
strana 178
X27pz
X27pz 03003437 W1-W2 Nasunout až na doraz
X2pz
X2pz 03002966 W1-W5 Připevnit pomocí šroubů
X1pz
X1pz 03002969 W1-W5 Připevnit pomocí šroubů
X62pz
X62pz 03002488 Zaklapnout
PE2
Kabelové oko Zemnící kabel Nasunout až na doraz
X1
Ventilátor v montážní
sadě
Nasunout až na doraz
4 Instalace a uvedení do provozu Návod k obsluze SIPLACE HF-série
4.5 Instalace automatu Verze software SR.505.xx Vydání 05/2004 CZ
184
4.5.8.4 Montáž počítačové jednotky
Æ Zvedněte opatrně počítačovou jednotku na kolejničky na montážní sadě.
Æ Dejte pozor na to, abyste neskřípli žádný kabel.
Æ Zkontrolujte, zda jsou kabely k čelní straně uloženy v bočním plechovém vedení pro kabely.
(pos. 1 na obr. 4.5 - 10
, strana 180).
Æ Zajistěte kabely na čelní straně pomocí stahovacích pásek.
Æ Zasuňte počítačovou jednotku do montážní sady na doraz.
Æ Připojte kabel ventilátoru na kabel počítačové jednotky.
Æ Zajistěte počítačovou jednotku pomocí imbusových šroubů.
Æ Připevněte zemnící kabel ke dveřím (pos. 2 na obr. 4.5 - 7, strana 176) tak, jak je to zobrazeno
na obr. 4.5 - 8
na straně 178.
Æ Zablokujte dveře.
POKYN
U automatů HF pokračujte odstavcem 4.5.8.5
"Montáž krytů".
U automatů HF/3 pokračujte odstavcem 4.5.9
"Instalace jednotky osy na HF/3 (portál 1 a portál
4)" na straně 185.
4.5.8.5 Montáž krytů
Æ Připevněte zemnící kabel na každý kryt (pos. 5 na obr. 4.5 - 7) tak, jak je to zobrazeno na obr.
4.5 - 8
strana 178.
Æ Připevněte kryty vždy pomocí 6 imbusových šroubů k rámu stroje.
POKYN
Pokud je výstupní transport demontován, pokračujte odstavcem 4.5.10
"Montáž výstupního
transportu" na straně 188. Pokud je výstupní transport namontován, pokračujte s montážními
pracemi podle odstavce 4.5.14 "Integrace automatu do výrobní linky" na straně 198.
Návod k obsluze SIPLACE HF-série 4 Instalace a uvedení do provozu
Verze software SR.505.xx Vydání 05/2004 CZ 4.5 Instalace automatu
185
4.5.9 Instalace jednotky osy na HF/3 (portál 1 a portál 4)
4.5.9.1 Jednotka osy HF/3 (portál 1 a portál 4) - elektrické přípoje
4
Obr. 4.5 - 12 Jednotka osy HF/3 (portál 1 a portál 4), p
ř
ipojit zadní konektor