SM321 Electric control part table.pdf - 第56页
1 J90800658E MAINPOWERCABLEASS'Y SM_PW001 2 J90800659C MAINPOWERINPUTCABLEASS'Y SM_PW002 3 J90800660E MCCB_NF1CABLEASS'Y SM_PW003 4 J90800661B NF1_MAINSWITCHCABLEASS'Y SM_PW004 5 J90830146…

2
2
2
2
2
2

-READYS/W
(FRONT)
(REAR)
-EMS/W1
-EMS/W2
(FRONT)
(REAR)
-DOORS/W1
(FRONT)
-DOORS/W2
(REAR)
-EMSPARE1
-EMSPARE2
-SAFEGUARD
OVERRIDEKEY

1 J90800658E MAINPOWERCABLEASS'Y SM_PW001
2 J90800659C MAINPOWERINPUTCABLEASS'Y SM_PW002
3 J90800660E MCCB_NF1CABLEASS'Y SM_PW003
4 J90800661B NF1_MAINSWITCHCABLEASS'Y SM_PW004
5 J90830146B MAINSWITCH_TRANSCABLEASSY SM21-PW005
6 J90800663D TRANS_CP1,2,3CABLEASS'Y SM_PW006
7 J90800664C CP1,2_TB1CABLEASS'Y SM_PW007
8 J90800665C CP3_TB1_MC2CABLEASS'Y SM_PW008
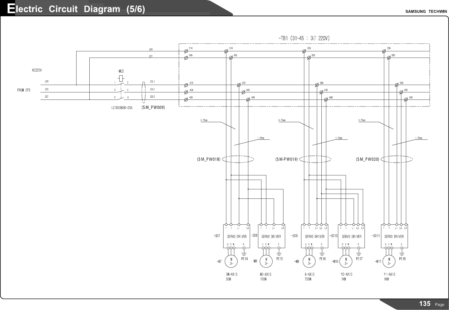
9 J90800666C MC1,2_TB1CABLEASS'Y SM_PW009
10 J90800667C FRONTMONITOR/PCPOWERCABLEASS'Y SM_PW010
11 J90800668C TB1_PS#1,PS#2POWERCABLEASS'Y SM_PW011
12 J90800669C FANPOWERCABLEASS'Y SM_PW012
13 J90800670C FAN(SERVO)POWERCABLEASS'Y SM_PW013
14 J90800672C Z1,Z2SERVOPOWERCABLEASS'Y SM_PW015
15 J90800673C Z3,Z4SERVOPOWERCABLEASS'Y SM_PW016
16 J90800674C Z5,Z6SERVOPOWERCABLEASS'Y SM_PW017
17 J90800675C SW,WDSERVOPOWERCABLEASS'Y SM_PW018
18 J90800676C X,Y2SERVOPOWERCABLEASS'Y SM_PW019
19 J90800677C Y1SERVOPOWERCABLEASS'Y SM_PW020
20 J9080678B CONVEYORPACKB/DCABLEASS'Y SM21-PW021
21 J9083148A STEPPINGDRIVERPOWERCABLEASS'Y SM21-PW022
22 J90830149B DC24VMAINPOWERCABLEASS'Y SM21-PW025
23 J90830150B TRANSFORMERINPUTEXT.CABLEASS'Y SM21-PW030
24
25
26
27