KE-2070_KE-2080_KE-2080R-Rev18 - 第150页
- 143 - 72. SYSTEM DIAG RAM (POWER UNIT) SYSTEM DIAGRAM (POWER UNIT) 16-5B C&N KH20B T 103/17 SWITCH ING HUB (1/2) 4-3A 6-4B (1/2) FG IEEE 1394 BOARD RFID WIRING KE-2080-ST (RFID) DC_IN (VACUU M POMP OPTION) VACUUM P…

- 142 -
NOTE( 注記 ) #01....FOR 2070 2070用
#02....FOR 2080 2080用
#03....FOR 2080R 2080 R 用
#04....FOR 2080,2080R 2080,2080 R 用
#05....SELECTIVE PARTS(2070,2080,2080R) 選択部品(2070,2080,2080 R)
#06....FOR 2070,2080 2070,2080用
REF.NO NOTE PART NO D E S C R I P T I O N
品 名
Qty
1
#01
400-89222 EPV HEAD ASM
EPVヘッド組
1
2
#02
401-02232 EPV HEAD 80 ASM
EPVヘッド80組
1
3
#03
401-02233 EPV HEAD 80R ASM
EPVヘッド80R組
1
4
#01
400-89197 EPV61
EPV61
(1)
5
#04
401-02158 EPV62
EPV62
(1)
6
#01
400-89198 LNC61
LNC61
(1)
7
#04
401-05810 LNC62
LNC62
(1)
8
#01
400-89203 RELEASE BAR EPV
リリースバー EPV
(1)
9
#04
401-02177 RELEASE_BAR_80_EPV
リリースバー80_EPV
(1)
10 400-77260 Z SENSOR STAY L
ZセンサステイL
(1)
11 400-77261 Z SENSOR STAY R
ZセンサステイR
(1)
12 400-77262 Z M CABLE BR
Z MケーブルBR
(1)
13 SL-6030692-TN SCREW M3 L=6
座金付き六角穴ボルト M3 L=6
(6)
14 HX-0034400-00 HARNESS PARTS
束線パーツ
(4)
15 HX-0029400-00 FIXED BASE
固定ベース
(2)
16 SM-4040601-SC SCREW M4X0.7 L=6
なべ小ねじ M4X0.7 L=6
(6)
17 EA-9500B02-00 CABLE BAND 150
結束バンド 150
(6)
18 HX-0009600-0A EDGING BUSH
エッジングブッシュ
(0.11)
19 HN-0021000-00 FERRITE CLAMP
フェライトクランプ
(6)
20 EA-9500B00-00 CLIP CV-70S
結束バンド 60
(8)
21
#01
SL-6043592-TN SCREW
座金付き六角穴ボルト
(1)
22 400-90401 CABLE_STAY
ケーブルステー
(1)
23
#01
400-90400 ENC CABLE BR EPV
ENC ケーブル BR EPV
(1)
24
#04
401-02175 ENC CABLE BR 80 EPV
ENC ケーブル BR 80 EPV
(1)
25 400-89199 HEAD TOP PLATE EPV
ヘッドプレート EPV
(1)
26 401-55290 4AXIS SERVO AMP
4軸一体型サーボアンプ
(3)
27
#04
401-02174 SA PLATE
SAプレート
(1)
28
#04
401-02173 HEAD TOP ANGLE EPV
ヘッドトップアングルEPV
(1)
29 SL-6041492-TN SCREW
座金付き六角穴ボルト
(1)
30
#04
401-05249 CAMERA BRACKET PM
カメラブラケットPM
(1)
31
#03
401-02178 DIFFUSER BASE 80R EPV
ディフューザベース80R EPV
(1)
32
#04
401-02181 AIR CYLINDER
エアシリンダ
(2)
33
#04
401-02176 CYLINDER MOUNT 80 EPV
シリンダマウント80_EPV
(2)
34
#01
400-89202 CYLINDER MOUNT EPV
シリンダマウント EPV
(1)
35
#01
400-89201 SP STUD EPV
スプリングスタッド EPV
(1)
36 400-89223 EPV XY ASM
EPV XY組
1
37 400-89204 REPEATER BRACKET EPV
リピータブラケット EPV
(1)
38 SL-6041092-TN SCREW
座金付き六角穴ボルト
(4)
39 400-48078 IEEE1394 REPEATER BOARD
IEEE1394リピータボード
(1)
40 SL-4030881-SC SCREW M3 L=8
座金付きなべ小ねじ M3 L=8
(2)
41
#06
401-02234 EPV BASE 80 ASM
EPVベース80組
1
42
#03
401-02235 EPV BASE 80R ASM
EPVベース80R組
1
43 401-41912 1394 REPEATER HUB
1394リピータハブ
(1)
44 401-41916 HUB BRACKET
ハブブラケット
(1)
45 SL-6042592-TN SCREW
座金付き六角穴ボルト
(2)
46 NM-6040001-SC NUT M4X0.7 TYPE1
六角ナット M4X0.7 1種
(2)
47 WP-0430801-SC WASHER 4.3X9X0.8
平座金 4.3X9X0.8
(2)
48 HX-0045900-00 ANCHOR MOUNT
アンカーマウント
(2)
49 SM-4040601-SC SCREW M4X0.7 L=6
なべ小ねじ M4X0.7 L=6
(2)
50 EA-9500B02-00 CABLE BAND 150
結束バンド 150
(6)
51 401-02179 USB 1394 BOX
USB1394ボックス
(1)
52 401-02180 USB 1394 BR
USB1394ブラケット
(1)
53 400-44522 USB RELAY CABLE
USB延長ケーブル
(1)
54 401-02157 1394 ADAPTER CABLE
1394アダプタケーブル
(1)
55 HN-0014900-0A CLAMP FILTER
クランプフィルタ
(3)
56 HX-0006500-0A CABLE CLIP
束線バンド
(1)
57 HX-0066000-00 DUST COVER
ダストカバー
(1)
58 HK-0651200-80 MODULAR KAPLA
モジュラーカプラ
(1)
59
#05
401-05298 ACCESSARY PLACEMENT MONITOR 80ST
アクセサリプレースメントモニタ80ST
1
60
#05
401-05299 ACCESSARY PLACEMENT MONITOR 80JE
アクセサリプレースメントモニタ80JE
1
61
#05
401-05300 ACCESSARY PLACEMENT MONITOR 80CH
アクセサリプレースメントモニタ80CH
1
62 401-03223 1394 BOARD ASM
1394ボード組
(1)
63
#05
401-02242 PM ETHERNET OPTION SET
PMイーサネット装着オプションセット
1
64
#05
401-02243 PM+INTELLI SCS OPTION SET
PM+INTELLI SCS装着オプション
1

- 143 -
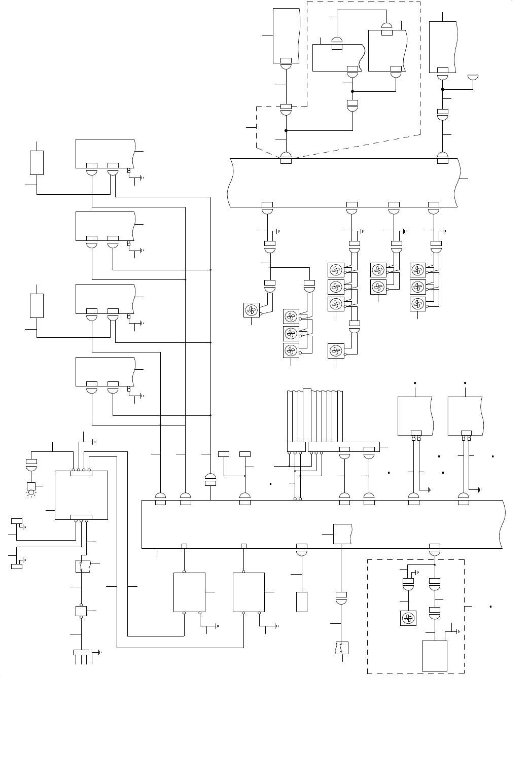
72. SYSTEM DIAGRAM (POWER UNIT)
SYSTEM DIAGRAM(POWER UNIT)
16-5B
C&N KH20B T103/17
SWITCHING HUB
(1/2)
4-3A
6-4B(1/2)
FG
IEEE 1394 BOARD
RFID WIRING
KE-2080-ST(RFID)
DC_IN
(VACUUM POMP OPTION)
VACUUM POMP UNIT 70
VACUUM POMP UNIT 80
R LCD PWR
CN014
CN014
CN014
19-4B
REARLCD
MONITOR(1/2)
REG2
MR-RB12
REG1
MR-RB12
CN063
CN064
YL MOTOR FAN
COVER TOP FAN
CN006
R1E
YR MOTOR FAN
CN13 CN13
CN080
CN068
13-2C
CN005
AWC DRIVER(1/2)
F6E
TB
13-2B
BU DRIVER(1/2)
TB
R9ER8E
MTS PWR(R)MTS PWR(L)
CN06 CN07
CN060PWR LAMP
CN015
2-3C
XR
XR SERVO
AMP(1/4)
MR-J3-70B-RJ024
F2E
E
CNP2
CNP1
(1/4) 9-2A
(1/5)
(1/4)
(1/3)
(1/2)
(1/2)
(1/3)
(1/5) 2-2A
7-1A
7-1B
7-1B
7-1A
2-3A
16-2A
2-3D2-3C2-3D
19-4A
16-2B
1-1A
1-1C
1-2D
1-4B
R5E
CPU
OUT MOTERDRIVER
14-4C
CN031CN031 CN655(R)
IN MOTER DRIVER
14-4B
CN655(L)
CPCI BACK
BOARD
FRONT LCD
MONITOR(1/2)
CN015
BASE FAN R
CN067
CN009
R4E
CN007
R2E
CN08CN008
R3E
CN07
TB2
TB1
BASE-FEEDER
XY RELAY
LIGHT CTRL
I/O CTRL
SAFETY
IP-X3R
BUS-BRIDGE
POSITION BOARD
YR
YR SERVO
AMP(1/4)
MR-J3-200B-RJ024
F3E
E
CNP2
CNP1
XL
XL SERVO
AMP(1/4)
MR-J3-70B-RJ024
F4E
E
CNP2
CNP1
CN001
CN05
CN003
F1E
CN03
MAIN
SW(2/2)
TB2
AC200V
INPUT
YL
BASE FAN L
CN066
CONTROL UNIT TOP FAN
CN064CN065
YL SERVO
AMP(1/4)
MR-J3-200B-RJ0024
POWER
UNIT(1/13)
CN027
CN024
CN010
POWER
UNIT(2/13)
CN06
CN09
HOURMETER CN010
CN2
CN1
REMORT SW
UPS
(1/2)
CN27
CN24
F5E
E
CNP2
CNP1
CN099
CN002
TB1
CN096
R7E
TF2(AC TRANS)
R6E
TF1(DC TRANS)
AC INPUT
UNIT
TB1
MAIN
SW(1/2)
NFB1
30A
PE
FG
L3
L2
L1
2
1
3
53
54
4
5
6
9
7
8
11 12
15 17
16 18
19
10
71
14
61
62
63
64
30
57 31 58
28
55 29 56
2423
51
52
25
85
22 2021
33
35
37
39
34
36
38
32
69
68
42
43
46
45
47
50
44 48 4940
70
77
74
72
76
73
26
59 27 60
13
41
16-3C
FG
65
VACUUM
POMP
66
CN069
67
9-4B
RFID PWR
X5
MPC-4C
(1/2)
DC_INPUT
DC_INPUT
ETHERNET
78
81
79
80
F-LCD PWR
DC12V
75
82
VCS(OCS) MONITOR PWR
17-4A
84
83

- 144 -
NOTE( 注記 ) #01....FOR EN EN 用
#02....FOR OPTIONAL PARTS(2070) オプション部品(2070)
#03....FOR OPTIONAL PARTS(2080,2080R) オプション部品(2080,2080 R)
REF.NO NOTE PART NO D E S C R I P T I O N
品 名
Qty
1 400-02055 BREAKER INPUT CABLE ASM
ブレーカー入力ケーブル組
1
2 400-02067 BREAKER OUT CABLE ASM
ブレーカーアウトケーブル組
1
3 400-02064 MAIN SW OUTPUT CABLE ASM
メインスイッチ出力ケーブル組
1
4 400-02062 MTC POWER CABLE L ASM
MTC(L)電源ケーブル組
1
5 400-02063 MTC POWER CABLE R ASM
MTCパワーケーブルR組
1
6 E9221-729-0A0 PWR ON LIGHT ASM.
PWR ONライト組
1
7 400-02061 POWER ON LAMP RELAY CABLE ASM
パワーオンランプリレーケーブル組
1
8 400-02056 INPUT UNIT FG CABLE ASM
入力ユニットFGケーブル組
1
9 400-00481 AC INPUT UNIT
AC入力ユニット
1
10 400-02101 UPS SW CABLE ASM
UPS SWケーブル組
1
11 400-02060 TF2 INPUT CABLE ASM
TF2入力ケーブル組
1
12 400-02059 TF1 INPUT CABLE ASM
TF1入力ケーブル組
1
13 400-49760 POWER UNIT ST
電源ユニットST
1
14 400-95745 UPS
UPS
1
15 400-40378 TRANSFORMER(PSU)
トランスDC
1
16 400-02057 TF1 FG CABLE ASM
TF1 FGケーブル組
1
17 400-40379 TRANSFORMER(SERVO)
トランスAC
1
18 400-02058 TF2 FG CABLE ASM
TF2 FGカーブル組
1
19 400-02115 HOURMETER ASM
アワーメータ組
1
20 400-45489 XY CTRL PWR CABLE ASM
XYコントロールパワーケーブル組
1
21 400-45391 XY SV PWR CABLE ASM L
XY SVパワーケーブル組L
1
22 400-45392 XY SV PWR CABLE ASM R
XY SVパワーケーブル組R
1
23 400-02328 BACKBOARD MONITOR CABLE ASM
バックボードモニターケーブル組
1
24 400-02329 BACKBOARD SIGNALCABLE ASM
バックボードシグナルケーブル組
1
25 400-03283 VME BACK PCB ASM
VMEバックPCB組
1
26 HX-0042000-00 5 PHASE STEP DRIVER
5相ステッピングモータドライバ
1
27 HX-0042000-00 5 PHASE STEP DRIVER
5相ステッピングモータドライバ
1
28 400-45419 BU DRV PWR CABLE ASM
BU DRV PWRケーブル組
1
29 400-45421 BU DRV FG CABLE ASM
BU DRV FGケーブル組
1
30 400-45423 AWC DRV PWR CABLE ASM
AWC DRV PWRケーブル組
1
31 400-45425 AWC DRV FG CABLE ASM
AWC DRV FGケーブル組
1
32 400-44539 SERVO AMP 2000W
Y軸サーボアンプ2000W
1
33 400-45388 YL DRV FG CABLE ASM
YL DRV FGケーブル組
1
34 400-44538 SERVO AMP 750W
X軸サーボアンプ750W
1
35 400-45387 XL DRV FG CABLE ASM
XL DRV FGケーブル組
1
36 400-44539 SERVO AMP 2000W
Y軸サーボアンプ2000W
1
37 400-45390 YR DRV FG CABLE ASM
YR DRV FGケーブル組
1
38 400-44538 SERVO AMP 750W
X軸サーボアンプ750W
1
39 400-45389 XR DRV FG CABLE ASM
XR DRV FGケーブル組
1
40 400-02106 YL FAN CABLE ASM
YL FANケーブル組
1
41 400-45561 TOP FAN RELAY CABLE ASM
トップファンリレーケーブル組
1
42 E9247-729-HA0 YL MOTOR FAN ASM
YLモータファン組
1
43 L804E-821-0A0 COVER TOP FAN ASM
カバートップファン組
1
44 400-02054 CTRL UNIT TOP FAN RELAY
CTRLユニット TOPファンリレー
1
45 E9249-729-HA0 CTRL UNIT TOP FAN ASM.
CTRLユニット TOPファン組
1
46 E9250-729-HA0 YR MOTOR FAN ASM
YRモータファン組
1
47 E9252-729-HA0 BASE FAN (L) ASM.
ベースファン(L)組
1
48 400-02107 BASE FAN(L) CABLE ASM
ベースファン(L)ケーブル組
1
49 400-02108 BASE FAN(R) CABLE ASM
ベースファンRケーブル組
1
50 400-02326 BASE FAN(R)ASM
ベースファンR組
1
51 400-02327 PS CTRL POWER CABLE ASM
PS CTRLパワーケーブル組
1
52 400-02330 CPCI CTRL POWER CABLE ASM
CPCI CTRLパワーケーブル組
1
53 HA-0053200-00 CIRCUIT PROTECTOR
ブレーカ
1
54 HA-0053800-00 SWITCH
メインスイッチ
1
55
#01
400-45420 BU DRV PWR CABLE ASM EN
BU DRV PWRケーブル組EN
1
56
#01
400-45422 BU DRV FG CABLE ASM EN
BU DRV FGケーブル組EN
1
57
#01
400-45424 AWC DRV PWR CABLE ASM EN
AWC DRV PWRケーブル組EN
1
58
#01
400-45426 AWC DRV FG CABLE ASM EN
AWC DRV FGケーブル組EN
1
59
#01
HX-0068900-00 5 PHASE STEP DRIVER
5相ステッピングモータドライバ
1
60
#01
HX-0068900-00 5 PHASE STEP DRIVER
5相ステッピングモータドライバ
1
61
#02
400-60925 VACUUM PUMP UNIT 70
バキュームポンプユニット70
1
62
#03
400-60926 VACUUM PUMP UNIT 80
バキュームポンプユニット80
1
63 400-54705 VAC FAN CABLE ASM
真空ポンプファンケーブル組
(1)
64 400-45490 VAC PUMP PWR RELAY CABLE ASM
バキュームポンプPWRリレーケーブル組
(1)
65 400-99547 VACUUM PUMP ASM
真空ポンプ組
(1)
66 400-99553 VAC PUMP FG CABLE ASM
真空ポンプFGケーブル組
(1)
67 401-03162 VAC PUMP PWR CONVERSION CABLE ASM
バキュームポンプPWRコンバージョンケーブル組
(1)
68 400-54885 REGENERATIVE RESISTOR
回生抵抗 RB−12
1
69 400-54885 REGENERATIVE RESISTOR
回生抵抗 RB−12
1
70 400-69579 POWER UNIT 2077
電源ユニット2077
1
71 HA-0053800-00 SWITCH
メインスイッチ
1
72 400-25669 LCD DSP
LCDディスプレイ(パネルリンク)
1
73 400-25669 LCD DSP
LCDディスプレイ(パネルリンク)
1
74 400-02322 R-LCD POWER CABLE ASM
背面LCD電源ケーブル組
1
75 400-45442 F-LCD PWR CABLE ASM
F−LCD PWRケーブル組
1
76 400-73931 KE-2080-ST(RFID)
KE−2080−ST(RFID)
1
77 401-22519 RFID CONTROL BOX POWER (60) CABLE ASM
RFIDコントロールボックスパワー(60)ケーブル組
(1)
78 400-73032 4 PORT MPC
4ポート MPC
(1)
79 401-22517 MPC RJ45 CABLE (60) ASM
MPC RJ45 (60)ケーブル組
(1)
80 401-22518 MPC POWER CABLE (60) ASM
MPC POWER (60)ケーブル組
(1)
81 400-73033 SWITCHING HUB
スイッチングハブ
(1)
82 400-99344 F-LCD/VCS MONITOR PWR CABLE ASM
F−LCD/VCSモニタ PWRケーブル組
1
83 400-54887 XL_MOTOR_RB_CABLE_ASM
XL回生ケーブル
1
84 400-54888 XR_MOTOR_RB_CABLE_ASM
XR回生ケーブル
1
85 400-45448 I/O PMD PWR CABLE ASM
I/O PMDパワーケーブル組
1