KE-2070_KE-2080_KE-2080R-Rev18 - 第160页
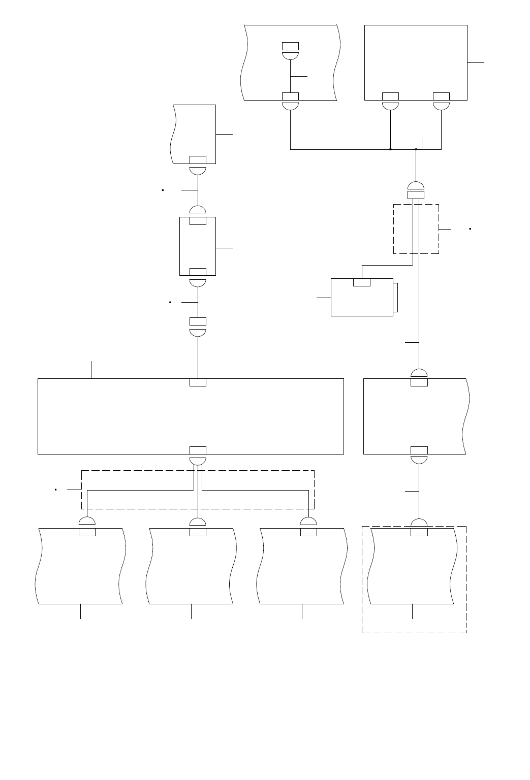
- 153 - 77. SYSTEM DIAGRAM (LASER ALIGE) SYSTEM DIAGRAM (LASER ALIGE) 1-2C 7-5C 7-4C 7-4C 7-3C IEEE 1394a BOARD (2/2) CN1 CN1 CN2 LNC60 IEEE 1394a REPEATER CN1 ONLY KE-2080 5-4C CN5 ZTD SERVO AMP(4/5) MR-MD100 5-3C CN5 Z…

- 152 -
NOTE( 注記 ) #01....FOR 2070E,2080E,2080RE 2070 E,2080 E,2080 RE 用
#02....REFER TO THE LAST PAGE 最終ページのマシン Rev 管理表を参照下さい。
M/C REV CHART.
#03....FOR 2070E,2080E,2080RE 2070 E,2080 E,2080 RE
(REFER TO THE LAST PAGE (最終ペ−ジのマシン Rev 管理表を参考下さい。)
M/C REV CHART.)
REF.NO NOTE PART NO D E S C R I P T I O N
品 名
Qty
1
#02
401-55289 4AXIS SERVO AMP
4軸一体型サーボアンプ
1
2 400-44534 SERVO MOTOR 30W
サーボモータ30W
1
3 400-44533 SERVO MOTOR 10W
サーボモータ10W
1
4 400-44534 SERVO MOTOR 30W
サーボモータ30W
1
5 400-44533 SERVO MOTOR 10W
サーボモータ10W
1
6
#02
401-55289 4AXIS SERVO AMP
4軸一体型サーボアンプ
1
7 400-44534 SERVO MOTOR 30W
サーボモータ30W
1
8 400-44533 SERVO MOTOR 10W
サーボモータ10W
1
9 400-44534 SERVO MOTOR 30W
サーボモータ30W
1
10 400-44533 SERVO MOTOR 10W
サーボモータ10W
1
11
#02
401-55289 4AXIS SERVO AMP
4軸一体型サーボアンプ
1
12 400-44534 SERVO MOTOR 30W
サーボモータ30W
1
13 400-44533 SERVO MOTOR 10W
サーボモータ10W
1
14 400-44534 SERVO MOTOR 30W
サーボモータ30W
1
15 400-44533 SERVO MOTOR 10W
サーボモータ10W
1
16
#03
401-55289 4AXIS SERVO AMP
4軸一体型サーボアンプ
1
17
#01
400-44534 SERVO MOTOR 30W
サーボモータ30W
1
18
#01
400-44534 SERVO MOTOR 30W
サーボモータ30W
1

- 153 -
77. SYSTEM DIAGRAM (LASER ALIGE)
SYSTEM DIAGRAM(LASER ALIGE)
1-2C
7-5C
7-4C
7-4C
7-3C
IEEE 1394a
BOARD(2/2)
CN1
CN1CN2LNC60
IEEE 1394a
REPEATER
CN1
ONLY KE-2080
5-4C
CN5
ZTD SERVO
AMP(4/5)
MR-MD100
5-3C
CN5
ZTC SERVO
AMP(4/5)
MR-MD100
5-2C
CN5
ZTB SERVO
AMP(4/5)
MR-MD100
LNC60
5-1C
CN5
ZTA SERVO
AMP(4/5)
MR-MD100
13-3C
2-2D
7-2A
XY RELAY PCB(3/5)
LA SENSOR
BEAR CABLE
LA SENSOR BEAR
CABLE(E)
FMLA
LA
LS0-16 LS0-16 CN16 CN16
CN848
MCM
MCMR
CN5
HEAD MAIN PCB(1/3)
CN24
1234
5
6
11
7
8
20
9
10
21
19
12
13
14
15
18
17
16

- 154 -
NOTE( 注記 ) #01....FOR 2080RE 2080 RE 用
#02....FOR 2080R 2080 R 用
#03....FOR 2080RM,2080RL 2080 RM,2080 RL 用
#04....FOR 2070E,2080E,2080RE 2070 E,2080 E,2080 RE 用
#05....FOR 2080 2080用
(REFER TO THE LAST PAGE (最終ページのマシン Rev 管理表を参照下さい。)
M/C REV CHART.)
#06....REFER TO THE LAST PAGE 最終ページのマシン Rev 管理表を参照下さい。
M/C REV CHART.
REF.NO NOTE PART NO D E S C R I P T I O N
品 名
Qty
1
#06
401-55289 4AXIS SERVO AMP
4軸一体型サーボアンプ
1
2
#06
401-55289 4AXIS SERVO AMP
4軸一体型サーボアンプ
1
3
#06
401-55289 4AXIS SERVO AMP
4軸一体型サーボアンプ
1
4
#05
401-55289 4AXIS SERVO AMP
4軸一体型サーボアンプ
1
5 400-45434 LNC60 I/F CABLE ASM
LNC60 I/Fケーブル組
1
6
#02
400-80203 LNC60 I/F CABLE ASM
LNC60 I/Fケーブル組
1
7 400-44517 1394 ROBOT CABLE ASM
1394ロボットケーブル組
1
8
#01
400-80215 1394 ROBOT CABLE(E)
1394ロボットケーブル(E)
1
9 400-44516 1394 RELAY CABLE ASM
1394中継ケーブル組
1
10
#04
400-48033 1394 CABLE 4.5M
1394ケーブル 4.5M
1
11 400-45547 LNC60
LNC60
1
12
#02
400-03264 FMLA SENSOR
FMLAセンサ
1
13
#02
E9345-721-0A0 CABLE ASM.
LAセンサー接続ケーブル組
1
14
#03
400-80206 LA SENSOR BEAR CABLE ASM
LAセンサベアケーブル組
1
15
#01
400-80214 LA SENSOR BEAR CABLE ASM(E)
LAセンサベアケーブル組(E)
1
16
#02
400-80207 LA SENSOR RELAY CABLE ASM
LAセンサ中継ケーブル組
1
17
#02
400-44846 XY RELAY PCB ASM OPE - CN16 CABLE ASM
XYリレーPCB組 OPEーCN16 ケーブル組
1
18
#02
E9610-729-0A0 MCMR
MCMR
1
19
#02
400-86176 ICT ENC CABLE ASM
ICT ENCケーブル組
1
20 400-48078 IEEE1394 REPEATER BOARD
IEEE1394リピータボード
1
21
#06
401-50021 IEEE1394 BOARD
IEEE1394ボード
1