KE-2070_KE-2080_KE-2080R-Rev18 - 第163页
- 156 - NOTE( 注記 ) #01....FOR 2080,2080R 2080,2080 R 用 #02....FOR 2070E,2080E,2080RE 2070 E,2080 E,2080 RE 用 #03....FOR 2070,2080 2070,2080用 #04....FOR 2080R 2080 R 用 #05....REFER TO THE LAST PAGE 最終ページのマシ ン Rev 管理表を参照下さ…

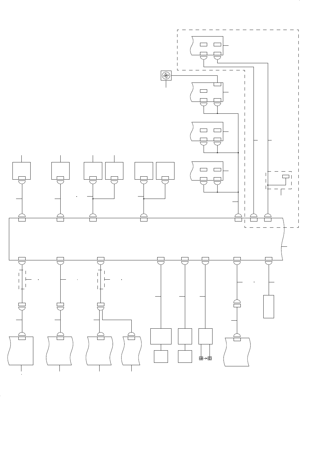
- 155 -
78. SYSTEM DIAGRAM (HEAD UNIT 1)
SYSTEM DIAGRAM(HEAD UNIT 1)
HEAD
FAN
8-4C
10-1A
4-3C
CN018 CN018
13-4A
1-2C
1-2C
17-1A
1-2C
1-2C
6-2C6-2B6-2B
6-2A
CN808 CN8
9-1C
XY BEAR CABLES(E)
XY BEAR CABLES
POWER UNIT
(4/13)
CN246
XY BEAR CABLES(E)
XY BEAR CABLES
XY BEAR CABLES
XY BEAR CABLES(E)
XY BEAR CABLES
ONLY KE-2080
CN19CN19
ZTD SERVO
AMP(5/5)
MR-MD100
ZTC SERVO
AMP(5/5)
MR-MD100
ZTB SERVO
AMP(5/5)
MR-MD100
CN13CN13
CN4B CN4A
CN4D CN4C
CN4B CN4A
CN4D CN4C
CN4B CN4A
CN4D CN4C
CN4B CN4A
CN4D CN4C
ZTA SERVO
AMP(5/5)
MR-MD100
OCC-C
LIGHT
PCB
OCC-A
LIGHT
PCB
OCC-C
LIGHT
PCB
AMP
BAD
MARK
SENSOR
AMP
HEIGHT
SENSOR
AMP
LS4-5CN5
CN2CN802
XY BEAR CABLES(E)
CN807CN7
CN820 CN20
CN809
CN9
CN852 CN12(CN52)
LIGHT CTRL
PCB(2/3)
CN479LS2-1CN1
CN805
CN478LS5-4
CN5
IP-X3R PCB
(2/2)
CN4
OCC2(R)
OCC1(R)
OCC2(L)
OCC1(L)
CN824CN4
OCC-A
LIGHT
PCB
OCC R
OCC L
CN823CN3
CN806CN6
SAFETY
PCB(2/4)
LS1-7CN7
CN801
CN245
HEAD MAIN PCB(1/2)
CN1
I/O CONTROL
PCB(2/5)
for OP option
H/S-35
CN811CN11
CN10CN810
E2S-W23
T7 SLOW
DOWN SENSOR
20 21 1 2 3
456
8
92526 27 28
22 10 11
7
29
30
12
13 14
15
23 16
17 24 18 19
31
32
33
34
35
39
36
3729
30
38
40

- 156 -
NOTE( 注記 ) #01....FOR 2080,2080R 2080,2080 R 用
#02....FOR 2070E,2080E,2080RE 2070 E,2080 E,2080 RE 用
#03....FOR 2070,2080 2070,2080用
#04....FOR 2080R 2080 R 用
#05....REFER TO THE LAST PAGE 最終ページのマシン Rev 管理表を参照下さい。
M/C REV CHART.
#06....FOR 2080,2080R 2080,2080 R 用
(REFER TO THE LAST PAGE (最終ページのマシン Rev 管理表を参照下さい。)
M/C REV CHART.)
REF.NO NOTE PART NO D E S C R I P T I O N
品 名
Qty
1 400-01904 LIGHT CTRL PCB ASM.(60)
ライトコントロール基板組(60)
1
2 400-01943 I/O CTRL PCB ASM.
I/Oコントロール基板組
1
3
#05
401-36685 SAFETY PCB ASM
セーフティ基板組
1
4 400-02151 OCC CAMERA CABLE ASM
OCCカメラケーブル組
1
5 400-02140 OCC LIGHT CABLE ASM
OCCライトケーブル組
1
6 400-45452 HEAD SP CABLE ASM
ヘッドSPケーブル組
1
7 400-45435 HEAD MAIN PWR CABLE ASM
ヘッドメインパワーケーブル組
1
8 400-58385 XY BEAR CABLES ASM
XYベアケーブル組
1
9
#02
400-59779 XY BEAR CABLES ASM(E)
XYベアケーブル組(E)
1
10 400-02267 BAD MARK SENSOR ASM
バッドマークセンサ組
1
11
#03
400-45484 NOZZLE SENSOR AMP ASM
ノズルセンサアンプ組
1
12 400-90481 HEAD MAIN PCB ASM
ヘッドメイン基板組
1
13 400-45453 OCC L CABLE ASM
OCC Lケーブル組
1
14 400-45454 OCC R CABLE ASM
OCC Rケーブル組
1
15 400-45456 OCC LIGHT L CABLE ASM
OCCライトLケーブル組
1
16 400-45457 OCC LIGHT R CABLE ASM
OCCライトRケーブル組
1
17 E9617-725-000 CCD CAMERA
CCDカメラ
1
18 400-01979 OCC C LIGHT P.C.B ASM
OCC 同軸照明基板組
1
19 400-01959 OCC A LIGHT PCB ASM.
OCC Aライト基板組
1
20 400-52359 IP-X3R ASM A
IP−X3R基板A組
1
21
#01
400-52360 IP-X3R ASM B
IP−X3R基板B組
1
22 400-02185 HMS CABLE ASM
HMSケーブル組
1
23
#04
400-80204 OCC LIGHT LR CABLE ASM
OCCライトLRケーブル組
1
24 E9617-725-000 CCD CAMERA
CCDカメラ
1
25 400-58385 XY BEAR CABLES ASM
XYベアケーブル組
1
26
#02
400-59779 XY BEAR CABLES ASM(E)
XYベアケーブル組(E)
1
27 400-58385 XY BEAR CABLES ASM
XYベアケーブル組
1
28
#02
400-59779 XY BEAR CABLES ASM(E)
XYベアケーブル組(E)
1
29 400-58385 XY BEAR CABLES ASM
XYベアケーブル組
1
30
#02
400-59779 XY BEAR CABLES ASM(E)
XYベアケーブル組(E)
1
31 401-55379 Z ORG DI CABLE ASM
Z ORG DIケーブル組
1
32
#05
401-55289 4AXIS SERVO AMP
4軸一体型サーボアンプ
1
33
#05
401-55289 4AXIS SERVO AMP
4軸一体型サーボアンプ
1
34
#05
401-55289 4AXIS SERVO AMP
4軸一体型サーボアンプ
1
35
#06
401-55289 4AXIS SERVO AMP
4軸一体型サーボアンプ
1
36
#01
401-55380 Z7 ORG DI CABLE ASM
Z7 ORG DIケーブル組
1
37
#04
400-80210 T7 SLOW DOWN SENSOR ASM
T7減速センサ組
1
38
#04
401-55387 T7 ORG DI CABLE ASM
T7 ORG DIケーブル組
1
39 401-55382 HEAD FAN CABLE ASM
ヘッド冷却ファンケーブル組
1
40
#04
401-55388 OCC LIGHT L(OP)/T7 ORG DI CABLE ASM
OCCライト L(OP)/T7 ORGケーブル組
1

- 157 -
79. SYSTEM DIAGRAM (HEAD UNIT 2)
SYSTEM DIAGRAM(HEAD UNIT 2)
80P
7-3D
HEAD MAIN
PCB(2/2)
CN34 CN23
8-2D
8-4A
Z2 VAC SV
Z1 VAC
SENSOR
VACUUM CABLE ASM 70
VACUUM CABLE ASM 80
ONLY KE-2080
ONLY KE-2080
Z7 VAC
SENSOR
CN7
Z7 BLW SV
CN7
Z7 VAC SV
CN14CN14
CN33CN33
CN26
CN25
CN23
CN22
CN21
CN20
CN18
CN16
CN17
CN15
E2S-W23
E2S-W23
E2S-W23
E2S-W23
E2S-W23
E2S-W23
E2S-W23
D-M9NL
D-M9NL
HEAD RELAY
PCB(2/2)
CN19
NOZZLE UP SV
CN19
CN18
NOZZLE DOWN
SENSOR R
CN16
NOZZLE DOWN
SENSOR L
CN26
CN25
CN24
CN23
CN22
CN21
Z7 SLOW DOWN
SENSOR
Z6 SLOW DOWN
SENSOR
Z5 SLOW DOWN
SENSOR
Z4 SLOW DOWN
SENSOR
Z3 SLOW DOWN
SENSOR
Z2 SLOW DOWN
SENSOR
CN20
Z1 SLOW DOWN
SENSOR
Z6 VAC
SENSOR
CN6
Z6 BLW SV
CN6
Z6 VAC SV
CN13CN13
CN32CN32
Z5 VAC
SENSOR
CN5
Z5 BLW SV
CN5
Z5 VAC SV
CN12CN12
CN31CN31
Z4 VAC
SENSOR
CN4
Z4 BLW SV
CN4
Z4 VAC SV
CN11CN11
CN30
CN30
Z3 VAC
SENSOR
CN3
Z3 BLW SV
CN3
Z3 VAC SV
CN10CN10
CN29CN29
Z2 VAC
SENSOR
CN2
Z2 BLW SV
CN2
CN9CN9
CN28CN28
CN1
Z1 BLW SV
CN1
Z1 VAC SV
CN8CN8
CN27CN27
HEAD RELAY
PCB (1/2)
(VACUUM PUMP OPTION)
1 2
3
4
10 11 5 6 7 8 9
20 21
12
13 14 15 16 17 18
19