KE-2070_KE-2080_KE-2080R-Rev18 - 第167页
- 160 - NOTE( 注記 ) #01....FOR 2080,2080R 2080,2080 R 用 REF.NO NOTE PART NO D E S C R I P T I O N 品 名 Qty 1 400-01951 BAN K FPI F PCB ASM. バンクFPI F PCB組 1 2 400-01941 BASE FEEDER PCB ASM. ベースフィーダ基板組 1 3 400-01949 BAN K/FP…

- 159 -
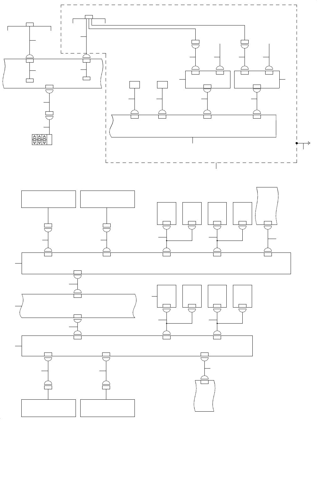
80. SYSTEM DIAGRAM (BASE FEEDER)
SYSTEM DIAGRAM(BASE FEEDER)
1-2C
CH2R
CN1F
1-5C
15-2D
15-2D
9-1C
15-1B
I/O CONTROL
PCB(4/5)
CN3LS4-3CN1 CN521R
(R3-2)
LED PCB
CN1CN541
(R3-1)
LED PCB
CN1CN551
CN2
(1/2)
CN502
(R2-2)
LED PCB
CN1
CN561
(R2-1)
LED PCB
CN1
CN571
CN3
(1/2)
CN503
I/O CONTROL
PCB(3/5)
CN2LS4-2
CN521F
CN1
7-1B
9-3D
(F1-1)
LED PCB
CN1CN541
(F1-2)
LED PCB
CN1CN551
CN2
(1/2)
CN502
(F2-1)
LED PCB
CN1CN561
(F2-2)
LED PCB
CN1CN571
CN3
(1/2)
CN503
RFID E
F11E
CN04SL
CN4SR
CN4SL
CN4SCH4 CH4 S
CN03ML
CN3MR
CN3ML
CN3MCH3 CH3 M
CONNECTOR BRACKET
(OVERALL REPLACEMENT
TABLE R)
CH2 CH2 R
CH1 CH1 F
CONNECTOR BRACKET
(OVERALL REPLACEMENT
TABLE F)
CN7
BANK/FPI-R
PCB.
BASE-FEEDER
PCB(2/4)
BANK/FPI-F
PCB.
FEEDER(FR)
KE-2080-ST(RFID)
RFID WIRING
MPC-4C(2/2)
CN11
(L)
COVER
MTC I/F
CN6
LS3-6
CN6
FEEDER(RR)
FEEDER(RL)
CN7
CN6
FEEDER(FR)
CN1
LS3-2
13-4B
CN11
COVER
MTC I/F(L)
CN6
CN2CN483
SIGNAL LIGHT
BASE-FEEDER
PCB(3/4)
LS3-4F CN4F
CN506F
CN507F
CN501F CN4R CN501R
CN506R
CN507R
BK-FL
BK-FR
BK-RL
BK-RR
LS3-4RCN5
9-4A
LS3-6
9-2B
45
1
6
7
2
3
89
32
31
30
34
33 35
36
10
11
12
13
15
18
29
16
19 20 21 22
24 27 1725
23 26
28

- 160 -
NOTE( 注記 ) #01....FOR 2080,2080R 2080,2080 R 用
REF.NO NOTE PART NO D E S C R I P T I O N
品 名
Qty
1 400-01951 BANK FPI F PCB ASM.
バンクFPI F PCB組
1
2 400-01941 BASE FEEDER PCB ASM.
ベースフィーダ基板組
1
3 400-01949 BANK/FPI-R PCB ASSY
BANK/FPI−R基板組
1
4 400-02244 BANK FR CABLE ASM
バンクFBケーブル組
1
5 400-02243 BANK FL CABLE ASM
バンクFLケーブル組
1
6 400-02088 BANK F CABKE ASM
バンクFケーブル組
1
7 400-02089 BANK R CABKE ASM
バンクRケーブル組
1
8 400-02245 BANK RL CABLE ASM
バンクRLケーブル組
1
9 400-02246 BANK RR CABLE ASM
バンクRRケーブル組
1
10 400-03265 SIGNAL TOWER ASM
シグナルタワー組
1
11 400-02090 SIGNAL LIGHT CABLE ASM
シグナルライトケーブル組
1
12 400-02052 BASE MTC CABLE ASM
ベースMTCケーブル組
1
13 400-02104 MTC I/F(L) CABLE ASM
MTC I/F(L)ケーブル組
1
14 400-02086 FPI R CABLE ASM
FPI Rケーブル組
1
15
#01
400-73931 KE-2080-ST(RFID)
KE−2080−ST(RFID)
1
16 400-73032 4 PORT MPC
4ポート MPC
(1)
17 400-73748 RFID S BRANCH MTC I/F CABLE ASM
RFID SブランチMTC I/Fケーブル組
(1)
18 400-73745 RFID MTC I/F(L) CABLE ASM
RFID MTC I/F(L)ケーブル組
(1)
19 401-22523 RFID BANK F CONTROL BOX CABLE ASM
RFIDバンクFコントロールボックスケーブル組
(1)
20 401-22524 RFID BANK R CONTROL BOX CABLE ASM
RFIDバンクRコントロールボックスケーブル組
(1)
21 401-22525 RFID M BRANCH CONTROL BOX CABLE ASM
RFID Mブランチコントロールボックスケーブル組
(1)
22 401-22526 RFID S BRANCH CONTROL BOX CABLE ASM
RFID Sブランチコントロールボックスケーブル組
(1)
23 KK-0000009-50 CONNECTOR
コネクタ
(1)
24 400-73749 RFID M BRANCH MTS I/F CABLE ASM
RFID MブランチMTS I/Fケーブル組
(1)
25 400-73746 RFID M BRANCH MTC I/F CABLE ASM
RFID MブランチMTC I/Fケーブル組
(1)
26 KK-0000009-50 CONNECTOR
コネクタ
(1)
27 400-73750 RFID S BRANCH MTS I/F CABLE ASM
RFID SブランチMTS I/Fケーブル組
(1)
28 401-22522 RFID CONTROL BOX FG CABLE (60) ASM
RFIDコントロールボックスFG(60)ケーブル組
1
29 400-02052 BASE MTC CABLE ASM
ベースMTCケーブル組
1
30 E8626-729-0A0 FPI LED BOARD ASM.
FPI LED基板組
1
31 400-02250 FPI LED CABLE ASM B
FPI LEDケーブル組B
1
32 400-02087 FPI F CABLE ASM
FPI Fケーブル組
1
33 400-02250 FPI LED CABLE ASM B
FPI LEDケーブル組B
1
34 400-02249 FPI LED CABLE ASM A
FPI LEDケーブル組A
1
35 400-02249 FPI LED CABLE ASM A
FPI LEDケーブル組A
1

- 161 -
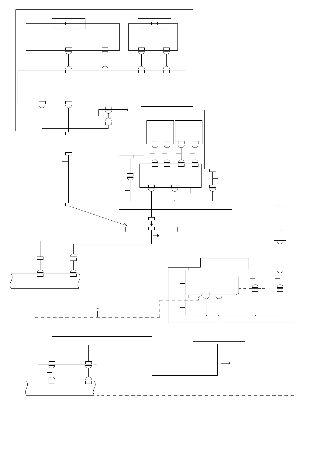
81. SYSTEM DIAGRAM (OVERALL REPLACEMENT TABLE F)
SYSTEM DIAGRAM(OVERALL REPLACEMENT TABLE F)
IC FULL
IC FULL
11-1A
10-1B
POWER UNIT(6/13)
10-2A
7-1D
8
5MM PITCH 80
COJISCAN,
JNT F/R
RFID WIRING
KE-2080-ST(RFID)
SPARE CHANGER TABLE UNIT(GX-6_RFID)
SPARE CHENGER TABLE UNIT(GX-6_EN-RFID)
ANT F/R
ANTENNA ARRAY.
CN F/R
CN04
CONNECTOR BRACKET(OVERALL REPLACEMENT TABLE F)
CN11
CN649
FEEDER I/F PCB (F)
CN661 CN1
CN662 CN2
CN507
CONECTOR
REALY
CN020
CN04
COVER
CN025
POWER UNIT(5/13)
CN00
CN01
F.G.
CN10CN10CN04
CN04
OLD-TYPE OVERALL
REPLACEMANT
ADAPTER
IC FULL
CONECTOR
REALY
CN020
CN10
CN9
CN10
CN9
CN10-2
CN9-2
CN10-1
CN9-1
CN670-2
CN669-2
CN670-1
CN669-1CN2
CN1
CN761
CN760
CN751
CN750CN662
CN661
CN649
(OLD-TYPE OVERALL REPLACEMENT TABLE F)
TABLE (OPTION)
OVERALL REPLACEMENT
BRACKET
CONNECTOR
FEEDER I/F PCB (F)
FEEDER BANK PCB(FR)
FEEDER BANK PCB(FL)
CN761
CN760
CN670-2
CN669-2
CN10-2
CN9-2
CN10
CN9
FEEDER BANK PCB(FR)
CN751CN670-1CN10-1 CN10
CN750CN669-1CN9-1 CN9
FEEDER BANK PCB(FL)
CONNECTOR BRACKET(OVERALL REPLACEMENT TABLE F)
CN04
CN11
CN649
FEEDER I/F PCB (F)
CN661 CN1
CN662 CN2
COVER
CN025
CN507
CN00
CN01
F.G.
19
24
1
18
2
12
13
14 15 16 17
3
4
78 910
5
6
25
28
29
26
27
23
20
22
11